所屬科目:圖學
一、請以比例 1:1 繪出與圖⑴之長方形面積相等之正方形(須有作圖步驟, 若以面積換算以取得正方形邊長,將予以扣分) 。(10 分)
二、繪出與邊長 30 mm 之正方形面積相近之圓形(面積愈相近得分愈高,但 須說明作圖步驟,若直接以面積換算圓之半徑者,將予以扣分) 。 (15 分)
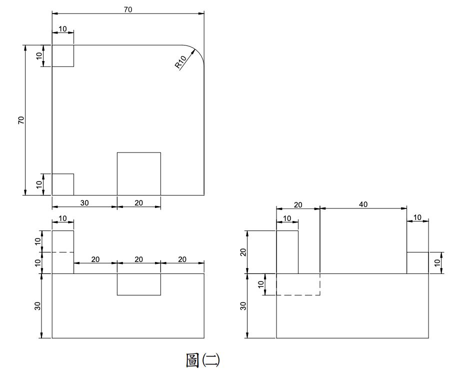
三、請就圖⑵所示之尺度,以比例 1:1 繪出圖⑵之等角圖(不需標註尺 寸)。 (25 分)
五、如圖⑷,請以線 L 為導線、點 F 為焦點,繪出拋物線(頂點兩側各取 4 個點作圖)。 (25 分)