所屬科目:技檢◆視聽電子-甲級
6. 下圖符號為何種閘流體?(A)SCS(B)SBS(C)SCR(D)TRIAC。
54. 下圖符號為(A)矽對稱開關(SSS)(B)對稱雙向矽開關(SBS)(C)不對稱雙向矽開關(SA S)(D)雙向觸發二極 體(DIAC)。
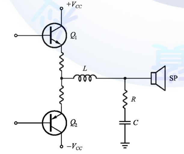
62. 如下圖電路所示,功率放大器輸出所並聯之 RC 串聯電路,下列敍述何者正確?(A)降低交流哼聲(B) 增加輸出阻抗(C)其衰減頻率點為 (D)防止高頻振盪。
66. 布林函數 的最簡式為何?(A) (B) (C) (D) 。
70. 如下圖電路所示,電感 300nH 與電容 22pF 串接而成的諧振電路,訊號源與負載阻抗皆等於特性阻 抗 50Ω,則下列敘述何者正確?(A)此電路諧振頻率為 71.95MHz(B)此電路電感器在理想狀況下時,諧振電路的頻寬 BW=53.06MHz(C)此電路電感器有 5 Ω 寄生電阻時,諧振電路的頻寬 BW=55.73MHz(D)此電路諧振頻率為 61.95MHz。
71. 對於下列 VHD L 程式之敘述,何者正確?(A)a、b、c in 為全加器之輸入端,sum、ca rry 為輸出端(B) i2 為 u1 半加器 sum 輸出(C)i3 為 u2 半加器 carry 輸出(D)i1 為 u1 半加器 carry 輸出。
73. 如下圖所示電路,假設運算放大器為理想且所有電晶體 VBE 皆為 0.7V,若 VA=5V、VB =3V,則下列敘述何者正確?(A)Q1、Q2 為導通、Q3 為截止(B)Q1、Q2、Q3 均為導通(C)輸出電壓 VO=5V(D)此時OPA 作為電壓隨耦器使用。
74. 如下圖電路所示,若電晶體 β=99、V BE =0.7V,則 I B 與 Ic 電流為何?(A)Ic= 29.5mA(B)Ic= 2mA(C)IB= 298μA(D)IB=20.2μA。
80. 在電子實驗中,使用如圖(a)~圖(d)四種接線方式驅動發光二極體(LED)。已知電晶體之 VB E =0.6 V,V CE (s a t )=0.2V,β=100,LED 順向導通電壓 VF=2V,則 LED 亮度最亮及最暗之敘述何者正確?(A)圖(a)最亮(B)圖(d)最暗(C)圖(b)最亮(D)圖(c)最暗。