阿摩線上測驗
登入
首頁
>
技檢◆視聽電子-甲級
> 114年 - 02900 視聽電子 甲級 工作項目 07:音響放大器 51-106(2025/10/16 更新)#132288
114年 - 02900 視聽電子 甲級 工作項目 07:音響放大器 51-106(2025/10/16 更新)#132288
科目:
技檢◆視聽電子-甲級 |
年份:
114年 |
選擇題數:
56 |
申論題數:
0
試卷資訊
所屬科目:
技檢◆視聽電子-甲級
選擇題 (56)
51. 某只差動放大器,已知其 CMRR 為 100dB,共模增益為 10,則其差模增益(Ad)為 (A)10
6
(B)10
5
(C)10
4
(D)10
3
。
52. 一般作為左右聲道平衡控制用的可變電阻之特性常採用 (A)A 型 (B)B 型(C)C 型 (D)D 型 者。
53. 典型 CR 型音調控制器所設計的低音(Bass)控制頻率轉折點的範圍是 (A)48Hz~480Hz (B)200~480Hz (C)48~1000Hz (D)100~1000Hz 。
54. 典型 CR 型音調控制所設計的高音(Treble)控制頻率(轉折點)的範圍是(A)400~4000Hz (B)1K~10KHz (C)3K~15KHz (D)2K~20KHz 。
55. 電子分音器若採用一階二音路濾波器,則其共通的-3dB 點之頻率落在(A)400Hz (B)1KHz (C)2KHz (D)3KHz 。
56. 常用來作為分音器的濾波器是 (A)LC 濾波器 (B)巴特威士濾波器 (C)傑比雪夫濾波器 (D)RC 帶通濾波器 。
57. 一般錄音帶錄音的頻率特性是 (A)高頻佳,低頻差 (B)低頻佳,高頻差 (C)高低頻均差 (D)只在中音段下陷 。
58. 一般錄音機的放音頭頻率特性是呈 (A)
(B)
(C)
(D)
。
59. 一般放音頭的輸出值隨頻率而有不同,在 1KHz 時均為 (A)0.1mv (B)1mv(C)0.1V (D)1V 。
60. 一般 AM 收音機之本地振盪電路型態是 (A)考畢子 (B)克拉普 (C)石英晶體式 (D)哈特萊式 的振盪電路架構。
61. AM 收音機的中頻放大級的諧振特性下列何者為是? (A)輸入端為串聯諧振,輸出端為並聯諧振 (B)輸入端為並聯諧振,輸出端為串聯諧振 (C)均為串聯諧振 (D)均為並聯諧振 。
62. RC 串聯式充電電路,Vc 由 0 伏開始充電並計時,當 Vc=V 時需要的時間為 (A)0.2RC (B)0.5RC (C)0.7RC (D)1RC 。
63. 下列檢波器中何者不適用於 FM 收音機 (A)傅斯特-西列 (B)比率 (C)鎖相(PLL) (D)包絡式 。
64. 音響電路中平坦放大器的增益約為 (A)40dB (B)20dB (C)10dB (D)6dB 。
複選題
65. 有關放大器之敘述,下列何者正確? (A)調諧式 C 類放大器是適用於音響的擴大機 (B)C 類放大器的效率在實際應用上約為 85%以上 (C)C 類功率放大器的效率較 A 類、B 類、AB 類都高 (D)C 類放大器的工作點定於飽和點 。
複選題
66. 某功率電晶體消耗功率 20W 時,集極接合面溫度為 125℃,而消耗功率30W 時,集極接合面溫度為 175℃,則求周圍空氣溫度 T
A
與總熱阻θ
JA
為多少? (A)T
A
=25℃ (B)T
A
=30℃ (C)θ
JA
=10℃/W (D)θ
JA
=5℃/W 。
複選題
67. 如下圖電路所示,若輸入頻率為 500KHz,電晶體導通時間為 0.1us,且電晶體導通時,Ic(sat)=1A,Vce(sat)=0.4V,則電晶體 Ic 波形的工作週期 D%及平均消耗功率為何?
(A)D%=5% (B)D%=15% (C)平均消耗功率10mW (D)平均消耗功率 20 mW 。
複選題
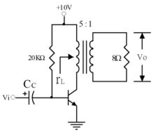
68. 如下圖電路所示,下列敘述何者錯誤?
(A)此電路為 C 類放大器 (B)初級線圈的阻抗 r
L
為 200Ω (C)工作點的集極電流為 50mA (D)直流電源供給電路之平均功率為 2.5W 。
複選題
69. 有關放大器失真之敘述,下列何者正確? (A)若在其輸出信號中產生原輸入信號所沒有之新頻率信號,則此種失真現象稱為頻率失真 (B)當輸入信號為 5sin(10t)+3sin(20t)時,則輸出信號為 15sin(10t)+6sin(20t),此放大器失真稱為諧波失真 (C)一電路對各種不同頻率正弦波之相位移不一致,則是發生相位失真現象 (D)若輸入信號中有兩種不同頻率 fA與 fB而輸出信號,除了原有的信號 f
A
與 f
B
外,尚含 f
B
+f
A
及 f
B
-f
A
混和頻率的信號,此現象稱為互調失真 。
複選題
70. 下列敘述何者正確? (A)增加散熱片的面積,可以改善功率電晶體的散熱效果 (B)電晶體的功率消耗大都耗損在集極接面 (C)遞減因數是用來表示,功率電晶體可容許之最大消耗功率會隨溫度上升而遞減的程度,熱阻值愈大,散熱效果愈差 (D)熱阻值愈大,散熱效果愈佳 。
複選題
71. 對於C類放大器的導通角度,下列敘述何者正確? (A)185 ゚ (B)170 ゚ (C)150 ゚ (D)135 ゚ 。
複選題
72. B類推挽式放大器若兩只功率電晶體特性相同時,下列敘述何者正確?(A)輸出信號中只有偶次諧波 (B)輸出信號中只有奇次諧波 (C)最大效率為78.54% (D)電路將會產生交叉失真 。
複選題
73. 有關串級放大系統頻率響應之敘述,下列何者正確? (A)電阻-電容耦合頻率響應最好 (B)電阻-電容耦合頻率響應最差 (C)直接耦合頻率響應最好(D)變壓器耦合頻率響應最差 。
複選題
74. 直接耦合串級放大器的特性為何? (A)前後級之直流電壓會互相影響 (B)直流電壓穩定 (C)電壓增益較其他耦合方式高 (D)低頻頻率響應佳 。
複選題
75. 如下圖所示達靈頓電路,等效於單一個電晶體,下列何者正確?
(A)a (B)b (C)c (D)d 。
【已刪除】
複選題
76. (本題刪題)如下圖電路所示,兩個電晶體的β值皆為 98,γ
π
=1KΩ,下列敘述何者正確? (A)第一級電壓增益約為–8.6 (B)第二級電壓增益約為–6.8 (C)第一級電壓增益約為–3.7 (D)第二級電壓增益約為–4.5 。
複選題
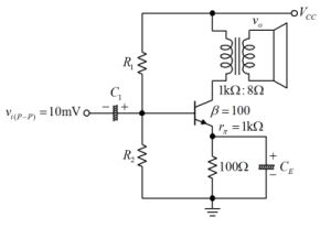
77. 如下圖電路所示,下列敘述何者正確?
(A)
(B)C
E
開路則增益提升 (C)為共集極放大 (D)為變壓器耦合電路 。
複選題
78. 音響前置放大器之基本結構,不包含下列何者? (A)輸入作用選擇開關(B)音量控制器 (C)功率放大器 (D)分音器 。
複選題
79. 有關音響放大器失真與產生原因之敘述,下列何者正確? (A)交叉失真是因靜態電流不足所致 (B)暫態失真是因為負回量不足所致 (C)諧波失真是因放大器電路非線性特性所致 (D)剪截失真是因電源電壓不足所致 。
複選題
80. 有關音響放大器雜音產生之原因,下列敘述何者正確? (A)電容器有開路現象 (B)接地不良 (C)電源濾波不良 (D)配線不良感應交流聲 。
複選題
81. 對於 OTL 電路,下列敘述何者錯誤? (A)需雙電源 (B)中點電壓為 0V (C)無輸出電容器 (D)無輸出變壓器 。
複選題
82. 對於高頻截止頻率 f
H
及低頻截止頻率 f
L
的敘述,下列敘述何者有誤?(A)頻帶寬(BW)=f
H
-f
L
(B)截止頻率點的功率為中頻帶功率的 0.707 倍 (C)截止頻率點的電壓增益為中頻帶增益的 0.5 倍 (D)截止頻率點又稱為-3dB點 。
複選題
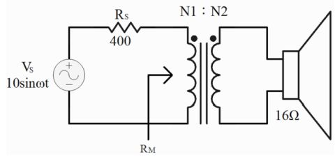
83. 下圖電路所示,若想要有最大功率轉移,則調整圖中變壓器初級與次級線圈之圈數比(N1:N2)與揚聲器可得之最大功率應為何?
(A)N1:N2 =5:1 (B)最大功率為 31.25mW (C)N1:N2=4:20 (D)最大功率為62.5mW 。
複選題
84. 有關音響系統使用 VU 表之敘述,下列何者正確? (A)為國際規定之紫外線單位測定儀表 (B)為國際規定之音量單位測定儀表 (C)調變百分比刻度是以+6VU 為 50% (D)以 1KHz 連續正弦波在 600Ω在電阻兩端消耗+4dBm 功率所呈現的電壓為 0VU 。
複選題
85. 有關杜比雜音消除系統之敘述,下列何者正確? (A)為美國貝爾實驗室所開發之雜音消除系統 (B)可分為 A 型、B 型、C 型三種 (C)其降低雜音的基本原理是採用壓縮與擴展的方式 (D)可以提高音響系統的 SN 比 。
複選題
86. 對於音響後級放大器之敘述,下列何者正確? (A)OTL 之中點電壓為
(B)OCL 之中點電壓為 0 (C)OTL 之輸出不含電容 (D)OCL 之輸入出含電容 。
複選題
87. 一般擴大機的音量、高低音及平衡控制等調整元件之選擇,下列敘述何者正確? (A)音量控制使用 C 型可變電阻器 (B)高音控制使用 A 型可變電阻器 (C)低音控制使用 B 型可變電阻器 (D)平衡控制使用 MN 型可變電阻器 。
複選題
88. 一般放大器之特性,會受到電源電路影響的有那些? (A)有效功率與音樂功率 (B)S/N 比與殘留雜音 (C)阻尼因數(DF) (D)輸入功率 。
複選題
89. 有關人耳對聲音的敘述,下列何者正確? (A)人耳可聽最高頻率約 20KHz(B)人耳對低音域頻率的響度最佳 (C)人耳所能忍受的最大音量平均約 130分貝 (D)響度(LOUDNESS)控制開關是使用於大音量時補償人耳的響應問題 。
複選題
90. 音響交流哼聲(Hum)產生的原因,下列敘述何者正確? (A)音響直流電源濾波不良 (B)接地設計不良 (C)外部設備之電磁感應 (D)推挽放大(SEPP)設計不良 。
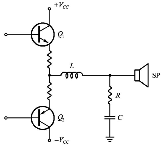
複選題
91. 如下圖電路所示,功率放大器輸出所並聯之 RC 串聯電路,下列敍述何者正確?
(A)防止高頻振盪 (B)增加輸出阻抗 (C)其衰減頻率點為
(D)降低交流哼聲 。
複選題
92. 有關音響用喇叭系統,下列敘述何者正確? (A)低音喇叭較高音喇叭方向性較強 (B)一般而言高、低音喇叭效率相同 (C)一般而言良好的喇叭系統可在 30Hz~15KHz 範圍提供平坦的頻率響應 (D)氣墊式喇叭系統在低音方面效果較佳,但效率較差 。
複選題
93. 如下圖電路所示,求
之值
(A)
(B)
(C)
(D)
。
複選題
94. 下列何者為測量擴大機特性的主要儀器? (A)聲音信號產生器 (B)計頻器(C)失真分析儀 (D)頻譜分析儀 。
複選題
95. 有關放大器特性之敘述,下列何者正確? (A)變壓器耦合放大器效率高,但頻率響應不佳 (B)積體電路內之串級方式是採用直接耦合 (C)射極隨耦器是屬於共基極放大電路組態,電壓增益略低於 1 (D)達靈頓電路的特性是高輸入阻抗和高輸出阻抗 。
複選題
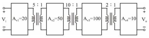
96. 如下圖電路所示,為變壓器耦合串級放大電路,則此電路之總電壓增益A
VT
為何?
(A)80dB (B)AV T=1000 倍 (C)120dB (D)10
4
倍 。
複選題
97. 有關差動放大器的敘述,下列何者正確? (A)CMR 愈大愈能拒絕共模訊號 (B)差模增益 Ad 愈大愈好 (C)共模增益 Ac 愈小愈好 (D)屬於一種直流放大器,低頻響應差 。
複選題
98. 如下圖電路所示,為一個二級串接放大器,若第一級之電壓增益為 20dB,第二級之輸出為 10 dBm,且電壓 Vx = 50 mV,下列何者正確?
(A)總電壓增益
(B)PO=100mw (C)Vi=5mV (D)Vo=5V 。
複選題
99. 如下圖電路所示,為一個串接放大器若輸入電壓 Vi=10μV,下列敘述何者正確?
(A)總電壓增益為 100 (B)輸出電壓 Vo=1mV (C)總電壓增益為60dB (D)AV 2=-20dB 。
複選題
100. 有一輸出 40W 之放大器連接至 10Ω之揚聲器,若放大器之放大倍數40dB,且為額定輸出時,下列敘述何者正確? (A)輸出電壓 Vo=20V (B)輸入電壓 Vi=0.2V (C)放大器之電壓增益為 A
V
(dB)=10logVo/Vi (D)
。
複選題
101. 有關變壓器耦合放大器之敘述,下列何者正確? (A)效率較 RC 耦合放大器低 (B)頻率響應不佳 (C)較容易獲得阻抗匹配 (D)容易以積體電路呈現 。
複選題
102. 有關放大器負回授系統之敘述,下列何者正確? (A)含有主動元件,放大器增益將甚為穩定 (B)純電阻無任何電抗元件,放大器增益將不受頻率影響 (C)放大器本身產生的雜訊會因負回授而降低 (D)以電壓、電流方式組合四種型態 。
複選題
103. 一般音質控制(tone control)區分 CR 型及 NF 型,下列何者為必備之元件? (A)電阻 (B)電容 (C)可變電阻 (D)電晶體 。
複選題
104. 有關音響喇叭系統,下列敘述何者正確? (A)輸入相同功率至不同喇叭系統,較大聲者效率較高(B)低音喇叭效率高,高音喇叭方向性較強 (C)二階二音路分音器之分頻點為
(D)喇叭的紙盆愈軟,低音域效果較佳 。
複選題
105. OCL 放大器中之差動輸入級使用恆流源電路,其原因為何? (A)提升電壓增益 (B)提升電路之 S/N 比 (C)穩定中點電壓 (D)提高 CMRR 。
複選題
106. OCL 放大器中輸入使用兩級串聯差動放大電路,其優點為何? (A)提升電壓增益 (B)提升電路之 S/N 比 (C)穩定中點電壓 (D)提高 CMRR 。
申論題 (0)
相關試卷
114年 - 02900 視聽電子 甲級 工作項目 08:電子儀表 CATV(有線電視) 1-39(2025/10/16 更新)#132289
114年 · #132289
114年 - 02900 視聽電子 甲級 工作項目 07:音響放大器 1-50(2025/10/16 更新)#132287
114年 · #132287
114年 - 02900 視聽電子 甲級 工作項目 06:影音光碟機 1-40(2025/10/16 更新)#132286
114年 · #132286
114年 - 02900 視聽電子 甲級 工作項目 05:電視機及顯示器 51-76(2025/10/16 更新)#132285
114年 · #132285
114年 - 02900 視聽電子 甲級 工作項目 05:電視機及顯示器 1-50(2025/10/16 更新)#132284
114年 · #132284
114年 - 02900 視聽電子 甲級 工作項目 04:收音機 1-50(2025/10/16 更新)#132283
114年 · #132283
114年 - 02900 視聽電子 甲級 工作項目 03:無線電學 251-297(2025/10/16 更新)#132282
114年 · #132282
114年 - 02900 視聽電子 甲級 工作項目 03:無線電學 201-250(2025/10/16 更新)#132281
114年 · #132281
114年 - 02900 視聽電子 甲級 工作項目 03:無線電學 151-200(2025/10/16 更新)#132280
114年 · #132280
114年 - 02900 視聽電子 甲級 工作項目 03:無線電學 101-150(2025/10/16 更新)#132279
114年 · #132279