阿摩線上測驗
登入
首頁
>
技檢◆視聽電子-甲級
> 114年 - 02900 視聽電子 甲級 工作項目 03:無線電學 101-150(2025/10/16 更新)#132279
114年 - 02900 視聽電子 甲級 工作項目 03:無線電學 101-150(2025/10/16 更新)#132279
科目:
技檢◆視聽電子-甲級 |
年份:
114年 |
選擇題數:
50 |
申論題數:
0
試卷資訊
所屬科目:
技檢◆視聽電子-甲級
選擇題 (50)
101. 某一電晶體放大電路,設 Zi=2.5K 歐姆,hi=3.2K 歐姆,hr=1.3×10
-4
,hf=100,ho=7.6×10
-6
歐姆,則輸入阻抗 Zi 為 (A)1.13K (B)2.14K (C)3.17K (D)4.51K 歐姆。
102. 欲使矽控整流器(SCR)導通須滿足 (A)工作於逆向偏壓,閘極有負極性電壓 (B)工作於逆向偏壓,閘極有正極性電壓 (C)工作於順向偏壓,閘極有負極性電壓 (D)工作於順向偏壓,閘極有正極性電壓 。
103. 某差動放大器之共模拒斥比 CMRR=60dB,差模增益 Ad=150,假設其共模輸入信號 Vc 為 1V 均方根值,則輸出之干擾雜訊的均方根值為 (A)0.15V (B)0.21V (C)0.30V (D)0.42V 。
104. 下列有關緩衝放大器的敘述何者有誤 (A)必須有很高的輸入阻抗 (B)輸出阻抗必須很小 (C)常被用於測量儀器的輸入級 (D)FET 電路中,最常被用為緩衝放大器的是共閘極組態 。
105. 某交流正弦波電源之頻率為 60Hz,正半週平均電壓為 100V,則交流電壓瞬間方程式應接近為 (A)V(t)=100 Sin 60t (B)V(t)=141.4 Sin 60t (C)V(t)=141.4 Sin 377t (D)V(t)=157.1 Sin 377t 。
106. 設陰極射線管(C.R.T.)垂直偏向靈敏度為 0.05cm/v,若欲設計示波器之垂直測量靈敏度為 0.5cm/mv,則所需的垂直放大倍數應為多少? (A)40dB (B)60dB (C)80dB (D)100dB 。
107. 欲設計一個非同步 10 模計數器,至少需要幾個正反器? (A)2 個 (B)4 個(C)6 個 (D)8 個 。
108. 使用 FET 的三節 RC 前引式移相振盪器,已知 R=10kΩ,C=0.01μf,求其振盪頻率? (A)1592Hz (B)1037Hz (C)650Hz (D)389Hz 。
109. 半波整流電路中,若負載為一電容器,則整流二極體所承受之逆向峰值電壓(PIV)為輸入交流電壓有效值的 (A)1.414 倍 (B)1 倍 (C)2.828 倍 (D)2倍 。
110. 使用一交直流電表分別測量一濾波電路的輸出信號,獲得 25V 直流電壓及峰值 EM=4V 之正弦交流電壓,則漣波百分比為 (A)15.3% (B)11.3% (C)5.3% (D)3.3% 。
111. 在共射極放大器上使用的射極傍路電容器其作用為 (A)防止短路 (B)濾去電源漣波 (C)提高電壓增益 (D)防止直流電通過 。
112. 有關電晶體之偏壓電路的工作點,下列何者受電晶體β值改變之影響最大? (A)固定偏壓電路 (B)集極回授偏壓電路 (C)自給偏壓電路 (D)射極回授偏壓電路 。
113. 射極隨耦器(E.F.)在電路中,最普遍用法是作為 (A)電流變換 (B)電壓變換(C)功率變換 (D)阻抗變換 。
114. 一般電晶體電路,常在偏壓電路旁附加一與電晶體同一特性之二極體,請問該二極體有何用處 (A)增加增益 (B)補償V
BE
對溫度之變化 (C)補償I
CO
對溫度之變化 (D)當回授二極體 。
115. 下列有關共射極組態的矽電晶體特性曲線何者錯誤? (A)集極特性曲線表示的是 V
CE
與 I
C
之間的關係 (B)基極特性曲線表示的是 V
CE
與 I
C
之間的關係 (C)繪製集極特性曲線時是以 I
C
為參考 (D)V
CE
對 V
BE
與 I
C
之間的關係影響不大 。
116. 在共汲(洩)極 MOS FET 電路中若 gm=1600μU,Rs=500Ω,則此放大器之增益約為 (A)0.5 (B)0.8 (C)2 (D)4 。
117. 共汲(洩)極放大器(MOS FET)具有下列特性 (A)高輸入阻抗,低輸出阻抗(B)低輸入阻抗,高輸出阻抗 (C)低輸入阻抗,低輸出阻抗 (D)高輸入阻抗,高輸出阻抗 。
118. 某一正弦調變信號將一峰對峰值為 20V 的載波做 70%調幅(AM),此正弦波形的峰值(E
P
)為多少 (A)14V (B)20V (C)10V (D)7V 。
119. 555IC 本身電路大致可分成五部份,即上比較器、下比較器、內部正反器、輸出驅動器及下列那一部份 (A)觸發電容 (B)分壓電阻 (C)逆向二極體(D)放電電晶體 。
120. 已知電源電壓為 V
DD
,且 CMOS IC 之 V
IH
=0.7V
DD
,VI L=0.3V
DD
,V
OH
=V
DD
,V
OL
=OV,如果該 IC 之工作電壓現為 V
DD
=10V,則其雜訊邊界(NOISE MARGIN)為多少? (A)1.5V (B)2.0V (C)3.0V (D)4.0V 。
121. 用一般的同步示波器觀察一峰對峰值 0.5V、頻率 3KHz 的對稱方波,如果要在螢幕上顯示 2~4 個完整週期,則其掃瞄速度應選擇在何位置?(假設時基微調置於 CAL 位置,而且沒有使用水平擴展) (A)0.1ms/div(B)0.2ms/div (C)0.5ms/div (D)1ms/div 。
122. 有一組三級串接放大電路,其電壓增益分別為:第一級 AV1=50,第二級 AV2=40,第三級 AV3=20,若第一級的輸入電壓 V
i
為 10μV,則第三級輸出電壓 V
0
為何 (A)0.04V (B)0.4V (C)4V (D)40V 。
123. 有關 RLC 串聯電路,下列何者錯誤 (A)若 X
L
=X
C
,則電壓與電流同相 (B)若 X
L
=X
C
,則功率因數為 0.5 (C)若 X
L
>X
C
,則呈電感性電路 (D)若 X
L
<X
C
,則呈電容性電路 。
124. 有一 J-K 正反器在不考慮控制輸入下,欲使其輸出為反態現象( ),則J、K 之輸入為何 (A)J=1,K=0 (B)J=1,K=1 (C)J=0,K=0 (D)J=0,K=1 。
125. 有一負載電阻 600Ω,以三用電表測得 20dBm,則負載電壓為多少? (A)0.775V (B)0.0675V (C)0.575V (D)7.75V 。
126. 一功率電晶體,其工作點之電壓,V
CEQ
=20V,工作點電流 I
CQ
=10mA,若熱阻 Q
SA
=14°C/W,Q
JC
=25°C/W,Q
CS
=16°C/W,而周圍溫度為 24℃,則電晶體的接面溫度 TJ 約為 (A)30℃ (B)35℃ (C)40℃ (D)45℃ 。
127. 有一放大器的信號主波為 1V,二次諧波為 30mV,三次諧波為 40mV(以上電壓值均為有效值),若四次以上諧波失真可忽略,則此放大器的總諧波失真為 (A)0.01 (B)0.02 (C)0.05 (D)0.5 。
128. 有一A類變壓器耦合放大器,若 =20V,變壓器線圈是 5:1,喇叭輸入阻抗為 8Ω,則最大輸出功率為 (A)0.1W (B)0.5W (C)0.25W (D)2W 。
129. 下列何者不是理想運算放大器應具有之特性? (A)CMRR=∞ (B)Ri=∞ (C)RO=∞ (D)BW=∞ 。
130. 有一電容器其 C=0.2F,兩端之電壓為 V=5sin4t,試求流經電容之電流為何? (A)sin4t (B)4sin4t (C)cos4t (D)4cos4t 。
131. R 為電阻,C 為電容,則 RC 的單位為何? (A)亨利 (B)秒 (C)法拉 (D)歐姆 。
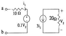
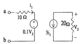
132. 下圖所示電路中,a、b 兩端等效電阻 R
in
為
(A)4 (B)5 (C)10 (D)1 Ω。
133. 下圖所示電路中,a、b 兩端戴維寧等效電壓為
(A)10 (B)5 (C)0.1 (D)0 伏特。
134. 當二極體的雜質濃度降低時下列何者不正確? (A)空乏電容降低 (B)切入電壓降低 (C)反向飽和電流增加 (D)空乏電容增加 。
135. 實驗係數η=1.5 的矽二極體,若電流由 0.1mA 變化至 10mA,則電壓變化量為何? (A)185mA (B)173mA (C)164mA (D)156mA 。
136. 若矽二極體在反向偏壓區內飽和電流是 0.1μA(T=20℃) ,當溫度升高至40℃時飽和電流是 (A)0.2μA (B)0.4μA (C)0.6μA (D)0.8μA 。
137. 變容二極體之敘述下列何者為正確? (A)用於自動頻率控制 (B)多用於順偏 (C)用於自動增益控制 (D)漏電流小 。
138. 如下圖所示電路,若 N
D1
=N
D2
,N
A1
>N
A2
當累增崩潰發生時,V
p
可使兩個二極體同時崩潰,則 V1 和 V2 之關係為何?
(A)V1>V2 (B)V1=V2 (C)V1<V2 (D)未定 。
139. 如下圖所示電路,假設為理想二極體,當 V1=-5V 時 Vo 為
(A)-3 (B)-5 (C)5 (D)3 V。
140. 理想全波整流器輸入電壓為 V(t)=2+3sin2t+cost V 則輸入電壓之有效值為 (A)3V (B)6V (C)5V (D)9V 。
141. 雙極性電晶體之結構可視為由何種接面組成 (A)基-射接面 (B)集-射接面 (C)集-基接面 (D)基-射接面及集-基接面 。
142. 當 BJT 之 B-E 接面為順偏,B-C 接面為順偏時,此 BJT 是操作再何種模式 (A)順向作用 (B)反向作用 (C)截止區 (D)飽和區 。
143. 有關 BJT 和 FET 的比較,以下敘述何者不正確? (A)在積體電路的製造上,BJT 比 FET 佔較大的空間 (B)BJT 和 FET 都是電壓控制的電流源 (C)作為放大器 FET 比 BJT 產生的雜訊低 (D)BJT 是雙載子元件,而 FET 為單載子元件 。
144. 共射極組態電晶體電路之α值有 0.04 的變動量(範圍為 0.99-0.95),則β的變動量為 (A)110 (B)99 (C)80 (D)19.8 。
145. 如下圖所示電路,Q 作為開關用,並以 LED 顯示 ON/OFF 狀態,若 LED壓降為 2V,
=0.2V,求
為
(A)3.2 (B)6.4 (C)4.8 (D)9.4 mA。
146. 如下圖所示電路,已知電晶體βV
CEO
=-6v,βV
CBO
=-70V 時,Vo 為
(A)30 (B)94 (C)70 (D)6V 。
147. 在魏德勒電流源如下圖所示電路中,若 V
cc
=30V,R=29.3KΩ,V
BE1
=0.7V,忽略I
B
求 I
C2
=10μA 時,R
2
值為
(A)8k (B)11.5k (C)16.5k (D)21k Ω。
148. 有關 BJT 放大器之三種組態,以下敘述何者不正確 (A)CB 失真最小,高頻響應佳 (B)CC 當緩衝器使用,避免負載效應 (C)輸出電阻 Ro 而言 CC>CE>CB (D)電壓增益 AV而言 CE>CB>CC 。
149. 有關達靈頓電路的特性下列何者不正確 (A)是由共集 CC 和共集 CC 電晶體所串接而成 (B)輸入阻抗很高 (C)輸出阻抗很低 (D)電壓增益很大 。
【已刪除】150. (本題刪題)如下圖所示電路,已知 Q1 和 Q2 電晶體相同,二者所處之環境也相同,皆工作於線性區時,此二電晶體的 h
ie
參數大小關係為
(A)Q1>Q2 (B)Q1=Q2 (C)Q1<Q2 (D)不一定 。
申論題 (0)
相關試卷
114年 - 02900 視聽電子 甲級 工作項目 08:電子儀表 CATV(有線電視) 1-39(2025/10/16 更新)#132289
114年 · #132289
114年 - 02900 視聽電子 甲級 工作項目 07:音響放大器 51-106(2025/10/16 更新)#132288
114年 · #132288
114年 - 02900 視聽電子 甲級 工作項目 07:音響放大器 1-50(2025/10/16 更新)#132287
114年 · #132287
114年 - 02900 視聽電子 甲級 工作項目 06:影音光碟機 1-40(2025/10/16 更新)#132286
114年 · #132286
114年 - 02900 視聽電子 甲級 工作項目 05:電視機及顯示器 51-76(2025/10/16 更新)#132285
114年 · #132285
114年 - 02900 視聽電子 甲級 工作項目 05:電視機及顯示器 1-50(2025/10/16 更新)#132284
114年 · #132284
114年 - 02900 視聽電子 甲級 工作項目 04:收音機 1-50(2025/10/16 更新)#132283
114年 · #132283
114年 - 02900 視聽電子 甲級 工作項目 03:無線電學 251-297(2025/10/16 更新)#132282
114年 · #132282
114年 - 02900 視聽電子 甲級 工作項目 03:無線電學 201-250(2025/10/16 更新)#132281
114年 · #132281
114年 - 02900 視聽電子 甲級 工作項目 03:無線電學 151-200(2025/10/16 更新)#132280
114年 · #132280