阿摩線上測驗
登入
首頁
>
技檢◆視聽電子-甲級
> 114年 - 02900 視聽電子 甲級 工作項目 03:無線電學 201-250(2025/10/16 更新)#132281
114年 - 02900 視聽電子 甲級 工作項目 03:無線電學 201-250(2025/10/16 更新)#132281
科目:
技檢◆視聽電子-甲級 |
年份:
114年 |
選擇題數:
50 |
申論題數:
0
試卷資訊
所屬科目:
技檢◆視聽電子-甲級
選擇題 (50)
複選題
201. 有關全減器之敘述,下列何者正確? (A)
(B)
(C)
(D)
。
複選題
202. 有關解碼器與解多工器之敘述,下列何者正確? (A)解多工器又稱為資料分配器 (B)解多工器事實上就是一組具有致能控制的解碼器 (C)邏輯IC74LS138 為 3 對 8 解碼器,亦可拿來做 1 對 8 解多工器使用 (D)若要完成 6 對 64 解碼器,只要使用 8 個 74LS138 即可完成 。
複選題
203. Y=A⊙B⊙C,若欲使 Y 的值為 1,則 ABC 值可能有那些組合? (A)000(B)010 (C)011 (D)111 。
複選題
204.
,若欲使 Y 的值為 1,則 ABC 值可能有那些組合? (A)000 (B)010(C)011 (D)111 。
複選題
205. 有關均勻截面積導線之電阻敘述,下列何者正確? (A)與導線長度成反比(B)與導線長度成正比 (C)與導線截面積成反比 (D)與導線截面積成正比 。
複選題
206. 有一電路經量測後發現其電壓為 v(t)=10sin(ωt )伏特,電流為i(t)=5sin( ωt-60°)安培,則此電路電流相位與電壓相位關係之敘述,下列何者正確? (A)電壓超前電流 60 度 (B)電流落後電壓 60 度 (C)電流超前電壓 30 度 (D)電流落後電壓 30 度 。
複選題
207. 如下圖電路所示,簡化成戴維寧等效電路,下列敘述何者正確?
(A)R
th
=20Ω (B)E
th
=20V (C)V
ab
=20V (D)V
ab
=10V 。
複選題
208. 有關諧振電路之敘述,下列何者正確? (A)串聯諧振時之輸入阻抗最小,而電流最大 (B)品質因數 Q 愈高,頻帶寬度愈寬 (C)RLC 並聯諧振時,Q值愈高,並聯分路中之電流有可能超過輸入電流源之電流值 (D)RLC 串聯諧振時,各個元件上之電壓降必小於電源電壓 。
複選題
209. 如下圖電路所示,有關 3 個電池之電功率之敘述,下列何者正確?
(A)24V 電池供應 12W,12V 電池供應 6W (B)12V 電池消耗 6W,8V 電池供應 4W (C)12V 電池供應 6W,8V 電池消耗 4W (D)24V 電池供應 12W,8V電池供應 4W 。
複選題
210. 如下圖電路所示之串聯電路,有關 RLC 組合部分之敘述,下列何者正確?
(A)電流均方根值 I=10A (B)平均功率 P=1000W (C)功率因數 P.F.=0.5(D)視在功率 S=1000VA 。
複選題
211. 如下圖電路所示,已知電晶體之 V
BE
=0.7V,V
CE (sat)
=0.2V,β=100。若欲設計電晶體工作在主動區(active region),則以下列的 R
C
、R
E
值組合,何者較適當?
(A)R
C
=1KΩ (B)R
C
=12KΩ (C)R
E
=200KΩ (D)R
E
=1MΩ 。
複選題
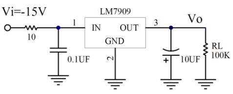
212. 有關穩壓 IC 7805 之敘述,下列何者正確? (A)固定電壓輸出為-5V (B)包裝可為 TO-220 型 (C)輸入電壓必須大於輸出電壓約 2.5V 以上且愈大愈好,穩壓 IC 才能正常工作 (D)通常在穩壓 IC 的輸入、輸出端各並聯電容C,以消除瞬間脈波 。
複選題
213. 有關電晶體放大三種組態之輸出入阻抗,下列敘述何者正確? (A)共基極輸入阻抗最高 (B)共射極輸出阻抗最低 (C)共集極輸入阻抗最高 (D)共基極輸入阻抗最低 。
複選題
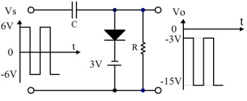
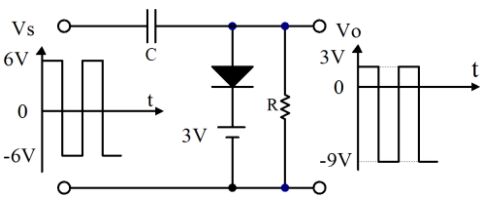
214. 有關箝位電路之敘述,下列何者正確? (A)又稱為直流再生器(DCrestore circuit) (B)能將輸入波形截除一部份,而剩餘部份不會失真 (C)主要組成元件為電晶體、電容及電阻 (D)輸出波形的平均直流準位大於輸入波形的平均直流準位,稱為正箝位電路 。
複選題
215. 如下圖所示整流電路,以直流電壓表測量輸出電壓 v
o
,若測得直流電壓約為 4V,則有可能的故障原因為何?
(A)D
3
開路 (B)D
1
或 D
4
開路 (C)D
4
開路 (D)D
3
或 D
4
短路 。
複選題
216. 某小信號放大電路,中頻電壓增益為 100,且其輸出功率為 100mW,低頻截止頻率為 1KHz,高頻截止頻率為 10KHz,則下列敘述何者正確?(A)輸入信號頻率為 100Hz 時,電壓增益約為 10 (B)輸入信號頻率為10KHz 時,電壓增益約為 50 (C)輸入信號頻率為 100Hz 時,輸出功率為70.7mW (D)輸入信號頻率為 10KHz 時,輸出功率為 50mW 。
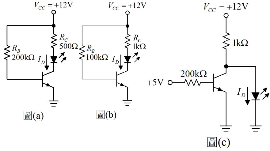
複選題
217. 在電子實驗中,使用如圖(a)~圖(d)四種接線方式驅動發光二極體(LED)。已知電晶體之
VBE
=0.6V,V
CE (sat)
=0.2V,β=100,LED 順向導通電壓 V
F
=2V,則 LED 亮度最亮及最暗之敘述何者正確?
(A)圖(c)最暗 (B)圖(d)最暗 (C)圖(a)最亮 (D)圖(b)最亮 。
複選題
218. 全波整流電路中,每只二極體的最大電流為 1A,各串聯一只 0.1Ω電阻之目的,下列敘述何者正確? (A)限流 (B)穩壓 (C)平衡兩個二極體所消耗的功率 (D)兩個二極體獲得熱平衡 。
複選題
219. 有關電源電路之敘述,下列何者正確? (A)輸出內阻愈小,電壓調整率愈小 (B)漣波因數 r(%)愈小愈好 (C)濾波電容愈小愈好 (D)半波整流電路成本較低且特性比全波整流好 。
複選題
220. 如下圖電路所示,那些為耦合電容?
(A)C
i
(B)C
E1
(C)C
E2
(D)C
2
。
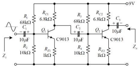
複選題
221. 如下圖電路所示,兩個電晶體的β值皆為 98,r
π
=1 KΩ,則此電路之輸入阻抗及輸出阻抗分別為何?
(A)輸入阻抗 20KΩ (B)輸入阻抗 8KΩ (C)輸出阻抗 68KΩ (D)輸出阻抗 6.8KΩ 。
複選題
222. 下列敘述何者正確? (A)FET 為電壓控制,BJT 為電流控制 (B)FET 與 BJT為皆為雙載子元件 (C)FET 輸入阻抗比 BJT 輸入阻抗低 (D)FET 可做壓控電阻器使用 。
複選題
223. 有一 BCD 解碼電路連接至七段顯示器,當 f 及 g 段連接恰好對調,下列那些數字顯示會不正常? (A)4 (B)3 (C)2 (D)1 。
複選題
224. IC7483 與 74283 皆為四位元的並加器,下列敘述何者錯誤? (A)74283 為四位元二進制加法器 (B)兩個 7483 就可完成八位元加法器 (C)無法組成減法器 (D)兩者最大不同在於電源接腳的位置 。
複選題
225. 如下圖電路所示,假設 Q1、Q2 之 hfe 為 100、V
BE
=0.7V、I
C
≒I
E
、I
B2
<<I
3
、I
4
,若 Vi=30V、R3=6.8KΩ、輸出電壓 VL 為 15V 時,則下列敘述何者正確?
(A)VR1=6.8KΩ (B)V
F
=7.5V (C)V
B1
=14.3V (D)I
1
=2.02mA 。
複選題
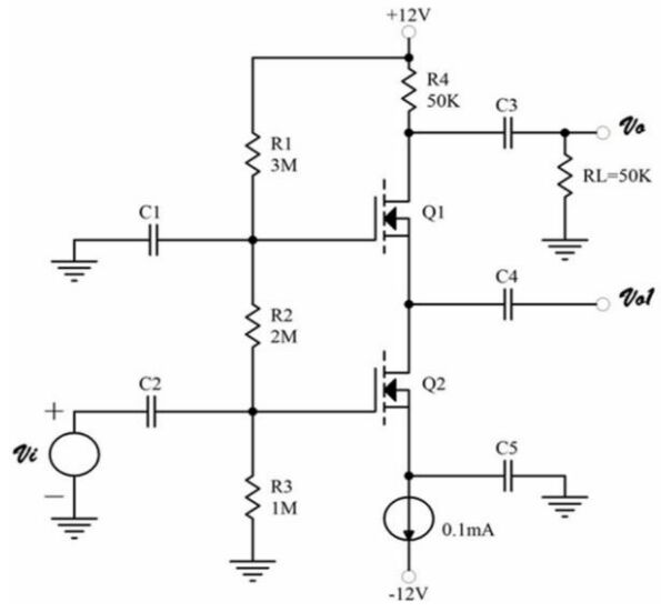
226. 如下圖電路所示,下列敘述何者正確?
(A)Q1 為共閘極(CG)組態 (B)Q2為共汲極(CD)組態 (C)此電路為串疊(Cascode)放大電路 (D)Q1、Q2 為 P通道增強型 MOSFET 。
複選題
227. 如下圖電路所示,假設 Q1、Q2 之特性相同,V
T
=1V、K=0.4mA/V
2
、r
d
=∞,下列敘述何者正確?
(A)V
G S1
=V
GS2
=2.5V (B)gm
1
=gm
2
=0.4mA/V (C)v
o
/v
i
=10 (D)v
o1
/v
i
=-10 。
複選題
228. 當溫度上升時,有關熱阻器(NTC)和敏阻器(PTC)之敘述,下列何者正確? (A)熱阻器阻值增加 (B)敏阻器阻值增加 (C)熱阻器阻值減少 (D)敏阻器阻值減少 。
複選題
229. 有關哈特萊振盪器之敘述,下列何者正確? (A)是在儲能電路之線圈設一中間抽頭形成負載線圈與回授線圈,利用此線圈完成正回授 (B)負載線圈與回授線圈之比為 2:1 (C)調整儲能電路之可變電容可決定電路是否振盪(D)依直流電源供應方式可分為串饋式與並饋式兩種 。
複選題
230. 有關負電阻元件之敘述,下列何者正確? (A)可為電壓控制元件,如單接面電晶體(UJT) (B)可為電流控制元件,如隧道二極體(Tunnel Diode) (C)負電阻本身不會消耗功率且能製造功率 (D)可用於振盪電路提供正回授到LC 儲能電路 。
複選題
231. 有關間歇振盪器之敘述,下列何者正確? (A)又稱為阻塞振盪器 (B)通常用於示波器之掃瞄產生器 (C)導電期間可接受外在控制 (D)利用高耦合係數之變壓器完成回授 。
複選題
232. 三角波產生器主要包含那兩個部分 (A)弦波振盪器 (B)斜波產生器 (C)截波器 (D)比較器 。
複選題
233. 陸地行動通訊的電波傳送方式有那些? (A)直射波 (B)反射波 (C)散射波 (D)地表面波 。
複選題
234. 為何高頻功率須採熱量測定的方式測量? (A)高頻電壓、電流測量困難(B)頻率高無儀器可直接測量 (C)高頻信號易產生電磁波發射 (D)高頻電路極易受溫度影響 。
複選題
235. 如下圖電路所示,若電晶體β=99、V
BE
=0.7V,則 I
B
與 I
c
電流為何?
(A)I
B
= 298μA (B)I
c
= 29.5mA (C)I
B
=20.2μA (D)I
c
= 2mA 。
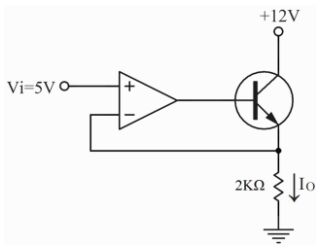
複選題
236. 如下圖電路所示,若運算放大器為理想且電晶體工作在順向作用區,則下列敘述何者正確?
(A)當 Vi=5V 時 OPA 輸入具有「虛短路」特性 (B)OPA 作為比較器使用故輸入不具有「虛短路」特性 (C)I
O
=2.5mA (D)電晶體之消耗功率為 17.5mW 。
複選題
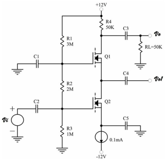
237. 如下圖所示電路,假設運算放大器為理想,則下列敘述何者正確?
(A)VO為三角波且 V
O(P- P)
=15V (B)VO為方波且 V
O(P- P)
=15V (C)V
O
為三角波且VO頻率為 500Hz (D)V
O
為方波且 V
O
頻率為 125Hz 。
複選題
238. 如下圖所示電路,假設 V
T
=4V 且已知 V
GS
=10V 時 I
D
=7.2mA,若V
DD
=24V 且欲使 V
DS
=8V,則下列敘述何者正確?
(A)Q
1
為增強型 P 通道MOSFET (B)Q
1
工作屬空乏模式 (C)Q
1
K 值 0.2mA/V (D)R
D
為 5KΩ 。
複選題
239. 如下圖所示電路,假設運算放大器為理想且所有電晶體 V
BE
皆為 0.7V,若 V
A
=5V、V
B
=3V,則下列敘述何者正確?
(A)Q
1
、Q
2
、Q
3
均為導通 (B)此時 OPA 作為電壓隨耦器使用 (C)輸出電壓 V
O
=5V (D)Q
1
、Q
2
為導通、Q
3
為截止 。
複選題
240. 有關電源電路中濾波電路,下列敘述何者錯誤? (A)濾波電路的主要目的為消除漣波,其功能如同一高通濾波電路 (B)漣波因數(Ripple Factor,r%)判斷濾波電路好壞的指標,r%愈小漣波成分愈大 (C)當濾波電容愈大或負載變輕(輕負載)時,輸出波形之 r%會愈小 (D)π型濾波器是將RC 濾波電路中之電容 C 以電感 L 取代,輸出波形之 r%會愈小 。
複選題
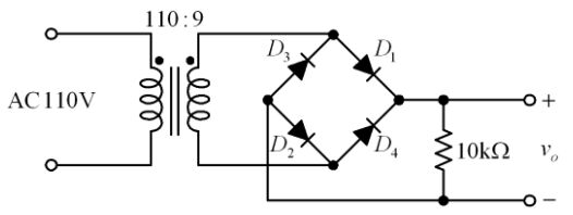
241. 有關振盪器之敘述,下列何者正確? (A)正回授為振盪器之必要條件 (B)韋恩電橋振盪器因同時存在正/負回授,故可使用「虛接地」特性,方便分析與計算 (C)RC 相移振盪器之回授電路需用 3 節 RC 電路,故會造成衰減,必須搭配增益為 29 倍的放大器使用 (D)石英晶體振盪器為振盪頻率最穩定之射頻(RF)弦波振盪電路 。
複選題
242. 有關半導體之敘述,下列何者錯誤? (A)P 型半導體帶正電、N 型半導體帶負電 (B)P 型半導體是本質半導體摻雜 5 價元素所形成 (C)外質半導體帶正電、本質半導體為電中性 (D)矽(Si)質半導體之逆向崩潰電壓(V
BR
)較鍺(Ge)質半導體為高 。
複選題
243. 有關二極體之敘述,下列何者錯誤? (A)二極體 PN 接面因外加電位高低差導致產生漂移電流 (B)二極體 PN 接面因載子濃度不均勻導致產生擴散電流 (C)二極體 PN 接面因順向偏壓注入載子形成擴散(儲存)電容 (D)二極體 PN 接面因逆向偏壓空乏區變大形成過渡(空乏)電容 。
複選題
244. 如下圖所示電路,假設運算放大器為理想,輸入電壓 V
i
=1V 若則輸出電壓 V
o1
、V
o2
、V
o
為何?
(A)V
o1
=10V、V
o2
=-10V (B)V
o1
=-10V、 V
o2
= 10V (C)V
o
=20V (D)V
o
=24V 。
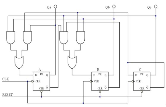
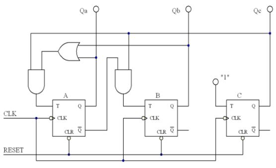
複選題
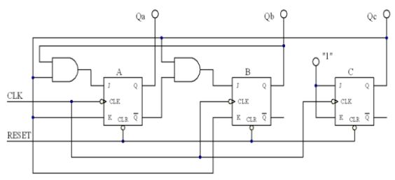
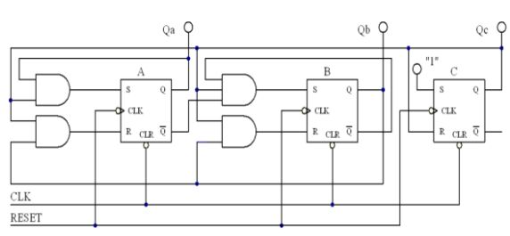
245. 如下圖電路所示,由四種正反器所組成之電路,何者為除六電路? (A)
(B)
(C)
(D)
。
複選題
246. 如下圖電路所示,下列何者輸出電壓為正確?(A)V
O
=5V
(B)V
O
=6V
(C)V
O
=–12V
(D)V
O
=–9V
。
複選題
247. 下列四種截波電路之輸出波形,何者正確?(A)
(B)
(C)
(D)
。
複選題
248. 若箝位電路中 R、C 之時間常數均遠大於輸入訊號之週期,下列輸出波形何者正確?(A)
(B)
(C)
(D)
。
複選題
249. 如下圖電路所示,已知電晶體β= 200,V
BE
= 0.7 V,ηV
T
≒25 mV,將電晶體用小信號模型代入後則下列敘述何者正確?
(A)Ri≒100 k //[(1 k//1 k)× 200]≒50 kΩ (B)A
V
=V
O
/V
S
≒200/(200+1) (C)A
V
複選題
250. 如下圖電路所示,假設 NPN 型電晶體參數 V
BE
=0.6 V,β= 100,ηV
T
≒25 mV,則下列選項敘述何者正確?
(A)V
CB
=7.7V (B)I
E
=2.2mA (C)V
C
=10.6V (D)A
V
=60 。
申論題 (0)
相關試卷
114年 - 02900 視聽電子 甲級 工作項目 08:電子儀表 CATV(有線電視) 1-39(2025/10/16 更新)#132289
114年 · #132289
114年 - 02900 視聽電子 甲級 工作項目 07:音響放大器 51-106(2025/10/16 更新)#132288
114年 · #132288
114年 - 02900 視聽電子 甲級 工作項目 07:音響放大器 1-50(2025/10/16 更新)#132287
114年 · #132287
114年 - 02900 視聽電子 甲級 工作項目 06:影音光碟機 1-40(2025/10/16 更新)#132286
114年 · #132286
114年 - 02900 視聽電子 甲級 工作項目 05:電視機及顯示器 51-76(2025/10/16 更新)#132285
114年 · #132285
114年 - 02900 視聽電子 甲級 工作項目 05:電視機及顯示器 1-50(2025/10/16 更新)#132284
114年 · #132284
114年 - 02900 視聽電子 甲級 工作項目 04:收音機 1-50(2025/10/16 更新)#132283
114年 · #132283
114年 - 02900 視聽電子 甲級 工作項目 03:無線電學 251-297(2025/10/16 更新)#132282
114年 · #132282
114年 - 02900 視聽電子 甲級 工作項目 03:無線電學 151-200(2025/10/16 更新)#132280
114年 · #132280
114年 - 02900 視聽電子 甲級 工作項目 03:無線電學 101-150(2025/10/16 更新)#132279
114年 · #132279