所屬科目:機械原理(機械概論、大意)
4.若回歸輪系之輪系值為 ,則下列何種齒輪配合可以採用? (A) (B) (C) (D)
6.有一回歸齒輪系,已知輪系值e=+1/6 ,若兩軸相距12吋,且齒輪之徑節為4,則下列何組可以採用? (A) (B) (C) (D)
7.如圖所示之輪系,A輪齒數為20齒,B輪齒數為40齒,內齒輪C之齒數為100齒,若A輪轉速為順時針方向400rpm,則C輪之轉向及轉速為多少rpm? (A)順時針方向40rpm (B)逆時針方向40rpm (C)逆時針方向80rpm (D)順時針方向80rpm。
11.如圖所示之輪系組合,若A軸順時針50rpm,則C軸與B軸的轉速分別為 (A)200,1250 rpm (B)1000,200 rpm (C)200,1000 rpm (D)250,100 rpm。
12.如圖之齒輪系,齒輪 A 120 齒逆時針每分鐘-3迴轉,若要使齒輪B 60齒順時針每分鐘+12迴轉時,連臂C 之轉向及每分鐘迴轉數(rpm)為 (A)順時針+2rpm (B)順時針+20rpm (C)逆時針-27rpm (D)逆時針-20rpm。
14.如圖所示之輪系,A輪齒數為20齒,B輪齒數為40齒、內齒輪C之齒數為100齒,若A輪轉速為順時針方向200rpm,則C輪之轉向及轉速為多少rpm? (A)逆時針方向40rpm (B)逆時針方向80rpm (C)順時針方向40rpm (D)順時針方向80rpm。
18.如圖之周轉輪系,若輪2轉速+6,轉4轉速為-9,試求輪5之轉速。(設旋臂桿繞輪2軸心旋轉) (A) (B) (C) (D)
23.如圖所示的傳動裝置,A與B為漸開線正齒輪,其模數為5,中心距離為300mm,且齒輪A的齒數為80齒;C與D為皮帶輪,C的直徑為300mm,D的直徑為100mm。若齒輪A以50 rpm旋轉,則皮帶輪D的轉速為多少rpm? (A)25 (B)75 (C)150 (D)300。
25.如圖所示複式齒輪周轉輪系,若A軸順時針迴轉38次,E輪固定不動,則輪系臂之轉速為 rpm。 (A)16 (B)-16 (C)32 (D)-32。
26.如圖所示之輪系,若A軸順時針迴轉25rpm,則其輪系值與B、C軸的轉速(rpm)為 (A)e=10 ,Nb=-50 ,NC=250 (B)e=-10 ,Nb=100 ,NC=250 (C)e=10 ,Nb=-25,NC=-250 (D)e=1/10 ,Nb=250,NC=-50
27.如圖所示之斜齒輪周轉輪系,若輪7順時針34rpm,輪2逆時針15rpm,則輪1轉速為若干rpm? (A)4 (B)-4 (C)8 (D)-8。
28.一輪系值e = 30之齒輪輪系,設每輪齒數不得少於12,則此輪系之各齒輪齒數配合應為 (A) (B) (C) (D)以上皆非。
29.如圖,利用蝸輪、齒輪組成之齒輪系,各齒輪之齒數 A30、 B54、 C36、 D24、 F15各註明於附圖上,試求此齒輪系值(e)及原動輪 A30為每分鐘600迴轉時,蝸輪 F15之每分鐘迴轉數為 (A)(B) (C) (D)。
30.圖為一將動力由軸1傳至軸4之齒輪系,請問它是一 (A)變換轉向機構 (B)變換轉速機構 (C)變換進給機構 (D)以上皆非。
31.如圖所示,B 、C 、D 、E 四齒輪組成一周轉輪系, B為100齒, C為50齒, D為80齒, E為20齒, 輪軸固定,若 B依順時針方向迴轉6次, D依反時針方向迴轉9次,求E 之迴轉次數及方向 (A)41rpm,順時針方向 (B)41rpm,逆時針方向 (C)31rpm,順時針方向 (D)51rpm,逆時針方向。
32.如圖所示之輪系,A輪100齒,B輪25齒,C輪125齒,D輪25齒,若A輪是主動輪,D輪是從動輪,則輪系值為 (A)1 (B)20 (C)1/10 (D)10。
34.如圖所示之周轉輪系,A為80齒,B為40齒,旋臂C每分鐘順時針3轉(Nc =+3rpm),A輪每分鐘逆時針2轉(Na =-2rpm),則B輪之轉速為 (A)-6 rpm (B)+1 rpm (C)+13 rpm (D)-13 rpm。
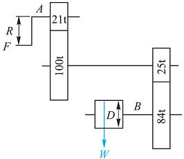
35.一起重機輪系,如圖所示,圓筒直徑D = 320mm,手柄半徑R = 320mm,若F為10N,則能舉起重物W為若干N?(不計摩擦損失) (A)640 (B)160 (C)320 (D)800。
36.如圖所示之輪系,若60齒之齒輪逆時針1rpm,則20齒的齒輪為 (A)逆時針6rpm (B)順時針6rpm (C)順時針4rpm (D)逆時針4rpm。
38.一周轉輪系機構如圖所示,NA=10rpm順時針旋轉,NB=6rpm順時針旋轉,則C輪轉速與旋轉方向為何?
(A)8rpm順時針旋轉 (B)8rpm逆時針旋轉 (C)10.5rpm順時針旋轉 (D)10.5rpm逆時針旋轉。
40.如圖所示之周轉輪系,若輪2轉速為+3,旋臂轉速為-1,試求輪5、輪4之轉速分別為若干(旋臂繞輪2軸心旋轉)? (A)-19,+6 (B)-21,+4 (C)+19,-6 (D)+9,-3.5。
44.有一組齒輪系如圖, 輪20齒, 輪40齒, 輪30齒, 輪50齒,設 為主動輪, D為被動輪,則此輪系之速比 和轉向為 (A) 同向 (B) 反向 (C) 同向 (D) 反向。
46.如圖所示之皮帶輪系中,其直徑A、B、C、D輪分別為15、25、20、45cm,若NA = 375rpm順時針,無滑動損失時,則ND為 (A)100rpm順時針 (B)40rpm順時針 (C)40rpm逆時針 (D)300rpm順時針。
48.如圖所示之輪系,若A軸逆時針120rpm,則C軸轉速與轉向為 (A)40rpm,順時針 (B)360rpm,逆時針 (C)240rpm,順時針 (D)240rpm,逆時針。
49.如圖, A為旋臂,B 、C 各為具有24、18齒之齒輪,A ,B 及 組成一周轉輪系,齒輪B若被固定,若旋臂依順時針方向旋轉100轉,則齒輪C (A)順時針方向75轉 (B)逆時針方向125轉 (C)順時針方向233.3轉 (D)順時針方向76轉。
50.如圖所示之行星齒輪系,A代表臂桿,S為太陽齒輪,P為行星齒輪,R為環齒輪,齒數分別為TS = 72,TP = 18,TR = 108,若S之轉速為600rpm順時針,A之轉速為300rpm順時針,試求環齒輪R之轉速與轉向(A)100rpm,順時針(B)100rpm逆時(C)150rpm,逆時針(D)200rpm,順時針