所屬科目:基本電學(概要)
一、進入某元件正端點的電荷 q 如圖(一)所示,若 t = 6 ms 時,元件兩端電壓5 V,請計算釋放到該元件的電流與功率。(20分)
二、如圖(二)所示電路,請計算 、 I3 與 I2 。(25分)
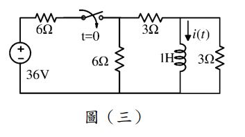
三、如圖(三)所示電路,開關在 t =0 時閉合,若 ,請計算 t >0 時, 1 H 看出去的戴維寧等效電路,以及流過1 H 的電流 i (t ) 。(25分)