所屬科目:教甄◆電子科/資訊科/電機科/冷凍空調科/控制科/電機空調科
5. 某高工生欲設計超前型與落後型之RC相移震盪電路,若所有使用的電子元件完全相同 ,且忽略負載效應(放大器與回授網路各自分開分析),則超前型RC相移震盪電路的輸 出頻率為落後型的幾倍? (A)6倍 (B) 1 倍 (C) 倍 (D) 倍。
7. 如下圖所示之電路為兩燈一電容法測定三相相序之電路,若L1比L2亮,則相序為? (A)R-S-T (B)R-T-S (C)T-S-R (D)S-R-T。
10. 某工廠欲裝設電容器以改善功率因數,因此電容器裝設之位置應置於何處才能得到實 際效果,如下圖所示之電路為電容器可能裝設之四個位置,請依最理想的位置依次排 列。 (A)C1,C2,C3,C4 (B)C2,C1,C3,C4 (C)C3,C4,C1,C2 (D)C4,C3,C1 ,C2。
21. 如下圖所示之電路,稽納二極體之稽納電壓(VZ)為 6.8V,二極體之障壁電壓(VD)為 0.7V,材料常數(η)為 1,熱當電壓(VT)為 25mV,試求二極體之動態電阻(rd)為多少? (A)4Ω (B)5Ω (C)7.8Ω (D)10Ω。
22. 如下圖所示之電路,若 VCC = 20V,R = 1kΩ,R1 = 1kΩ,R2 = 2kΩ,RL = 10kΩ,VZ = 5V,OPA 為理想,則 VL為多少伏特? (A)5V (B)15V (C)20V (D)25V。
23. 如下圖所示之電路為 FET 放大電路,VDD=20V,RS=1kΩ,RD=4kΩ,RG=10MΩ,另 外 IDSS=16mA,VGS(OFF)= -4V,則下列何者錯誤? (A)VGS= -2.5V (B)ID=2mA (C)gm=3mS (D)AV= -3。
24. 如下圖所示之電路,有 A、B 二線圈,NA=50 匝,NB=100 匝,在 0.1 秒時 A 線圈通 過 3A 電流,產生 6✖ 106 馬克斯威爾(Maxwell)磁通,其中有 3✖ 106 馬克斯威爾 (Maxwell)交縺至 B 線圈,則 B 線圈之感應電勢為多少伏特? (A)edc = 15V (B)edc = -15V (C) edc = 30V (D) edc = -30V。
25. 如下之左圖為 RC 並聯電路,右圖為其串聯等效電路,試求右圖之 R 及 XC各為多 少? (A)10Ω,20Ω (B)20Ω,10Ω (C)25Ω,50Ω (D)50Ω,25Ω。
26. 有一個串級放大電路,其輸入Vi為0.01VP-P的正弦波信號,若使用示波器CH1 (VOLTS/DIV旋鈕設為50mV/DIV)測量第一級輸出V o1,CH2(VOLTS/DIV旋鈕設 為 2V/DIV)測量第二級輸出Vo2,觀測到的波形如下圖所示,則此串級放大電路的電 壓增益下列何者正確? (A)第一級電壓增益為20dB (B)第二級電壓增益為40dB (C)總電壓增益為58dB (D)總電壓增益為900 dB。
27. 如下圖所示為某濾波電路之頻率響應圖,其中 fL=5KHz、fH=20KHz,則該濾波電路 之品質因數(Q)應為多少? (A) (B) (C) (D) 。
一、填充題(共 42 分) 1. 如下圖所示之電路,求Vo 會隨Vi 呈線性變化的Vi 範圍為何?_______ (2分)
3. 如下圖所示之電路為達靈頓電晶體電路,若Q1與Q2所有特性完全相同,二者所處的環境亦相同 ,且皆在主動區工作,則此二電晶體之參數rπ2是rπ1的幾倍? _________ (2分)。
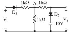
4. 如下圖所示之電路稽納二極體電路中,試求負載電阻在何範圍下可使稽納二極體具有穩壓的功 能?________________(2分)
5. 如下圖所示之電路為變壓器耦合串級放大電路,已知Q1之gm1=6mS,Q2之gm2=2mS,均忽略輸出電阻rd,若R1=R3=750KΩ,R2=R4=250KΩ,RS=1KΩ,RD=4KΩ,變壓器之匝數比(N1:N2) 為10:1,試求總電壓增益AVT為何? 240(3分)。
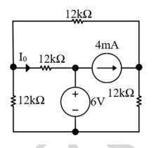
6. 如下圖所示之電路,求Io之值為? _________(2分)。
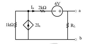
7. 如下圖所示之電路,負載RL兩端之(1)戴維寧等效電壓Eth= (1)__(2分),(2)等效電阻Rth = (2)_____(2分)。
8. 如下圖所示的材料相對導磁係數為3.18,試求圖中所示磁通方向的磁阻約為多少? ___________ (2分)。
10. 如下圖所示之電路,試求總電流(I)= (1)______(2分)及電源提供之功率(P)= (2)__________(2分)。
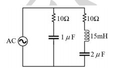
11. 如下圖所示之RLC交流電路,當電路產生諧振時,試求其諧振頻率fo為何?____________(2分)。
12. 當兩塊永久磁鐵其磁極極性及相對擺放位置如下圖所示,會產生數組封閉的磁力線,試於圖 中畫出磁鐵外部之磁力線,每組磁力線只以一條線表示即可。____________ (磁鐵內部磁力線不 需畫出,但需標示磁力線之方向,且需符合磁力線之特性才給分,3分)。
15. 三個單相變壓器,接成 Y-△,但 a、b 兩點尚未接上,極性如下圖所示。已知變壓器二次側每 相電壓為 110V,則 ab 兩端之電壓應為?______(2 分)。
三、證明題(共 9 分) 1. 如下圖所示之電路,試證明。(5分)。
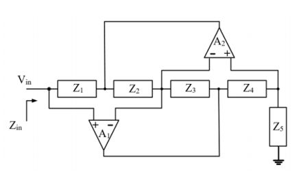
2. 如下圖所示之電路,OPA為理想,試證明Zin= Z1Z3Z5 / Z2Z4。(4分)。