所屬科目:教甄◆電子科/資訊科/電機科/冷凍空調科/控制科/電機空調科
10. 如下圖所示電路,假設 ABC 初始值為 111,經過 5 個時序脈波後,何者為 ABC 輸出值? (A) 001 (B) 010 (C) 111 (D) 100
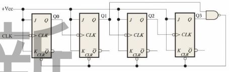
11. 如下圖最可能為何種計數器? (A) BCD 計數器 (B) 環狀計數器 (C) 移位計數器 (D) 詹森計數器
12.下圖為一 DTL NAND 閘電路,請問 Q1 電晶體的作用為何? (A) 穩壓 (B) 截波 (C) 保護 (D) 提高扇出數
13. 如下圖所示,此導體材料其電阻係數為 4×10-8 (Ω- m),電流方向如圖所示,試求其電阻值? (A) 2×10-3Ω (B) 4×10-3Ω (C) 6×10-3Ω (D) 8×10-3Ω
14. 如下圖所示電路,求出 A、B 兩端之等效電阻 RT=? (A) 2 Ω (B) 4 Ω (C) 8 Ω (D) 10 Ω
15. 如下圖所示,求出電流 I 為多少安培? (A) 2 安培 (B) 4 安培 (C) 6 安培 (D) 8 安培
17. 在下圖中,vc(0)=15 V,試求 t > 0 時的 vx為何? (A) 1.5e-2.5t V (B) 3e-2.5t V (C) 6e-2.5t V (D) 9e-2.5t V
18. 下圖二極體電路可視同為何種邏輯閘? (A) AND (B) OR (C) NOT (D) XOR
19. 如下圖所示電路,輸出直流電壓約為幾伏特? (A) 50 (B) 100 (C) 141 (D) 200
20. 如右圖 pnp 電晶體電路(VBE=0.7V,β=75),請求出 Ic =? (A) 0.1mA (B) 0.2mA (C) 0.3mA (D) 0.4mA
21. 如右圖所示之差動放大器,若欲提高其共模拒斥比(CMRR),可將電路中的射極電阻 RE 以下列何者取代最佳? (A) 定電壓源 (B) 定電流源 (C) 定電感 (D) 定電容
23. 如下圖電路,假設 OPA 為特性理想,求其電壓增益 Vo / Vin 為何? (A) 6 (B) 7 (C) 8 (D) 9
24. 如下圖儀表放大器何種特性敘述錯誤? (A) 高開迴路增益 (B) 高共模拒斥比 (C) 需用於穩定性低的電路 (D) 高輸入阻抗
25. 某 FET 工作在飽和區,其 iD-VGS 關係如圖所示,iD是流入汲極之電流,則此 FET 為何? (A) 增強型 NMOS (B) 增強型 PMOS (C) 空乏型 NMOS (D) 空乏型 PMOS
26. 試求出下圖電路在直流工作點(Q)時的 IDQ 為何? (A) 1 mA (B) 2 mA (C) 3 mA (D) 4 mA (E)均給分
27. 如下圖鎖相迴路(PLL),G 所採用的電路應是? (A) 電壓增益放大電路 (B) 諧振電路 (C) 米勒晶體振盪電路 (D) 電壓控制頻率振盪電路