所屬科目:電路學
一、試求圖一所示耦合電路之弦波穩態電壓 v2 (t ) ,其中 is (t ) = 10cos t A 。
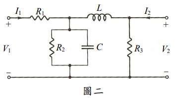
二、試求圖二所示雙埠網絡之傳輸參數矩陣(transmission parameter matrix) T。
三、設一 RLC 串聯電路施加以頻率可調之交流電源 , 已知 f = 5 kHz 時之電路參數為 R = 10 Ω , ,試求其諧振頻率 f 0 與串聯諧振電路之品質因數 Q0,以及電路諧振時各電路元 件之端電壓峰值,並求得使 端電壓值最大之電源頻率 f *,以 及對應之 端電壓最大值。
四、設 一 Y-Y 接不平衡三相四線制系統中 , 不平衡 Y 接三相負載 :,外接至平衡三相線電 壓: , 試求該 Y 接三相負載消耗之總平均功率。