所屬科目:技檢◆視聽電子-丙級
28. 下圖所示電路是屬於(A)C 類推挽放大器(B)B 類推挽放大器(C)AB 類推挽放大器(D)A 類推挽放大器。
30. 欲用 NAND 或 NOR 閘組成反相器(NOT Gate)下列何種接法是錯誤的? (A) (B) (C) (D)
34. 為(A)起動器(B)燈絲(C)電容器(D)氖燈。
35. 下圖中之電路偏壓與電流求其為若干(A)20μA(B)94μA(C)10mA(D)50mA。
42. 如下圖所示,係為一 SUS 的單向開關其未標明之一極為(A)源極(B)射極(C)閘極(D)洩極。
51. 如下圖所示,稽納二極體之稽納電壓為 9V,則輸出電壓為(A)9V(B)12V(C)6V(D)1V。
53. 求下圖電路中 Rz 為若干(A)50Ω(B)300Ω(C)100Ω(D)200Ω。
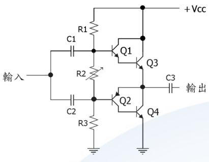
62. 如下圖中 Q1 與 Q3 構成何種連接(A)BC 連接(B)達靈頓連接(C)限流裝置(D)CE 連接。
67. 下圖符號為(A)NOT GATE(B)OR GATE(C)NAND GATE(D)AND GATE。
71. 如圖所示,I=?(A)3(B)1(C)2(D)4 A。
80. 如下圖所示,電路之時間常數為(A)100 秒(B)0.1 秒(C)10 秒(D)1 秒。