所屬科目:高中技藝◆數位電子
1. 如圖(一)所示之波形圖,其工作週期(Duty cycle)為何?
(A) 5% (B) 25 % (C) 50 % (D) 75 %
2. PN 二極體中的漂移電流(Drift current)形成的原因為何? (A) P 型區與 N 型區載子的濃度不同 (B) P 型區與 N 型區載子的移動率不同 (C) 空乏區正負離子的電場 (D) 空乏區的少數載子
3. 如圖(二)所示之電路,假設PN二極體( D )導通時之電壓與電流關係為vD = 0.6 + iDrD V,其中rD為二極體之內阻,其值為 20 Ω 。求輸出電壓vD約為何?
(A) 2.4 V (B) 2.1 V (C) 1.8 V (D) 0.7 V
4. 如圖(三)所示之電路,求流經稽納(Zener)二極體之電流為何?
(A)0 A (B) 0.3 mA (C) 0.5 mA (D) 0.7 mA
5. 如圖(四)所示之截波電路,假設 PN 二極體導通時之電壓VD = 0.7 V,vi (t) = 10 sin(377?) V,求輸出電壓vo之最大值為何?
(A) 10 V (B) 3.7 V (C) 2.3 V (D) 0 V
6. 如圖(五)所示之 LED 閃爍電路,假設雙極性電晶體(BJT)之 β = 100,VBE = 0.7 V, VCE(sat) = 0.2 V,且 LED 之導通電壓VD(ON) = 1.5 V,導通電流ID(ON) = 10 mA。欲使 BJT 工作在飽和區與截止區,則VBB電壓至少需為何?
(A)4.7 V (B) 5 V (C) 5.7 V (D) 7.3 V
7. 假設雙極性電晶體(BJT)之β =99,VBE = 0.7 V,求直流工作點電壓VCEQ大約為何?
(A) 4.7 V (B) 3.3 V (C) 2 V (D) 1.7 V
8. 承上題電路,假設熱電壓VT = 25 mV,求交流輸入阻抗Ri=? (A) 3.3 kΩ (B) 214 kΩ (C) 330 kΩ (D) 600 kΩ
9. 假設放大器之中頻段的增益Av(mid) = 100 V/V,則截止頻率(Cuf-off frequency)點所 對應之電壓增益為何? (A) 100 V/V (B) 97 V/V (C) 70.7 V/V (D) 50 V/V
10. 一個由 NPN 雙極性電晶體(BJT)所組成之共射極放大器,假設 BJT 之直流工作點電 流ICQ = 2 mA,熱電壓VT = 25 mV,集極端電阻RC = 8 kΩ,並接一負載RL = 8 kΩ, 則含RL之電壓增益Av=? (A) 80 V/V (B) – 80 V/V (C) – 160 V/V (D) – 320 V/V
11. 某一串級放大器之二次諧波失真?2與三次諧波失真D3分別為D2 = 0.2,D3 = 0.1, 其餘諧波忽略不計,則總諧波失真率DT=? (A) 0.41 (B) 0.3 (C) 0.22 (D) 0.18
12. 如圖(七)所示為一電壓放大器之等效電路,假設Ri = 10 kΩ,Ro = 2 kΩ,且開路電壓增益Avo = 20 dB。當串接二個這樣的放大器形成一個二級的串級放大器,並接上 一負載RL = 8 kΩ,則總電壓增益AvT=?
(A) 66.7 V/V (B) 133.3 V/V (C) 277.7 V/V (D) 400 V/V
13. 如圖(八)所示之 N 通道接面型場效電晶體(JFET)電路,假設其夾止電壓(pinch-off voltage)VGs(p)= – 4 V,夾止飽和電流IDSS = 8 mA,求直流工作點之VDSQ=?
(A) 6 V (B) 5 V (C) 4 V (D) 3 V
14. 如圖(九)所示之 N 通道空乏型 MOSFET 電路,假設其夾止飽和電流IDSS = 18 mA, 夾止電壓VGS(p)= – 3 V,求直流工作點之VGSQ=?
(A) –1 V (B) –2 V (C) 1 V (D) 2 V
15. 如圖(十)所示為一 P 通道增強型 MOSFET 電路,假設參數k = 4 mA/V 2,臨界電壓 VGS(t)= –0.5 V,求此 MOSFET 導通之電流ID=?
(A) 2 mA (B) 4 mA (C) 8 mA (D) 9 mA
16. 如圖(十一)所示為一 N 通道接面型場效電晶體(JFET)放大電路,假設其夾止電壓 VGS(p)= –3 V,夾止飽和電流IDSS = 9 mA,求電壓增益Av=?
(A) – 3 V/V (B) – 6 V/V (C) – 9 V/V (D) – 12 V/V
17. 如圖(十二)所示為一理想運算放大器(OPA)電路,求輸出電壓VO=?
(A) 3 V (B) 6 V (C) 8 V (D) 9 V
18. 如圖(十三)所示為一理想運算放大器(OPA)組成之反相輸入臨界電壓比較器,求輸 出由正飽和輸出變成負飽和輸出之轉折電壓=?
(A) – 1.5 V (B) – 2 V (C) – 2.5 V (D) – 3 V
19. 如圖(十四)所示為石英晶體之等效電路,假設? = 40 Ω,L = 1 mH,Cs = 0.02 pF, 且Cp = 0.08 pF。求其並聯諧振頻率fp=?
(A) 9.9 MHz (B) 15.7 MHz (C) 20.9 MHz (D) 39.8 MHz
20. 下列何種電路適用來產生方波? (A) 考畢子(Colpitts)振盪電路 (B) RC 相移電路 (C) 雙穩態多諧振盪器 (D) 樞 密特觸發電路(Schmitt trigger)
21. 一個導線每分鐘通過 120 庫倫之電量,則通過此導線之電流值為何? (A) 1 A (B) 2 A (C) 3A (D) 4 A
22. 一個電動機其輸入電壓為 220 伏特,輸出 5 馬力,若效率為 90%,若滿載時之輸入 功率為多少瓦? (A) 4388W (B) 4234W (C) 4184W (D) 4144W
23. 一個 0.6 kW 的電熱器,放入 2.6 公升的水加熱,10 分鐘後水溫可以上升多少°C? (A) 33.2°C (B) 37.6°C (C) 42.6°C (D) 56.2°C
24. 三個電容器分別為 100μF、50μF、50μF 串聯連接於 100 V 之電源,求在 100μF 兩端的電壓為多少伏特? (A) 10V (B) 20V (C) 30V (D) 40V
25. 二個電容器之容量及耐壓分別為 10μF/100V,20μF/200V,試問當並聯連接後之總耐壓為多少伏特? (A)100V (B) 150V (C) 166V (D) 200V
26. 一個 10 mH 的線圈,在 0.1 秒中通過的電流由 0 A 至 1 A,則此線圈感應的電壓為 多少伏特? (A) 1V (B) 0.1V (C) 0.01V (D) 0.001V
27. 如圖(十五)電路所示,試求電路 ab 兩端之等效電感量為何?
(A) 5 mH (B) 8 mH (C) 10 mH (D) 12 mH
28. 假設有兩個平行導體,其長度皆為 2 公尺,相隔距離為 2 公分,兩個平行導體所流 過的電流為 5A 及 10A,其方向相同,試求每一個導體所承受的力為多少牛頓? (A) 0.01N (B) 0.02N (C) 0.001N (D) 0.002N
29. 一個電池若接上 10Ω 負載時,電池兩端的電壓 5V,若接上 6Ω 負載時,電池兩端 的電壓 4V,試求電池的內阻值約為何? (A) 1.5Ω (B) 3.2Ω (C) 4.5Ω (D) 5.9Ω
30. 如圖(十六)電路,當開關 SW 開路及閉路時,試求 R2 兩端的電壓分別為多少伏特?
(A) 50 V、66.7 V (B) 50 V、50 V (C) 66.7 V、66.7 V (D) 50 V、25 V
31. 如圖(十七)電路所示,若 I= 10 A,試求 R3 的消耗功率為何?
(A) 19 W (B) 29 W (C) 39 W (D) 49 W
32. 如圖(十八)電路所示,試求 I1 及 I2 的電流為何?
(A) 0.5 A、2.4 A (B) 0.4 A、1.5 A (C) 1.3 A、2.1 A (D) 1.5 A、1.5 A
33. 如圖(十九)電路所示,當 RL 為若干值時,可以獲得最大功率?
(A) 8 Ω (B) 16 Ω (C) 18 Ω (D) 20 Ω
34. 如圖(十九)電路所示,當 RL 獲得最大功率之值為何?
(A) 8 W (B) 19 W (C) 27 W (D) 39 W
35. 如圖(二十)電路所示,當開關 SW 閉合或打開時,對電流 I 值都沒有影響,此時 R5 應為多少歐姆?
(A) 3 Ω (B) 2 Ω (C) 1 Ω (D) 0.5 Ω
36. 如圖(二十一)電路所示,電容 C 兩端初值電壓為 0 V,當開關 S 閉合 1 ms 後,試求 VC、i 之值為何?
(A) 8.6 V、0.135 mA (B) 6.32 V、0.135 mA (C) 6.32 V、0.368 mA (D) 8.6 V、 0.368 mA
37. 試計算 5∠60°+ 4∠30°之值為何? (A) 9∠90° (B) 9∠60° (C) 7.96 + j7.33 (D) 5.96 + j6.33
38. 一個電流100 sin(100t + 90°)通過10 μF電容器,試求電容器兩端的電壓正弦式為何? (A) 104 sin(100t + 0°) (B) 105 sin(100t + 0°) (C) 104 sin(100t − 90°) (D) 105 sin(100t − 90°)
39. 如圖(二十二)電路所示,試求電流 I 之值為何?
(A) 3.1∠−14.47° (B) 3.1∠14.47° (C) 4∠−53.13° (D) 4∠53.13°
40. 一個 LC 串聯電路中,若電路在 10 MHz 時產生諧振,已知電容值為 60 pF,求電感 值為多少? (A) 1.2 μH (B) 3.2 μH (C) 4.2 μH (D) 8.2 μH
41. 考慮如圖(二十三)所示之 XOR gate,一輸入為固定低態“0”,另一輸入為方波輸入。 試問其輸出 Y 波形為何?
(A) (B) (C) (D)
42. 考慮如圖(二十四)所示之邏輯電路,若欲使該電路實現 AND 功能亦即 Y=AB,試問 虛線部分應使用何種邏輯閘?
(A) AND 閘 (B) NAND 閘 (C) OR 閘 (D) NOR 閘
43. 考慮如圖(二十五)所示之邏輯電路,若要將其作為半減器,試問虛線部分應使用何種邏輯閘?
44. 試化簡布林代數? = A̅B̅C̅+ A̅BC + AB̅C̅+ ABC為最簡形式。 (A) A̅B̅ + C (B) A̅B + C̅ (C) B̅C̅+ BC (D) A̅C̅+ AC
45. 試問何種數字系統之特點為每個編碼至少有一個位元為 1,可當檢誤碼?且其本身 可求得 9 的補數,故又稱為自補碼。 (A) BCD 碼 (B)格雷碼 (C)加三碼 (D) 16 進位系統
46. 求 101000(2)之 2 的補數。 (A) 010100 (B) 011000 (C) 010111 (D) 101000
47. 考慮一負緣觸發 JK 正反器,輸出 Q 值之初始值為 0。若此時 J=1,K=0,且時脈信 號由 1 轉態為 0,則 Q 值輸出為何? (A) 變為 1 (B) 維持 0 (C) 1 與 0 交替出現 (D) 此為不允許狀態
48. 若欲使用 64×4 位元 ROM 的 IC,組成 256×8 位元的 ROM,需要 X 個 IC,所完成 的 ROM 可有 Y 條位址線及 Z 條資料線,試問 X+Y+Z 為何? (A) 16 (B) 24 (C) 32 (D) 40
49. 試問如圖(二十六)所示之兩輸入邏輯電路可用於何種用途?
(A) 編碼器 (B) 解碼器 (C) 多工器 (D) 比較器
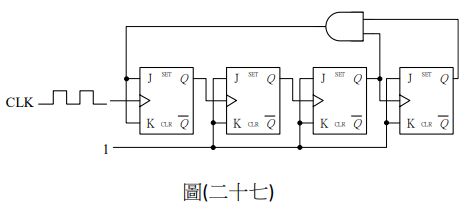
50. 考慮如圖(二十七)所示電路,若每個正反器的延遲時間為 30ns,邏輯閘延遲時間為 80ns,則輸入 CLK 頻率最快可達多少 Hz?
(A) 3 MHz (B) 4 MHz (C) 5 MHz (D) 6 MHz