所屬科目:高中技藝◆數位電子
1. 氮化鎵(GaN)是一種第三代半導體,已知氮的原子序是 7,鎵的原子序是 31,則根 據波耳(Bohr)原子結構模型,鎵原子在電子軌道最外層的電子數目有幾個? (A) 2 (B) 3 (C) 4 (D) 5
2. 假設一 PN 二極體,左邊是 P 型材料,右邊是 N 型材料,則當有一個電子進入此 PN 二極體之空乏區(Depletion region)時,該電子會受到空乏區內電場的影響往那 個方向移動? (A) 上 (B) 下 (C) 左 (D) 右
3. 如圖(一)所示之二極體電路,假設Vi (?) = 10cos377t, V,二極體順向導通電壓為 0.7 V,則流經 1 kΩ電阻之電流最大值為何? (A) 1.26 mA (B) 1.54 mA (C) 2.46 mA (D) 2.6 mA
4. 如圖(二)所示之二極體電路,假設二極體為理想二極體,變壓器線圈之圈數比 N1: N2 = 4: 1,且Vi為一正弦波電壓信號其有效值為10 V,求穩態之輸出電壓Vo為何? (A)10 V (B) 10 V (C) 20 V (D) 20V
5. 通常金屬包裝的功率電晶體其外殼代表的是那一個接腳? (A) B (B) C (C) E (D) 未定義
6. 如圖(三)所示之 PNP 雙極性電晶體(BJT)電路,假設其α= 0.99,VEB = 0.7 V,則 此電晶體工作在那一區?(A) 順向主動放大區 (B) 截止區 (C) 飽和區 (D) 逆向主動放大區
7.則直流工作點VCEQ和ICQ分別為何? (A) VCEQ = 0.2 V,ICQ= 32.7 mA (B) VCEQ = 2.02 V,ICQ= 26.6 mA (C) VCEQ= 5.92 V,ICQ = 13.6 mA (D)VCEQ = 7.1 V,ICQ= 9.6 mA
8. 同上題之電路,假設RC電阻接錯了,接成RC = 2 kΩ,則此電路之IC/IB比值為何? (A) 38.8 (B) 47.6 (C) 63.2 (D) 99
9. 如圖(五)所示為一共基極(CB)放大器,假設RE= 2.3 kΩ,RC = 500Ω,β = 100, 且小信號電阻re = 25Ω,求此放大器之電壓增益AV為何? (A) 4.6 V/V (B) 19.8 V/V (C) 45.5 V/V (D) 91.1 V/V
10. 如圖(六)所示之 N 通道接面型場效電晶體(JFET)電路,假設 JFET 工作在夾止飽和 區,且已知其夾止電壓(Pinch-off voltage)VGs(p) = −2 V,夾止飽和電流IDSS = 16 mA, 求此電路之VDS為何? (A) 3 V (B) 2 V (C) 1 V (D) 0 V
11. 已知一個具有三級的串級放大器,分別由共射極、共基極和共集極這三個放大器 所組成,假設這三個放大器之電壓增益分別為AV1 = −50 V/V,AV2 = 20 V/V, AV3 = 0.98 V/V,求此串級放大器之總電壓增益約為多少分貝(dB)? (A) 10 dB (B) 20 dB (C) 30 dB (D) 60 dB
12. 如圖(七)所示之變壓器耦合串級放大器,假設Rs = 1 kΩ,RL = 200Ω,且基本放 大器之電壓增益Av= 10 V/V,輸入阻抗Ri = 4 kΩ,輸出阻抗Ro = 1.8 kΩ,若要得 到最大功率轉換,則變壓器線圈之圈數比N1: N2與N3:N4分別為何? (A) N1: N2= 2: 1,N3:N4 = 3: 1 (B) N1: N2 = 1: 2,N3:N4 = 3: 1 (C)N1: N2= 1: 4,N3:N4 = 9: 1 (D)N1: N2 = 1: 4,N3:N4 = 1: 3
13. 一 N 通道空乏型 MOSFET,其夾止電壓(Pinch-off voltage)VGs(p) = −4 V,假設已 知其工作在夾止飽和區,當VGs= −1 V 時,可得ID = 9 mA,則當VGs = 0 V時,ID 為何? (A) 16 mA (B) 8 mA (C) 2 mA (D) 0 A
14. 一 P 通道增強型 MOSFET,其臨界電壓VGs(t) = −2 V,則當Vs = 0V,VG = −3 V, 且VD = −4 V時,此 MOSFET 工作在那一區? (A) 夾止飽和區 (B) 歐姆區(或稱為三極區) (C) 截止區 (D) 無法判斷
15. 如圖(八)所示之放大器電路,假設 N 通道增強型 MOSFET 之臨界電壓VGs(t)= 1 V, 參數 = 2 mA/V 2,且厄力電壓(Early voltage)VA = ∞,求此放大器之電壓增益AV=? (A) −2 V/V (B) −4 V/V (C) −6 V/V (D) −8 V/V
16. 下列何種放大器組態適合用來放大電壓信號,並且使輸出信號與輸入信號保持相 同的相位? (A)共源極(Common source) (B)共汲極(Common drain) (C)共閘極(Common Gate) (D)共射極(Common emitter)
17. 如圖(九)所示之理想運算放大器(OPA)電路,假設想要設計此電路達到vo = −1.2v1 − 0.8v2 − v3,則R1、R2和R3的電阻值應如何選擇? (A) R1 = 3R,R2 = 2R,R3 = R(B)R1 = R,R2=2R,R3= 3R (C) R1 =2R,R2 = 3R,R3 = ? (D)R1 =2R,R2= R,R3 = R
18. 如圖(十)所示之理想運算放大器(OPA)電路,假設R1 = 5 kΩ,R2 = 20 kΩ,則當 Vi = −1 V時,流經安培計之電流 I 為何? (A) 0.2 mA (B) 1 mA (C) 3 mA (D) 4.2 mA
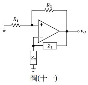
19. 假設如圖(十一)所示的電路為一方波產生電路, 則電路中的?1和?2應分別接上何種元件? (A) Z1 =R,Z2 = R (B) Z1 = R,Z2 =C (C)Z1 = ,Z2 =R (D) Z1 = ,Z2 = C
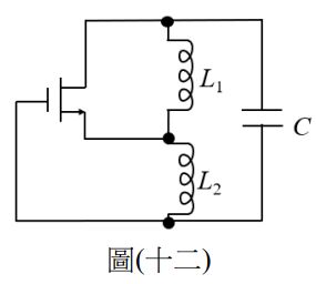
20. 如圖(十二)所示的哈特萊(Hartley)振盪電路,假設L1 = L2 = 1 mH,且此電路之振 盪頻率為 159.15 kHz,求電容 C 的值為何? (A) 0.5 nF (B) 1 nF (C) 2 nF (D) 4 nF
21. 在空氣中,若兩個電荷分別為 3 庫倫及 6 庫倫,兩者相距 5 公尺,試求兩者間之 作用力為何? (A) 6.48×108 N (B) 3.24×108 N (C) 3.48×109 N (D) 6.48×109 N
22. 一個電熱器其電阻為 10 ,若工作在 110 伏特電壓,使用 1 分鐘,求此電熱器使 用多少焦耳? (A) 7.26×102 焦耳 (B) 72.6×103 焦耳 (C) 3.63×103 焦耳 (D) 3.63×104 焦耳
23. 已知一銅導線在 5C 時其電阻值為 10 Ω,求在–5℃ 時之電阻值為何? (A) 8.98 Ω (B) 9.28 Ω(C) 9.58 Ω(D) 9.78Ω
24. 如圖(十三)電路所示,已知電流 I1 = 1 A,求電源電壓 E 為多少伏特(V)? (A) 14 V (B) 12 V (C) 9 V (D) 5 V
25. 如圖(十四)電路所示,當節點 a 及 c 短路時,求 I 的電流值為多少安培( A )? (A) 3 A (B) 4 A (C) 5 A (D) 6 A
26. 如圖(十五)電路所示,求節點 Va 及節點 Vb 的電壓分別為多少伏特(V)? (A) 4.125V、3.375V (B) 3.125V、2.375V (C) 4.125V、2.352V (D) 3.58V、1.48V
27. 如圖(十六)電路所示,求流過 4Ω的電流 I 值為多少安培( A )? (A) 1.52 A (B) 1.25 A (C) 0.93 A (D) 0.83 A
28. 如圖(十七)電路所示,求電流 I1 及 I2 值分別為多少安培( A )? (A) 1.64A、1.27A (B) 1.64A、0.47A (C) 1.52A、0.28A (D) 1.52A、0.32A
29. 如圖(十八)所示之電容串聯電路,試求總電容量為何? (A) 1.1 μF (B) 0.9 μF (C) 0.8 μF (D) 0.7 μF
30. 如圖(十八)所示之電容串聯電路,試求 C3 電容兩端之電壓為何? (A) 2.4 V (B) 2.8 V (C) 3 V (D) 3.2 V
31. 將一磁場強度為 200 安匝/公尺之磁化力作用於一個鐵塊,此鐵塊的磁通密度為 0.2 Wb/m2,試求此鐵塊的導磁係數為何? (A)1✖10-4 wb/A·m (B) 1✖10-3 wb/A·m (C) 2✖10-2 wb/A·m (D) 2✖10-3 wb/A·m
32. 如圖(十九)電路所示,試求電路 ab 兩端之等效電感量為何? (A) 5 H (B) 6 H (C) 7 H (D) 8 H
33. 一個 20H 之電感器,若通過此電感器的電流為 1A,求其儲存的能量為何? (A) 10 J (B) 15 J (C) 20 J (D) 40 J
34. 一個正弦波電壓的峰值為 30V,求在 30°時之瞬時電壓值為何? (A) 12 V (B) 15 V (C) 18 V (D) 20 V
35. 如圖(二十)為一個電壓波形圖,試求其電壓波形的有效值為何? (A) 9.15 V (B) 8.45 V (C) 7.64 V (D) 6.75 V
36. 一個 50mH 的電感器上,流過的電流為 i (t) = 10 sin(400t–35°)A,求其電感器上之 電壓峰值? (A) 120V (B) 150V (C) 180V (D) 200V
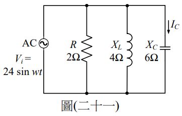
37. 如圖(二十一)電路所示,求流過電容 XC 之電流 IC 值為何? (A) 2.83∠90°A (B) 4∠−90°A (C) 6∠90°A (D) 6.52∠−90°A
38. 若一負載之阻抗為 Z = 3∠30°,電壓 v(t) = 30sin(wt + 0°),求負載之視在功率為 何? (A) 200 VA (B) 250 VA (C) 300 VA (D) 350 VA
39. 一個串聯 RLC 電路,其中若 R=10Ω、L=1H、C=1μF,輸入電壓為 v(t)=10sin(wt+0°), 求諧振頻率及品質因數之值為何? (A) 155.2 Hz、98.9 (B) 155.2 Hz、89.9 (C) 159.2 Hz、99.9 (D) 159.2 Hz、90.9
40. 如圖(二十二)電路所示,試問當負載 ZL 為多少時可以獲得最大功率? (A) 4.3 – 5jΩ (B) 5.3 – 4jΩ (C) 3 – 4.3jΩ(D) 3.3 – 4jΩ
41. 考慮如圖(二十三)所示波形,其中 A 與 B 為邏輯閘輸入,X 為邏輯閘輸出,試問該 邏輯閘為何種形式? (A) AND 閘 (B) NAND 閘 (C) OR 閘 (D) NOR 閘
42. 如圖(二十四)與圖(二十五)呈現相同電路功能,試問其展現何種定律? (A) 結合律 (B) 交換律 (C) 遞移律 (D) 分配律
43. 考慮一以 NOR 閘組成之 SR 正反器,若輸入訊號 S、R 如圖(二十六)所示,試問其輸出 Q 值在 1、2、3、4 的時間點應該分別為何? (A) 0101 (B) 1010 (C) 1100 (D) 0011
44. 試化簡布林代數 X=(A+B)BC+A 為最簡形式。 (A) X=A+B (B) X=A+BC (C) X=AB+C (D) X=AB
45. 如圖(二十七)所示之邏輯電路,試求其最簡布林代數式。 (A) X = A̅+ B (B) X = A + B̅ (C) X= A̅B (D) X = AB̅
46. 求−35 的 2’s 補數。 (A) 10100011 (B) 00100011 (C) 11011100 (D) 11011101
47. 考慮如圖(二十八)所示之邏輯電路,試問下列何種情況可得輸出 Y 為 1? (A) A3A2A1A0 = 0110;B3B2B1B0 = 1001 (B) A3A2A1A0 = 1000;B3B2B1B0 = 0000 (C) A3A2A1A0 = 1111;B3B2B1B0 = 0000 (D) A3A2A1A0 = 0010;B3B2B1B0 = 0010
48.試問該電路可應用於何種用途? (A) 正反器 (B) 全加器 (C) 比較器 (D) 計數器
49. 呈上題,若輸入訊號 A=1,B=0,Ci=1,則輸出 Co 及 S 各為何值? (A) C0=1,S=1 (B) C0=1,S =0 (C) C0=0,S =1 (D) C0=0,S =0。
50. 試問下列哪個選項最符合 4 線多工器的設計要求? (A) 有 4 條輸入線和 1 條輸出線,使用 2 條資料選擇線。 (B) 有 2 條輸入線和 1 條輸出線,使用 2 條資料選擇線。 (C) 有 4 條輸入線和 1 條輸出線,使用 4 條資料選擇線。 (D) 有 2 條輸入線和 4 條輸出線,使用 4 條資料選擇線。