所屬科目:高中技藝◆數位電子
1.假設在室溫下之矽半導體本質濃度為ni=1.5×1010 cm-3,當摻雜的磷原子濃度為1015 cm-3時,則此半導體之電洞濃度為何? (A) 2.25×1010 cm-3 (B) 1.5×1010 cm-3 (C) 2.25×105 cm-3 (D) 1.5×105 cm-3
2.已知一理想的變壓器其初級線圈之電流I1=1A,次級線圈之電流I2=2A,輸出負載電阻RL=5Ω,求初級線圈之電壓V1? (A) 20 V (B) 10 V (C) 5 V (D) 2 V
3.如圖(一)所示之二極體電路,假設二極體順向導通電壓為0.7V,輸入電壓vi為1kHz,±10V之方波,則輸出電壓vo之平均值為何?
(A) 1 V (B) -3.65 V (C) 2.7 V (D) -1.35 V
4.已知一串級放大器之總功率增益為20dB,輸入電流ii=0.2A,輸入阻抗Ri=1kΩ,負載電阻RL=4kΩ,求輸出電流io? (A) 4 A (B) 2 A (C) 1 A (D) 0.5 A
5.下列何種串級放大器之低頻響應衰減最小? (A) RC耦合 (B) 變壓器耦合 (C) 電感耦合 (D) 直接耦合
6.如圖(二)所示之雙極性電晶體(BJT)電路,假設其β=99,VBE=0.7V,且VCE(sat)=0.2V,求射極電流IE?
(A) 86 mA (B) 10.66 mA (C) 9.8 mA (D) 0 A
7.如圖(三)所示之雙極性電晶體(BJT)電路,假設其β=99,VEB=0.7V,若想要設計使輸出電壓VO接近0V,則電阻R的值應為何?
(A) 1.32 kΩ (B) 2.28 kΩ (C) 3.2 kΩ (D) 4.7 kΩ
8.下列何種放大器具有高電壓增益,與低輸入阻抗的特性? (A) 共源極( CS )放大器 (B) 共集極( CC )放大器 (C) 共射極( CE )放大器 (D) 共基極( CB )放大器
9.如圖(四)所示為一共射極(CE)放大器之小信號等效電路,求此電路之電壓增益AV為何?
(A) -gm(ro||RC) (B) -gm(ro/rπ) (C) -(ro||RC)/rπ (D) -(ro||RC)/(rπ||RB)
10.如圖(五)所示為一理想運算放大器(OPA)電路,求VO為何?
(A) -4 V (B) +4 V (C) -8 V (D) +8 V
11.如圖(六)所示為一理想運算放大器(OPA)電路,假設R=2kΩ,C=1μF,輸入電壓vi為1kHz,±10V之方波,且電容器初始電壓為0V,求輸出電壓vo的最大值為何?
(A) 10 V (B) 7.5 V (C) 5 V (D) 2.5 V
12.如圖(七)所示為一運算放大器(OPA)比較電路,已知OPA之輸出飽和電壓為±13V,則當vi=-2V和vi=-3V時,其相對應之輸出電壓vo為何?
(A) -13V;-13V (B) +13V;-13V (C) -13V;+13V (D) +13V;+13V
13.如圖(八)所示之考畢子(Colpitts)振盪電路,假設R1=10kΩ,R2=20kΩ,L=0.5mH,C1=60pF,且C2=30pF。求此電路之振盪頻率為何?
(A) 1.59 MHz (B) 3.57 MHz (C) 15.9 MHz (D) 35.7 MHz
14.下列何種振盪電路最適合用來產生正弦波訊號? (A) 單穩態多諧振盪電路 (B) 雙穩態多諧振盪電路 (C) 無穩態多諧振盪電路 (D) 哈特萊(Hartley)振盪電路
15.一個由555 IC所組成之方波產生電路,假設其輸出信號頻率為2kHz,且低準位的時間T0=0.4ms,則此方波訊之工作週期(Duty cycle)為何? (A) 10% (B) 20% (C) 40% (D) 80%
16.一N通道接面型場效電晶體(JFET),假設其夾止電壓(pinch-off voltage)VGS(p)=-4V,則下列何種偏壓方式適合使其當放大器使用? (A) VGS=-3V且VDS=+3V (B) VGS=-2V且VDS=+1V (C) VGS=-4V且VDS=+2V (D) VGS=+1V且VDS=+4V
17.如圖(九)所示為一N通道增強型MOSFET放大電路,假設臨界電壓VGS(t)=1V,參數k=1mA/V²,求直流工作點ID和VDS分別為何?
(A) 0.4 mA;7.6 V (B) 0.5 mA;7 V (C) 1 mA;4 V (D) 2 mA;2 V
18.假設其夾止電壓(pinch-off voltage)VGS(p)=-2.5V,夾止飽和電流IDSS=25mA,且偏壓設計在VGS=-2V,求此放大器之電壓增益Av為何? (A) 7/8 (B) 8/9 (C) 10/11 (D) 12/13
19.同上題之電路,求輸出阻抗Ro為何? (A) 10 MΩ (B) 2 kΩ (C) 222 Ω (D) 54 Ω
20.如圖(十一)之MOSFET數位電路,此電路實現了何種邏輯閘?
(A) AND (B) OR (C) NAND (D) NOR
21.若兩個帶電體相距1公尺,其斥力為1牛頓,若距離為3公尺時之斥力為何? (A) 0.33牛頓 (B) 0.22牛頓 (C) 0.17牛頓 (D) 0.11牛頓
22.每一個電子的帶電量為多少庫倫? (A) -1.602×1019 (B) 1.602×1019 (C) -1.602×10-19 (D) 1.602×10-19
23.一個電阻器的兩端加了20V電壓後,產生200W之功率,請問此電阻之電導為多少姆歐(ʊ)? (A) 2姆歐(ʊ) (B) 1姆歐(ʊ) (C) 0.5姆歐(ʊ) (D) 0.25姆歐(ʊ)
24.一個100μF電容器連接於100V之電源,若以0.1A之電流充電,則充滿電壓需要多久時間? (A) 1秒 (B) 0.1秒 (C) 0.01秒 (D) 0.001秒
25.如圖(十二)電路所示,求總電容量及通過C2之電量為何?
(A) 15μF;500μ庫倫 (B) 15μF;1000μ庫倫 (C) 15μF;1500μ庫倫 (D) 10μF;1000μ庫倫
26.一個線圈有100匝,若通過5A之電流時,產生的磁通量為10×10-3韋伯,求自感值為何?_________ 亨利(H)(A) 0.1 (B) 0.2 (C) 0.4 (D) 0.5
27.如圖(十三)電路所示,若L1=0.1H,L2=0.2H,互感量M=0.001,求總電感量為何?
(A) 67.11 mH (B) 68.44 mH (C) 66.67 mH (D) 65.56 mH
28.如圖(十四)電路所示,試求電流I之值為何?
(A) 2A (B) 1A (C) 0.5A (D) 0A
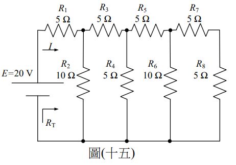
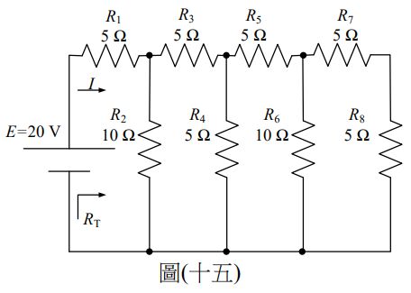
29.如圖(十五)電路所示,試求總電阻RT之值為何?
(A) 10 Ω (B) 9 Ω (C) 9.55 Ω (D) 9.93 Ω
30.如圖(十五)電路所示,試求總電流I之值為何?
(A) 2 A (B) 2.09 A (C) 3.12 A (D) 3.54 A
31.如圖(十六)電路所示,試求a,b兩端之電壓Vab為何?
(A) 2 V (B) 3 V (C) 4 V (D) 5 V
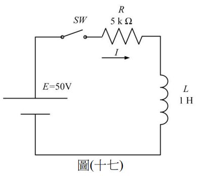
32.如圖(十七)電路所示,若在t=0時將開關閉合,試求經過多少時間後電流達到穩態?
(A) 0.1×10-3秒 (B) 0.25×10-3秒 (C) 0.5×10-3秒 (D) 1×10-3秒
33.如圖(十八)電路所示,當開關閉合瞬間,電流I的值為何?
(A) 1 A (B) 2 A (C) 2.67 A (D) 4 A
34.一個電壓為v(t)=120sin(377t-30°),求此電壓之峰對峰值與頻率為何? (A) 120V、377Hz (B) 240V、377Hz (C) 120V、60Hz (D) 240V、60Hz
35.一個i(t)=10sin100t之電流,流經100mH之電感器,則此電感兩端之電壓為何? (A) 100sin(100t+90°) V (B) 100sin(100t-90°) V (C) 100sin(10t+90°) V (D) 100sin(10t-90°) V
36.如圖(十九)電路所示,求電流iT之值為何?
(A) 25∠83.1° A (B) 20∠-60° A (C) 20∠30° A (D) 20∠83.1° A
37.一個RLC串聯交流電路如圖(二十)所示,求電感器兩端之電壓為何?
(A) 100√2∠45° V (B) 75√2∠45° V (C) 100√2∠-45° V (D) 75√2∠-45° V
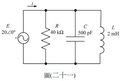
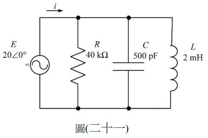
38.一個RLC並聯交流電路如圖(二十一)所示,當此電路產生諧振時,諧振頻率為何?
(A) 159.2 kHz (B) 318.5 kHz (C) 303.5 kHz (D) 298.5 kHz
39.如圖(二十一)電路所示,當此電路產生諧振時,其總電流之值為何?
(A) 0.15 mA (B) 0.25 mA (C) 0.5 mA (D) 1 mA
40.一個三相Y連接,其線電壓為110V,每相之負載阻抗為3+j4,試求其相電壓與功率因數分別為何? (A) 110/√3 V;cos53° (B) 110/√2 V;cos37° (C) 110√3 V;cos53° (D) 110√2 V;cos37°
41.一積體電路之電源電壓VCC=5V±5%,且當其輸入端空接時形同輸入邏輯1,則該積體電路最有可能為何種系列? (A) TTL系列 (B) MOS系列 (C) ECL系列 (D) IIL系列
42.下列關於脈波訊號之上升時間(rising time)定義,何者正確? (A) 由脈波振幅的0%處,上升至脈波振幅的10%處所需的時間 (B) 由脈波振幅的0%處,上升至脈波振幅的90%處所需的時間 (C) 由脈波振幅的10%處,上升至脈波振幅的90%處所需的時間 (D) 由脈波振幅的0%處,上升至脈波振幅的100%處所需的時間
43.若欲設計一反向器F=,下列接法何者有誤? (A) (B) (C) (D)
44.考慮一布林代數F(A,B,C,D)=Σ(0,2,5,7,8,10,13,15),其化簡後之結果為何? (A) (B)(C) (D)
45.考慮一個二進位數100110,則其1的補數與2的補數之和應為? (A) 011101 (B) 011010 (C) 100111 (D) 110011
46.若半加器之輸入為A(被加數)與B(加數),輸出為C(進位)與S(和),則下列何者為進位C之布林代數? (A) C=AB (B)(C) C=A⊕B (D) C=A+B
47.若欲設計一個2對4線解碼器,試問如圖(二十二)之電路虛線處應使用何種邏輯閘?
(A) 或閘 (B) 及閘 (C) 互斥或閘 (D) 反互斥或閘
48.如圖(二十三)所示之電路,若輸入fin為64kHz的方波,其輸出fout之頻率為何?
(A) 8kHz (B) 16kHz (C) 32kHz (D) 64kHz
49.如圖(二十四)所示之RS閂鎖器,若輸入A'=1,B'=0,則輸出為何?
(A) X=0;Y=0 (B) X=0;Y=1 (C) X=1;Y=0 (D) X=1;Y=1
50.如圖(二十五)所示之邏輯電路,則Z的布林代數可表示為何?
(A) Z=A+B (B) Z=AB (C) (D)