所屬科目:結構分析(包括材料力學與結構學)
一、有一平面應力元素受應力如下圖(a)所示,當此元素逆鐘向旋轉 20° 後, 其應力狀況如下圖(b)所示。假設此應力元素之彈性模數 E = 25 GPa,柏 松比 v = 0.2,請計算應力 σx 、 σ y 及此元素在 x 及 y 座標系統下之應變 εx 、 εy 、 。(20 分) 提示:
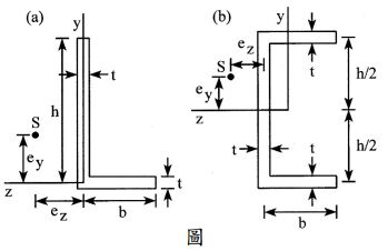
二、有二薄管壁梁之斷面如下圖(a)及(b)所示,試計算各梁斷面剪力中心 S 之 ey 及 ez 值。(20 分)
三、如下圖所示之平面剛架結構,a、d、e、n 點為鉸支承,c 點及 m 點為鉸 接,各桿件有相同之彈性模數 E 與慣性矩 I,且 EI = 250000 kN-m2。不 考慮各桿件的軸向變形,求 ab 桿件的端點彎矩、此結構系統之撓曲應變 能、b 點及 c 點垂直位移。 (30 分)
四、如下圖所示結構,承受垂直集中載重 32 kN,a 點為固定端,e 點為鉸支 承,b 點為鉸接,點 d 連接一軸力桿件 de,桿件 de 彈性模數 E 與斷面 積 A 之乘積為 EA = 62500 kN,而桿件 ab 及 bd 有相同之彈性模數 E 與 慣性矩 I,且 EI = 60000 kN-m2。若不考慮桿件 ab 及 bd 的軸向變形,求 a 點固定端反力(含彎矩) 、de 桿件軸力、c 點及 d 點垂直位移。 (30 分)