所屬科目:電路學
一、設圖一所示電路於t0時已處於直流穩態,試求其於t>0情況下之時域響應v(t)、i(t)、 。 (25 分)
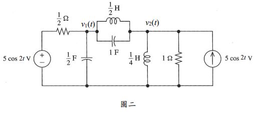
二、試以相量法(phasormethod)計算圖二所示電路中之交流穩態電壓v1(t) 與v2(t)。(25分)
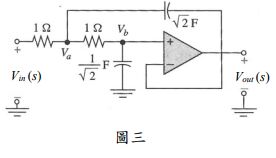
三、如圖三所示包含一理想運算放大器之濾波器電路,請以拉普拉斯轉換 (Laplace transform)與節點分析法(nodal analysis),試求該電路轉移函數。
四、如圖四所示互感電路,試求該雙埠網路之阻抗參數 ( impedance ,並請以所得之阻抗參數,計算圖五電路中之 I1、 parameters, z-parameters) I2、V1 與 V2。