所屬科目:電路學
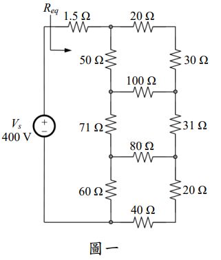
一、如圖一所示電路,試求理想電壓源 Vs 看到的等效電阻值與電路中 31-Ω 電阻器所消耗的功率分別為何?(20 分)
二、圖二所示電路中的雙埠網路阻抗參數為: ,試求 I1、I2、 V1 及 V2。(20 分)
三、圖三所示電路中的開關 S 在 t = 0 時被打開前電路已達穩態。試求當 t ≥ 0 時及之表示式分別為何?(20 分)
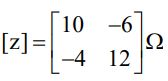
四、如圖四所示電路,試求負載可獲得之最大平均功率為何?並求此時之值為何?(20 分)
五、如圖五所示電路,試求電路中電壓源所提供的平均功率及 50-Ω 電阻所消耗的平均功率分別為何?(20 分)