所屬科目:電路學
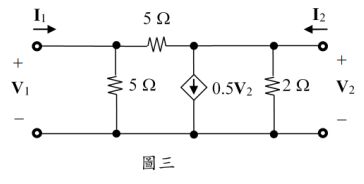
一、試求出圖一電路 a-b 兩端之戴維寧(Thevenin)等效電路:及。
二、圖二電路中,假設三相電路的電壓為=230∠0°V,=230∠-120°V, =230∠120°V,負載阻抗 Z= 10 + j8 歐姆,試求:相電流(phase current)及線電流(line current)分別為多少安培?
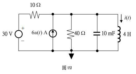
三、試求算圖三電路雙埠網路之 y 參數=?
四、試求算圖四電路之 i(t),t > 0。