所屬科目:電路學
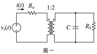
一、如圖一所示之理想變壓器電路,已知該電路之參數為:Ra = 1 Ω、Rb = 8 Ω、 C = 0.25 F、vs(t) = 10e-tu(t) V,其中 u(t)為單位步階(Unit Step)函數。 試以拉普拉斯轉換(Laplace Transform),求解電流 i(t)。(25 分)
二、如圖二所示之交流穩態電路,已知該電路之兩電壓源分別為:vs1(t) = 10cos(2t) V、vs2(t) = 6sin(2t) V。試以網目分析法(Mesh Analysis),求 解電流 i(t)。(25 分)
三、如圖三所示之電路,已知該電路之輸入阻抗為: 試求R、L、C、G之值。(25分)
四、如圖四所示為含有互感之雙埠網路(Two-Port Network),已知該電路之參數為:Z1 = 1 Ω、Z2 = -j3 Ω、jωL1 = j2Ω、jωL2 = j1 Ω、jωM = j1 Ω。 試求該電路之阻抗參數(Impedance Parameters)或 z 參數。(25 分)