所屬科目:技檢◆工業配線-丙級
1. 牙距越小其固定 (A)越容易滑牙 (B)越鬆 (C)越緊 (D)與鬆緊度無關。
2. 1mA 等於 (A)1/10A (B)1/10000A (C)1/100A (D)1/1000A。
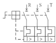
3. 如下圖所示為電動機保護斷路器之 IEC 符號,其操作方式為 (A)自動切換手動跳脫 (B)手動切換自動跳脫 (C)手動切換手動跳脫 (D)自動切換自動跳脫。
4. 下列何者係針對於機械操作點的捲夾危害特性可以採用之防護裝置? (A)穿戴防護衣 (B)穿戴棉紗手套 (C)強化教育訓練(D)設置護圍、護罩。
5. 下列何者為非再生能源? (A)地熱能 (B)太陽能 (C)焦煤 (D)水力能。
6. 受僱人於職務上所完成之著作,如果沒有特別以契約約定,其著作人為下列何者? (A)雇用人 (B)由雇用人指定之自然人或法人 (C)受僱人 (D)雇用公司或機關法人代表。
7. 如下圖所示 IEC 國際標準符號為 (A)按鈕開關的常閉接點 (B)按鈕開關的常開接點 (C)能限時動作的常開接點 (D)有機械連鎖之常開接點。
8. 控制電路之操作電壓,下列何種電壓對人體之安全性最高? (A)AC220V (B)DC24V (C)DC48V (D)AC110V。
9. 空氣污染源依排放特性分為固定污染源及移動污染源,下列何者屬於移動污染源? (A)煉鋼廠 (B)焚化廠 (C)機車 (D)石化廠。
10. RLC 串聯電路,其諧振頻率與下列何者無關? (A)L (B)LC (C)C (D)R。
11. 比流器規格中標示 30VA CL 1.0 級,表示在負擔 30VA 狀態下,一次側電流 100%時,二側次電流之誤差不超過 (A)0.01 % (B)10% (C)1.0% (D)0.1%。
12. 負載超過 CT 額定負擔時,所連接之電流計指示值 (A)不變 (B)減少 (C)無作用 (D)增大。
13. 交替電驛(Exchange Relay)於線圈受到激磁時,其 a 接點閉合、b 接點斷開;之後若線圈失磁,則 (A)a 接點斷開、b 接點斷開 (B)a 接點斷開、b 接點閉合 (C)a 接點閉合、b 接點閉合 (D)a 接點閉合、b 接點斷開。
14. 在器具板上施行盤箱加工,鑽孔後,若要攻牙時,必須使用 (A)鐵鎚 (B)釘槍 (C)手電鑽 (D)攻牙機。
15. 某一種圓型端子之規格為 2-4,“4”字是代表 (A)剝線的長度 (B)導線的線徑 (C)端子之總長 (D)鎖緊用螺絲最大直徑。
16. 附加電容濾波之交流全波整流電路,其輸出波形為 (A)(B)(C)(D) 。
17. 交流二線式近接開關(PXS)之配線方式,下列何者正確? (A)(B)(C)(D) 。
18. 目前電子煙是非法的,下列對電子煙的敘述,何者錯誤? (A)跟吸菸一樣會成癮 (B)沒有燃燒的菸草,不會造成身體傷害(C)可能造成嚴重肺損傷 (D)會有爆炸危險。
19. 一般設備銘牌上標的電壓和電流值,或電氣儀表所測出來的數值都是 (A)瞬時值 (B)有效值 (C)最大值 (D)平均值。
20. 下列何者為全波整流電路? (A)(B)(C)(D) 。
21. 穩壓電路中,稽納二極體之正端接電源之 (A)中性點 (B)接地端 (C)正端 (D)負端。
22. 控制電路用電線,應使用 (A)多股絞合裸銅線 (B)單股裸銅線 (C)絕緣多股絞合銅線 (D)絕緣單股銅線。
23. 規格為 5.5-6 的壓接端子,其中 6 字是表示 (A)導線的線徑 (B)剝線的長度 (C)端子之總長 (D)鎖緊用螺絲最大直徑。
24. 在正常操作,且提供相同暖氣之情形下,下列何種暖氣設備之能源效率最高? (A)電熱風扇 (B)電熱輻射機 (C)電暖爐 (D) 冷暖氣機。
25. 使用中心沖的作用在 (A)鑽孔 (B)攻牙 (C)定位 (D)測距離。
26. 排除控制電路故障,最簡便之檢查儀表為 (A)電壓表 (B)高阻計 (C)三用電表 (D)電流表。
27. 某無熔線斷路器(NFB),其規格標示為 1P 220V、20AT/50AF、IC 為 5KA,其框架電流、跳脫電流、啟斷電流分別是(A)20A、5KA、50A (B)50A、20A、5KA (C)20A、30A、5KA (D)20A、50A、5KA。
28. 某塑膠薄膜電容器上標示 223J,表示該電容量為 (A)0.022uf±5% (B)0.22uf±10% (C)223uf±5% (D)223uf±10%。
29. 盤箱加工以十字螺絲釘固定器具時,須使用何種工具? (A)剝線鉗 (B)十字起子 (C)尖嘴鉗 (D)一字起子。
30. 避雷器之英文縮寫為 (A)SC (B)RC (C)TB (D)LA。
31. 有關鈎式電表,下列敘述何者錯誤? (A)需切斷電線串聯使用 (B)一般皆兼具有測量電阻及電壓的功能 (C)可不切斷電路來測量電流 (D)只需鈎住一條電源線即可測量電流。
32. PB/ON 在電路圖中之意義為 (A)此按鈕常處於 ON 狀態 (B)此按鈕具有延時特性 (C)操作時接通用按鈕開關 (D)此按鈕必須與 a 接點同時使用。
33. 電氣儀表上表示交直流兩用之符號為 (A)(B)(C)(D) 。
34. 變壓器溫度升高時,其絕緣電阻 (A)不變 (B)時高時低 (C)降低 (D)升高。
35. 用於電動機電路中之電磁開關選用時,其電流容量應選用 (A)AC4 (B)AC2 (C)AC1 (D)AC3 級。
36. 電容器之安全電流,應不得低於電容器額定電流 (A)1.25 倍 (B)1.15 倍 (C)1.35 倍 (D)1.05 倍。
37. 細懸浮微粒(PM2 . 5)除了來自於污染源直接排放外,亦可能經由下列哪一種反應產生? (A)酸鹼中和 (B)光化學反應 (C)光合作用 (D)厭氧作用。
38. 螺絲攻其第一攻、第二攻、第三攻的區別 (A)牙距之深淺 (B)孔之大小 (C)倒角牙紋數之多少 (D)牙距之大小。
39. 根據性別平等工作法,下列何者非屬職場性別歧視? (A)雇主考量男性賺錢養家之社會期待,提供男性高於女性之薪資(B)雇主考量女性以家庭為重之社會期待,裁員時優先資遣女性 (C)有未滿 2 歲子女之男性員工也可申請每日六十分鐘的哺乳時間 (D)雇主事先與員工約定倘其有懷孕之情事,必須離職。
40. 直流電路中阻抗與頻率 (A)成正比 (B)平方成正比 (C)成反比 (D)完全無關。
41. 1'(呎)是: (A)16" (B)8" (C)10" (D)12" 英吋。
42. 3E 電驛的測試(Test)按鈕主要是做下列何種測試? (A)欠相測試 (B)逆相測試 (C)手動跳脫測試 (D)過載測試。
43. 高阻計(Megger)能測量 (A)絕緣電阻 (B)接地電阻 (C)電流 (D)電壓。
44. 變壓器之乾燥劑其主要功用為 (A)防止油劣化 (B)調節油面 (C)調節溫度 (D)防止層間短路。
45. 下列何者不是電氣火災發生的原因? (A)因開關啟斷時所發生的火花,引燃附近的外物 (B)因電路短路引起高溫 (C)電流流入人體 (D)由於電荷聚集,產生靜電火花放電,引燃易燃物。
46. 3 相 220V,20HP 之負載可採用的最小導線為 (A)22 平方公厘 (B)8 平方公厘 (C)30 平方公厘 (D)38 平方公厘。
47. 購買下列哪一種商品對環境比較友善? (A)用過即丟的商品 (B)材質可以回收的商品 (C)過度包裝的商品 (D)一次性的產品。
48. 當電動機控制盤遷移裝置位置後,則 (A)不必量測電源電壓 (B)不必檢查電源相序 (C)需查電源電壓及相序 (D)不必檢查電動機接線是否正確。
49. 內阻各為 1.5KΩ 及 1KΩ 之兩個滿刻度 150V 電壓表,若串聯連接時,可測定之最高電壓為 (A)250V (B)300V (C)150V(D)200V。
50. 電動機正逆轉控制電路之連鎖接點,在防止 (A)短路 (B)接觸不良 (C)開路 (D)過載。
51. 我國線規採用公制,單心線之表示法是以該導線之 (A)截面積 (B)長度 (C)直徑之大小 (D)直徑的平方 來表示。
52. 電器開關的開閉速度是 (A)越慢越好 (B)越快越好 (C)開時慢閉時快 (D)開時快閉時慢。
53. A、B、N 為 110V/220V 單相三線式之三條線,N 為中線,其電壓關係式 (A)VBN=2VAB (B)VA B=VBN (C)VAN=1/2VBN(D)VAB=2VAN。
54. 如左圖所示之符號為 (A)功率因數計 (B)功率表 (C)無效功因表 (D)瓦時表。
55. 使用手捺開關控制日光燈、電扇等電感性負載時,負載應不超過開關額定電流值的 (A)100% (B)60% (C)80% (D)125%。
56. 身為公司員工必須維護公司利益,下列何者是正確的工作態度或行為? (A)工作時謹守本分,以積極態度解決問題 (B)施工時以省時、省料為獲利首要考量,不顧品質 (C)將公司逾期的產品更改標籤 (D)服務時首先考慮公司的利益,然後再考量顧客權益。
57. 下列何者是酸雨對環境的影響? (A)增加水生動物種類 (B)土壤肥沃 (C)增加森林生長速度 (D)湖泊水質酸化。
58. 台灣電力公司電價表所指的夏月用電月份(電價比其他月份高)是為 (A)6/1~9/30 (B)7/1~10/31 (C)5/1~8/31 (D)4/1~7/31。
59. 常用手電鑽能鑽的最大孔徑為 (A)30mm (B)45mm (C)13mm (D)25mm。
60. 對於脊柱或頸部受傷患者,下列何者不是適當的處理原則? (A)向急救中心聯絡 (B)速請醫師 (C)如無合用的器材,需2 人作徒手搬運 (D)不輕易移動傷患。
61. 使用三線式近接開關,下列敘述何者正確? (A)連接 AC110V 電源才可使用 (B)連接 AC110V 電源或連接 AC220V 電源均可使用 (C)連接 DC24V 電源才可使用 (D)連接 AC220V 電源才可使用。
62. 兩台額定功率相同,但額定電壓不同的用電設備,若額定電壓為 110V 設備的電阻為 R,則額定電壓為 220V 設備的電阻為何? (A)2R (B)4R (C)R/4 (D)R/2。
63. 三用電表之靈敏度愈佳,則其 Ω/V (A)愈小 (B)無關 (C)愈大 (D)不一定。
64. 哪一種溫度感測體,需使用與其材質、特性相同或類似的「補償導線」作接續? (A)光敏電阻 (B)Pt100 (C)熱敏電阻 (D)熱電偶。
65. 附有變壓器之 AC220V 指示燈,以三用電表歐姆檔量測,其電阻約為 (A)數萬 Ω (B)數佰 Ω (C)數拾 Ω (D)數仟 Ω。
66. 如下圖所示之符號為 (A)閃爍電驛接點 (B)限制開關接點 (C)按鈕開關接點 (D)限時電驛接點。
67. 如下圖所示,下列何者正確? (A)A 端表示正極 (B)AB 為交流端 (C)此電路為穩壓電路 (D)B 端表示正極。
68. Micro Switch 是指 (A)溫度開關 (B)極限開關 (C)光電開關 (D)微動開關。
69. 單相二線式電壓降之計算式為 (A)3I (B)RI (C)2RI (D)3RI。
70. 職業安全衛生法所稱有母性健康危害之虞之工作,係指對於具生育能力之女性勞工從事工作,可能會導致的一些影響。下列何者除外? (A)經期紊亂 (B)哺乳期間之幼兒健康 (C)妊娠期間之母體健康 (D)胚胎發育。
71. 台灣年降雨量是世界平均值的 2.6 倍,卻仍屬缺水地區,下列何者不是真正缺水的原因? (A)台灣自來水水價過於便宜(B)降雨量在地域、季節分佈極不平均 (C)水庫蓋得太少 (D)台灣由於山坡陡峻,以及颱風豪雨雨勢急促,大部分的降雨量皆迅速流入海洋。
72. 下列何者非通風換氣之目的? (A)防止火災爆炸 (B)稀釋空氣中有害物 (C)防止游離輻射 (D)補充新鮮空氣。
73. 銅質端子鍍銀之目的,在增加電路之 (A)耐衝擊度 (B)絕緣強度 (C)導電性 (D)耐壓強度。
74. 配電箱中,CT 二次側電路若不使用黃色線,則使用 (A)黑色線 (B)白色線 (C)綠色線 (D)紅色線。
75. 一般使用之 1a1b 按鈕開關(PB),當押下 PB 之動作,下列敘述何者正確? (A)a、b 接點動作依押下 PB 大小動作狀況而定 (B)a 接點閉合 b 接點打開同時動作 (C)a 接點先閉合 (D)b 接點先打開。
76. 如下圖所示,IEC 國際標準符號為何? (A)指示燈 (B)限時電驛線圈 (C)輔助電驛線圈 (D)溫度開關線。
77. 導線之電阻與下列何者無關? (A)導體之截面積 (B)電線絕緣材料 (C)導體之材質 (D)溫度之高低。
78. Δ 接三相三線式電源系統,線電壓為 220V 其相電壓應為 (A)380V (B)190V (C)110V (D)220V。
79. 比流器是低導磁鐵心之變壓器,因此二次側不可 (A)接電流表 (B)開路 (C)短路 (D)接電容器。
80. 三相感應電動機欲使用 Y-Δ 啟動控制,則其接線盒內,最少需要幾條出線頭? (A)六條 (B)三條 (C)九條 (D)四條。