所屬科目:泉勝◆基本電學(下冊)
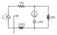
1.如圖所示電路,電流表為理想電流表。總阻抗為何?(統測 113) (A) ( 3 – j 8 ) Ω (B) ( 3 – j 14 ) Ω (C) ( 3 + j 2 ) Ω (D) ( 3 + j 4 ) Ω
2.如圖所示電路,電流表為理想電流表,若電流表指示值為 4A,則下列敘述何者正確?(統測 113) (A) 電源供給的平均功率為 108W (B) 電源供給的虛功率為 8VAR (C) 電源供給的視在功率為 20VA (D) 電路的功率因數為 0.83 超前
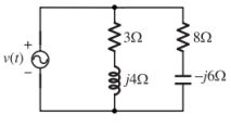
3.如圖所示電路,若流經 8Ω 電阻之電流有效值為 10A,則電源供給之平均功率 P 與虛功率 Q 分 別為何?(統測 112) (A) P = 1000W、Q = 2000VAR (B) P = 2000W、Q = 1000VAR (C) P = 2000W、Q = 2000VAR (D) P = 1000W、Q = 1000VAR
4.如圖所示交流電路,電源電壓,負載 Z 為電感性負載,其視在功率為 5kVA、 實功率 ( 平均功率 ) 為 3kW;若電源的功率因數為 1.0,則電容抗為何?(統測 111) (A) 5 Ω (B) 10 Ω (C) 15 Ω (D) 20 Ω
5.如右圖所示之交流穩態電路,若20cos(377t +900 )A,則電源所供應之視在功率為何?(統測 110) (A) 4800VA (B) 2400 ( )VA(C)VA (D) 2400VA
6.如圖所示 RLC 並聯電路,電源電壓,若I1的電流大小為10A,的電流 大小為8A,則電路的功率因數為何?(統測 109) (A) 0.5 (B) 0.707 (C) 0.886 (D) 1
7.某單相負載端電壓= 400sin(377t)V ,負載電流 iL(t) = 40sin(377t-60°)A,則下列敘述何者正確? (統測 111) (A) 負載的視在功率為 16kVA (B) 負載的實功率 ( 平均功率 ) 為 8kW (C) 負載的虛功率為kVAR ( 電感性 ) (D) 負載的最大瞬間功率為 12kW
8.有一單相交流電路,若電源電壓 v(t) = 120sin(314t +30°) V,電源電流 i(t) = 2sin(314t–15°) A ,則 下列對此電路的敘述,何者正確?(統測 105) (A) 最小瞬間功率 Pmin = -120W (B) 平均功率 P= 120W(C) 虛功率 Q = 60VAR (D) 瞬間功率的頻率 fp = 100Hz
9.某 RL 並聯電路的電阻 R = 4Ω,輸入電壓= 40∠00V,若總視在功率大小為 500 VA,則電感抗 約為多少歐姆?(統測 104)(A) 2.66 (B) 5.33 (C) 10.66 (D) 16
10.將交流電壓電源 v(t)=與 50μF 電容器串聯,下列敘述何者錯誤?(統測 109) (A) 瞬間功率的最大值為 100W (B) 瞬間功率的角頻率為 200rad / s (C) 平均功率為 0W (D) 電壓相位落後電流相位
11.一個交流電壓源 v(t) = ,提供電流 i(t) = 10cos(120πt–30° ) A,則下列敘述 何者正確?(統測 107) (A) 瞬間功率的最大值 Pmax = 825W (B)瞬間功率的最大值 Pmax = (C) 瞬間功率的頻率 fp = 60Hz (D) 瞬間功率的頻率 fp = 120Hz
12. 有一 RC 串聯電路,已知其電阻 R = 24Ω 以及電容抗 = 18Ω。若將此電路接於 v(t) = 120cos (377t +30° ) V 之電源,則電源所供應之最大瞬間功率為何?(統測 110) (A) 480W (B) 432W (C) 384W (D) 192W