所屬科目:泉勝◆基本電學(下冊)
1.如圖之 RC 並聯電路,若 R = 3Ω,C = 500μF,當接於 v(t)=之電源電壓時,則=2∠90°V。(A)O(B)X
2.如圖之 RC 並聯電路,若 R = 3Ω,C = 500μF,當接於 v(t)=12sin(500t) V 之電源電壓時,則=5∠370A。(A)O(B)X
3.如圖之 RC 並聯電路,若 R = 3Ω,C = 500μF,當接於 v(t)=12sin(500t) V 之電源電壓時,則?̅=2.4∠370A。(A)O(B)X
4.如圖之 RC 並聯電路,若 R = 3Ω,C = 500μF,當接於 v(t)=12sin(500t) V 之電源電壓時,則=∠370S。(A)O(B)X
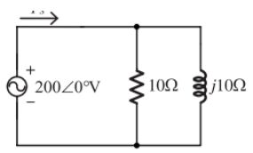
5.如圖所示 RLC 並聯交流電路,已知=100∠300V,R = 20Ω、XL = 10Ω、XC = 20Ω,則450S。(A)O(B)X
6.電路如圖,i(t)=5sin(100t+300)A,R = 4Ω,XL=3Ω,則 ir(t)=3sin(100t+830)A。(A)O(B)X
7.電路如圖,i(t)=5cos(100t)A,R = 3Ω,XC=4Ω,則 ic(t)=3sin(100t+530)A。(A)O(B)X
1.有一電阻 R 並聯一電容 C 之交流電路,當加入電源電壓 v(t) = 150 sin(1000t - 10°) V 時,產生的電源電流為 i(t) = 15sin(1000t + 35°) A,試求電阻 R 及電容 C 為多少? 選項: (A) R = 100 Ω, C = 100 μF (B) R = 100 Ω, C = 10 μF (C) R = 10 Ω, C = 100 μF (D) R = 10 Ω, C = 10 μF
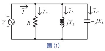
2.如圖(1)所示RL 並聯交流電路,若電源電壓 = 240∠0°V,則電流為何?(A) (15-j20) A (B) (20-j15) A (C) (15+j20) A (D) (20+j15) A
3.某RL並聯電路的電阻R=3Ω,電感抗XL=3Ω。若總消耗電流為8sin(377t) A,則流經電阻的電流為何?(A) 4sin(377t+45°) A (B) 4sin(377t-45°) A (C) 4 sin(377t+45°) A (D) 4 sin(377t-45°) A
5.如圖(1)所示 RLC 並聯交流電路,已知= 100∠30°,R = 20Ω、XL = 10Ω、XC = 20Ω,則下列敘述何者正確? (A) 相角超前相角 30° (B)相角超前相角 90° (C) = 5∠-15° A (D) = 5∠0° A
6.如圖(1)所示之交流穩態電路,已知各支路電流有效值為Is=30A、IR=24A、IC=6A,則電感電流有效值IL為何? (A) 0A (B) 18A (C) 24A (D) 30A
7.如圖(4)所示之交流正弦波電路,負載1、負載2及負載3皆為 RLC 組合之被動電路,若= 100∠45° V、= 200∠45° A、 = 100 A、= 100∠90° A,則下列敘述何者正確? (A) 負載 1 為純電感性負載 (B) 負載 2 為純電容性負載 (C) 負載 3 為純電阻性負載 (D) 負載 1 為純電阻性負載
8.有一交流電源供給 RLC 並聯電路,若 R = 10Ω,XL = 5Ω,XC = 10Ω,則電源電流與電源電壓的相位關係為何?(統測 106)(A) 電流相位落後電壓相位(B) 電流相位超前電壓相位(C) 電流與電壓同相位(D) 無法判斷
9.有一 RLC 並聯交流電路,若 R = 10Ω、L = 10mH、總導納 = (/10)∠45° S,電源電壓 v(t) = 10sin(1000t + 30°) V,則下列敘述何者正確? (A) 流經電感器的電流 iL(t) = 1.0sin(100t - 60°) A (B) 電容 C = 20μF (C) 此電路為電容性電路 (D) 電源電流 i(t) = 50sin(1000t - 15°) A