所屬科目:泉勝◆基本電學(下冊)
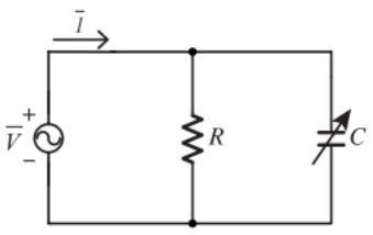
1.如右圖所示之交流電路,若將電路中之電容器 C 值調小,則下列敘述何者錯誤?台北捷運112(A) 電容器容抗 Xc 值變大(B)值變小(C) 與間之相位角 θ 變大(D) 超前
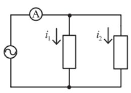
2.如右圖所示,交流電路 i₁ = 6 sin 377t 安培,i₂ = 8sin(377t + 90°) 安培,則交流電表 A 之讀值為何?
(A) 10 安培(B) 10 安培(C) 14 安培(D) 14安培
3.有一RL串聯電路,當輸入為直流48伏(V)時,量得輸入電流為16安培( A );當輸入為交流100伏(V)時,量得輸入電流為10安培( A ),求電感抗(XL)約為多少歐姆(Ω)?(A) 0.2(B) 9.5(C) 13.3(D) 16.6
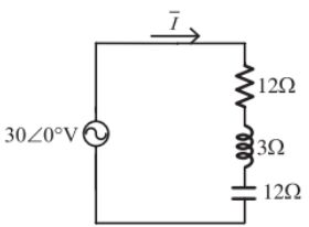
4. 如下圖所示之電路,其中電源之電壓相量為V? ̿=20∠00V,其電壓為 vs(t)=20sin(3t) V,L1=2H,C1=0.1F, R1=R2=4Ω,則V? ̅ =?(A)6.4∠-1050V(B)64∠-1050V(C)6.4∠1050V(D)6.4∠-150V 普考 112
5.如右圖所示之電路,若交流電源頻率為300Hz,且流經各電感之電流為Ii =|li|∠0i,則|I1|:|12|:|13|:|14|為何?(A) 20:5:10:2(B) 20:10:5:2(C) 1:2:4:10(D) 1:4:2:10
6. 如下圖所示,其戴維寧等效電路阻抗 Zab 為何?(A)6-j8(B)6+j8 (C) 8+j6 (D)8-j6
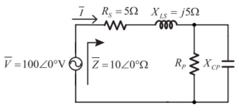
7.電路圖所示,Rp=?(A)6Ω(B)8Ω(C)10Ω(D)12Ω
8.電路圖所示,Xcp=?(A)6Ω(B)8Ω(C)10Ω(D)12Ω
9.電路圖所示,?(A)10∠00A(B)12∠00A(C)16∠00A(D)18∠00A
10.在交流電路中,電阻為 60Ω、電感抗為 j120Ω、電容抗為-j40Ω 串聯,串聯後的總阻抗絕對值為何?(台糖 111) (A) 170.9Ω (B) 116.6Ω (C) 100Ω (D) 50Ω
11.交流電路中,電阻為 30Ω 與電感抗為 j40Ω 並聯,並聯後阻抗的絕對值為何?(台糖 111)(A) 70Ω (B) 50Ω (C) 36Ω (D) 24Ω
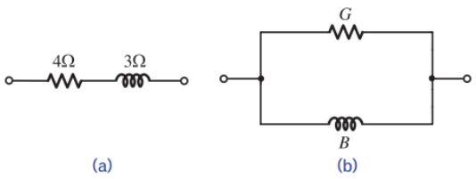
12.如下圖所示交流電路,圖(a)為交流RC並聯電路,圖(b)為其等效串聯電路,R及Xc各為多少歐姆?(A) R=50Ω、Xc=25Ω(B) R=25Ω、Xc=50Ω(C) R=20Ω、Xc=10Ω(D) R=10Ω、Xc=20Ω
13.如右圖所示電路,下列選項何者正確?(複選題) (A) (B)(C) (D)
14.如下圖所示,當 R-L 並聯電路轉換 R-L 串聯電路,圖中 R₁=2Ω,ωL₁=4Ω,則 R₂ 應為多少 Ω?(A) 0.8(B) 1.6(C) 2(D) 4
15.某電路測量得知電源電壓 v(t) = 100cos(377t - 30°) V,電路電流 i(t) = 10sin(377t + 60°) A,請問該電路屬於何種特性? (A) RC 串聯電路 (B) 純電感電路 (C) 純電容電路 (D) 純電阻電路
16.有一線圈電感量為20mH,接於v(t)=10sin(100t-10°)V之電源,則此線圈之電感抗XL約為多少? (A) 1Ω (B) 2Ω (C) 3Ω (D) 4Ω
17. 50Hz、10V 之交流電源連接至一理想電感器,若測得流過電感器電流為 0.5A,則此電感器之電感量為多少?(自來水 111) (A) 45.5mH (B) 50.0mH (C) 62.5mH (D) 63.7mH
18.如右圖所示之 RLC 串聯電路,若已知 v_L(t) = 20cos(100t - 53°) V,請問下列何者正確? (A) = 50∠-90° V (B)= 50∠90° V (C)= 10∠-37° Ω (D) = ∠-53° Ω
19.有一電感器之電感值為0.2H,若流過的電流 iL(t) = 2 cos(100t – 30°) A,則其端電壓 v(t) 為下列何者? (A) v(t) = 4 sin(100t – 60°) V (B) v(t) = 40 sin(100t – 60°) V (C) v(t) = 4 sin(100t + 150°) V (D) v(t) = 40sin(100t + 150°) V
20.若將下圖(a)之串聯電路轉成等效之並聯電路圖(b),則G與B分別為多少歐姆? (A) G=0.16, B=0.12 (B) G=1.6, B=1.2 (C) G=0.16, B=-0.12 (D) G=1.6, B=-1.2