所屬科目:技檢◆工業配線-丙級
1. 如下圖所示,加上額定電壓( E )時,電驛 R (A)不動作 (B)瞬間動作後停 (C)正常動作 (D)反覆動作
3. 如下圖所示,下列敘述何者正確? (A)當開關切入 1,2 位置時,a 及 1 不 通 (B)當開關切入 c 位置時,c 與 3 及 4 不通 (C)當開關切入 b 位置時,1 與 2 不通 (D)當開關切入 a 位置時,5 與 6 是通路 。
4. 如下圖所示,X 電驛之動作為 (A)能 ON 能 OFF (B)不能 ON 亦不能 OFF (C) 能 ON 但不能 OFF (D)不能 ON 但能 OFF 。
5. 如下圖所示,控制電路可做為一台三相感應電動機 (A)啟動控制 (B) 正逆轉控制 (C)斷續動作控制 (D)ON、OFF 起動控制 。
7. 如下圖所示,電磁接觸器 MCF 在運轉中,如再按 ON2 按鈕,則電磁接觸器 MCR (A)不一定動作 (B)不動作 (C)動作 (D)發生故障 。
8. 如下圖所示,當 ON 及 OFF 按鈕開關同時押下時,電磁接觸器 MC 之線圈 (A)不一定動作 (B)動作 (C)電路短路 (D)斷續動作
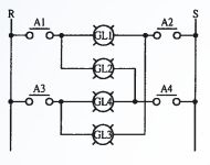
9. 如下圖所示,當 A1 、A4 之接點閉合時 (A)GL1 、GL2 、GL3 、GL4 亮度相同 (B)GL1 較亮,GL2 、GL3 、GL4 不亮 (C)GL2 較亮,GL1 、GL3 、GL4 微亮 (D)GL1 、GL4 亮,GL2 、GL3 微亮 。
10. 如下圖所示,A、B 兩接點之作用為 (A)連動 (B)避免同時投入 (C)保持接點 (D)可同時投入 。
34. 三相感應電動機起動時在下列四種起動方法中轉矩最大者為 (A)起動 (B)二次電阻起動 (C)自耦變壓器起動 (D)全壓起動 。
39. 在下圖中將 S 投入後指示燈即 (A)繼續亮 (B)熄滅 (C)反覆點滅 (D)只亮一次, 旋即熄滅 。
54. 如下圖所示,未通電時,以三用電表量測按鈕開關 PB1 之 a 接點兩端之電阻值為 (A)無限大 (B)接近無限大 (C)電磁接觸器線圈與指示燈內阻之並聯值(D)電磁接觸器線圈與指示燈內阻之串聯值 。
55. 如下圖所示,電磁接觸器線圈之內阻值為 300Ω,指示燈之內阻值為 600 Ω。通電後,若 PB1 或 PB2 均未動作,則電磁接觸器輔助 a 接點間之電壓值為 (A)0VAC (B)220VAC (C)VAC (D)220×600/900 VAC 。
59. 有關「電業供電電壓及頻率標準」之電源系統標示,下列何者錯誤? (A)12W 110VAC (B)12W 220VAC (C)34W 380/220VAC (D)34W 220/110VAC
61. 如下圖所示之歐規斷路器,若其規格為 3 P 220VAC 25KA 25A,下列有關 該器具之功能敘述何者錯誤? (A)適用於 33W 220VAC 之電源系統 (B)具 有三相同時投入與切離之手動裝置 (C)當二次側短路時,自動跳脫 (D)當二次側負載電流大於 25A 時,自動跳脫 。
62. 如下圖所示之歐規斷路器,若其規格為 3 P 220VAC 25KA 2.5~4A 過載可 調,瞬跳值為 10 倍以上,下列有關該器具之功能敘述何者錯誤? (A)當過載旋鈕切於 4A 時,若負載電流大於 40A,則該斷路器做過載跳脫 (B)該斷路器具有過載及短路跳脫功能 (C)當短路電流大於 25KA 時,該斷路器無跳脫功能 (D)該斷路器二次側不必加裝過載保護電驛