阿摩線上測驗
登入
首頁
>
技檢◆汽車修護-乙級
> 114年 - 02000 汽車修護 乙級 工作項目 04:汽車電系(含空調) 151-198(2025/10/15 更新)#132184
114年 - 02000 汽車修護 乙級 工作項目 04:汽車電系(含空調) 151-198(2025/10/15 更新)#132184
科目:
技檢◆汽車修護-乙級 |
年份:
114年 |
選擇題數:
48 |
申論題數:
0
試卷資訊
所屬科目:
技檢◆汽車修護-乙級
選擇題 (48)
複選題
151. 如圖所示,下列何者正確?
(A)當開關 OFF 時,a點的電壓應為 12V (B)當開關 OFF 時,a點的電壓應為 0V (C)當開關 OFF 時,b點的電壓應等於c點的電壓 (D)當燈泡燒斷且開關 ON 時,a點的電壓應等於c點的電壓 。
複選題
152. 如圖所示,下列何者正確?
(A)若 A=B=C=0,則 Q=0 (B)若 A=C=0,B=1,則 Q=0 (C)若 A=1,B=C=0,則 Q=1 (D)若 A=0,B=C=1,則Q=1 。
複選題
153. 關於充電系統的敘述,下列何者錯誤? (A)做輸出電流測試時,若發電機正常,則其輸出電流應高於額定電流值 90% (B)當電瓶電壓高於 15.5V時,電壓調整器會將磁場電流切斷,以避免電瓶過度充電 (C)當電瓶逐漸接近充滿電的狀態時,其充電電流會逐漸變小 (D)車上電器負載越大,則發電機的輸出電流越大 。
複選題
154. 如圖所示,下列敘述何者錯誤?
(A)當水溫錶單元短路時,水溫錶的指針會指在 C 的位置 (B)當線圈 Lc 的搭鐵線路斷路時,水溫錶的指針會指在H 的位置 (C)當 D 端子與水溫錶單元之間線路斷路時,水溫錶的指針會指在 H 的位置 (D)可藉由量測 A 端子或 D 端子與 B 端子之間的電阻,以判斷與 B 端子之間的線圈 Lc 搭鐵迴路是否斷路 。
複選題
155. 有關汽車電系之敘述,下列何者正確? (A)有關汽車各電路系統的電線使用,黑色接線大都使用在搭鐵 (B)線色符號 R-B 是代表紅底藍條紋的電線顏色 (C)電線標示符號 1.25G-B 中的 1.25 代表電線顏色 (D)接頭以雙框線來標示接頭輪廓的是母接頭,而以單框線來標示接頭輪廓的是公接頭 。
複選題
156. 下列何者與電磁感應電壓的大小有密切關係? (A)通過線圈的電流大小(B)線圈匝數 (C)線圈內磁場的變化 (D)通過線圈電流的方向 。
複選題
157. 有關充電系統的敘述,下列何者錯誤? (A)發電機的發電的原理是利用電流的熱效應 (B)改變磁場線圈輸入電流大小及引擎轉速的高低不會對發電機的輸出電壓造成影響 (C)定子線圈所輸出的電流需再經整流器的整流後才可提供給車上電器設備使用 (D)當曲軸皮帶盤的轉速約為 2000rpm 時,發電機皮帶盤的轉速約為 1000rpm 。
複選題
158. 若電路上的電流低於規定值,可能是什麼原因造成的? (A)電壓過高 (B)電壓降過高 (C)阻抗過高 (D)線路短路 。
複選題
159. 有三個燈泡以並聯方式連接,如果有一個燒毀,下列敘述何者正確? (A)另外兩個燈泡都會熄滅 (B)另外兩個燈泡都會變更亮 (C)整個電路上總電阻會增加 (D)整個電路上總電流會減少 。
複選題
160. 有關串聯電路上,下列敘述何者正確? (A)整個電路上電流都是相等的 (B)電路上每一個電阻都會有電壓降產生 (C)電路上所有電壓降的總合會等於電壓源的電壓 (D)整個電路上的總電阻會小於電路上最小的電阻 。
複選題
161. 有關車輛恆溫空調系統,下列敘述何者正確? (A)當車室外溫度比車室內溫度低時可能會吹熱風 (B)恆溫溫度設定調高一點壓縮機作用時間較短(C)恆溫空調風速控制自動調節 (D)車室外溫度感應器一般都裝在前保險桿後方 。
複選題
162. 當車輛發動開冷氣後,冷媒量正常,複合壓力錶低壓端壓力值為 0 psi,高壓端壓力值為 150 psi,下列敘述何者正確? (A)壓縮機故障 (B)膨脹閥堵塞 (C)低壓管堵塞 (D)高壓管堵塞 。
複選題
163. 有關車輛電器裝置,下列敘述何者正確? (A)當雨刷開關置於 OFF 位置時,雨刷馬達內的靜位裝置會使雨刷回到起始位置 (B)車速錶上所指示的車速與輪胎的尺寸規格有關 (C)燃油錶單元通常是使用可變電阻,電阻越小時,燃油錶指針會指在越接近 FULL(滿)的位置 (D)當機油壓力高於規定值時,機油壓力開關的接點會導通,使機油壓力警告燈亮起 。
複選題
164. 有關汽車交流發電機,下列敘述何者錯誤? (A)引擎過熱時,交流發電機的發電量必會增加 (B)交流發電機的調整器設有電流調整器 (C)交流發電機的輸出電流經過碳刷 (D)交流發電機利用半導體整流 。
複選題
165. 有關汽車交流發電機,下列敘述何者正確? (A)磁場在線圈中轉動的為交流發電機 (B)交流發電機的靜子線圈內感應出電壓經處理後為交流電 (C)發電原理係利用夫萊銘右手定則 (D)若磁場置於水平方向,當線圈位於垂直(0°)位置時,感應電壓與電流為 0 。
複選題
166. 如圖所示為喇叭電路中喇叭按鈕開關按鈕未按時,下列敘述何者正確?
(A)喇叭繼電器的白金接點為開 (B)喇叭開關如果短路#6 保險絲將會燒毀(C)喇叭按鈕開關控制電路的搭鐵 (D)繼電器是控制喇叭的搭鐵 。
複選題
167. 有關汽車電線的敘述,下列何者正確? (A)號數越小,電阻越小 (B)號數越大,線徑越粗 (C)電線的長度越長,電阻越大 (D)線徑和電阻無關 。
複選題
168. 有關氙氣頭燈的敘述,下列何者錯誤? (A)有安裝氙氣頭燈必須配有自動頭燈高低調整 (B)有安裝氙氣頭燈下雨天較亮 (C)有安裝氙氣頭燈必須配有凸透鏡 (D)有安裝氙氣頭燈比較省電 。
複選題
169. 有關電瓶極板組的敘述,下列何者正確? (A)隔板平滑面向負極板 (B)隔板槽溝面向正極板 (C)正極板比負極板多一片 (D)正極板作用時易彎曲 。
複選題
170. 有關汽車電路中搭鐵的原則,下列敘述何者正確? (A)ECU 之搭鐵應與車上電器分開 (B)大電流與小電流零件搭鐵應分開 (C)電源線搭鐵與訊號線搭鐵可以一起搭接 (D)須使用搭鐵螺絲進行搭鐵,不可使用一般螺絲進行搭鐵 。
複選題
171. 有關於雨刷系統,下列敘述何者錯誤? (A)目前小型汽車所使用的雨刷馬達以串聯式為最多 (B)三碳刷式雨刷馬達,其中相隔 120 度的碳刷接通時,則雨刷為低速作動 (C)雨刷作動時,將雨刷開關 OFF 後,雨刷片不會停在該停止的位置,其原因是雨刷馬達高速碳刷電路斷路 (D)雨刷之噴水馬達以永久磁鐵式馬達居多 。
複選題
172. 如下圖所示,電瓶電壓為 12V,當引擎電腦驅動風扇繼電器時,風扇無作用,測量繼電器 1&3 號腳位時為 12V, 下列何者可能故障?
(A)風扇繼電器 (B)#12 保險絲 (C)風扇馬達 (D)搭鐵不良 。
複選題
173. 有一輛車的引擎無法搖轉(cranking),下列敘述何者正確? (A)應檢查起動線路 (B)應檢查噴油嘴是否噴油 (C)檢查電瓶起動電壓應保持在 9.6V以上 (D)檢查點火系統 。
複選題
174. 檢修汽車起動系統時,起動時搖轉緩慢,但電瓶經檢查作用正常,下列敘述何者正確? (A)應使用電壓錶測試起動電流 (B)有可能是起動馬達電樞銅刷磨耗 (C)電瓶起動電壓降過高,才須執行起動電流測試 (D)應於點火開關到起動馬達兩端進行起動電壓降測試 。
複選題
175. 當技師對一個四缸四行程引擎進行起動電流測試時,如起動馬達搖轉速度過慢且顯示起動電流值大於標準時,則下列敘述何者錯誤? (A)吸住線圈斷路 (B)起動馬達銅套過度磨耗 (C)起動馬達銅刷磨耗 (D)電瓶至起動馬達電源線電阻過高 。
複選題
176. 在踩下煞車後,煞車燈電路的燈光只有一個不亮,其餘都能照亮。最可能的原因是 (A)該燈線路斷路 (B)尾燈開關斷路 (C)保險絲熔斷 (D)燈泡燒毀 。
複選題
177. 當一位技師將已燒毀的室內燈保險絲更換後,開燈後仍馬上燒毀,則其可能原因下列何者正確? (A)室內燈瓦特數不對 (B)可能是迴路電阻增加,引起電流增加所致 (C)檢查線路是否有異常搭鐵 (D)檢查線路是否有短路 。
複選題
178. 車內室內燈開關在”Door”位置,行進間室內燈會閃爍,下列敘述何者錯誤? (A)電源到燈泡間短路 (B)電源到室內燈間線路導線斷路 (C)室內燈或車門開關接頭異常 (D)室內燈燒毀 。
複選題
179. 使用電壓錶測試常開型煞車燈開關時,下列敘述何者正確? (A)煞車踏板未被踩下時開關會有電源輸入,但無電源輸出 (B)煞車踏板被踩下時開關有電源輸入,但無電源輸出 (C)踩下時開關有電源輸入,但無電源輸出此現象說明開關斷路 (D)當踩下煞車踏板時接頭兩端應都有電壓說明開關短路 。
複選題
180. 如圖所示線路圖中駐車警告燈持續亮起,下列何者不是故障原因?
(A)接點 C 對搭鐵短路 (B)接點 D 斷路 (C)接點 A 高阻抗 (D)接點 B 短路 。
複選題
181. 如圖所示駐車警告燈之線路,下列何者敘述何者正確?
(A)駐車警告燈與駐煞車開關串聯 (B)駐煞車開關與液面開關串聯 (C)接點 A 高阻抗過高時,駐車警告燈會不亮 (D)駐煞車開關或液面開關任一開關接通會使駐煞車燈亮起 。
複選題
182. 如圖所示多功能電錶的顯示數值,有關數值表示下列敘述何者正確?
(A)表示電阻值為 16 Ohms (B)表示電阻為 16 伏特 (C)表示電壓為 16 Ohms (D)表示電阻值為 0.016 千歐姆 。
複選題
183. 如圖所示下列表中為各電子元件符號,哪些項目中電子符號與意義敘述錯誤?
(A)A (B)B (C)C (D)D 。
複選題
184. 某功率天線故障無法作用,因此技師換入標準的 15 安培保險絲後保險絲馬上燒毀,下列有關故障原因與處理方式之敘述何者正確? (A)電路斷路所致 (B)電路短路所致 (C)應換入 20 安培的保險絲以保護此電路 (D)可使用電流錶檢測電流大小,判斷是否線路短路 。
複選題
185. 有一位技師尋找車身電器裝置之線路,下列各系統現行常見線路的顏色何者正確? (A)油電混合動力車高壓電被覆線為橘色(orange) (B)黑色(black)一定是搭鐵線 (C)SRS 的被覆線是黃色(yellow) (D)電子轉向系統之電源線線色是藍色(blue) 。
複選題
186. 如圖所示為手套箱電路圖,打開手套箱時手套箱中的燈不亮,在手套箱打開時將開關閉合,使用測試燈接到 C 點後亮起,下列何者不可能引起此現象
(A)燈泡燈絲燒毀 (B)在開關與搭鐵之間有斷路 (C)電路中接點 B 有高阻抗 (D)電路中 D 點對搭鐵有短路 。
複選題
187. 下列有關冷氣系統的敘述,何者錯誤? (A)壓縮機(compressor)吸入的冷媒為液態冷媒 (B)貯液筒(receiver)兩端連接錯會使冷房效果更佳 (C)冷凝器(condenser)流出的冷媒應為液態冷媒 (D)貯液筒檢視窗如發現氣泡多表示冷媒量足夠 。
複選題
188. 如圖所示為喇叭電路圖,下列敘述何者正確?
(A)使用 33A 保險絲 (B)喇叭繼電器之第 3 號腳接高音喇叭 (C)喇叭是採用控制開關搭鐵來決定是否動作 (D)繼電器未作用時第 2 號與第 3 號腳測量電阻是∞Ω 。
複選題
189. 如圖所示,當喇叭繼電器白金接點斷路時,下列敘述何者正確?
(A)V
1
=12V (B)V
2
=12V (C)V
3
=12V (D)V
4
=0V 。
複選題
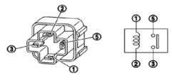
190. 如圖所示為四腳繼電器其檢查之敘述何者錯誤?
(A)在目視檢查時 1-2 端子較粗 (B)在 1-2 端子未通電時 5-3 端子之電阻為∞Ω (C)要測量白金接點好壞,應將 5-3 端子通 12 伏特電壓,再用歐姆表量測 1-2 端子 (D)線圈斷路並不影響白金接點的作用 。
複選題
191. 下列何者屬於電路中的保護裝置 (A)繼電器 (B)保險絲 (C)開關 (D)易熔絲 。
複選題
192. 下列何者在電路中屬於常見電器負載? (A)馬達 (B)線圈 (C)開關 (D)電磁閥 。
複選題
193. 如圖所示為各元件符號,何種元件具有以小電流控制大電流之功能? (A)
(B)
(C)
(D)
。
複選題
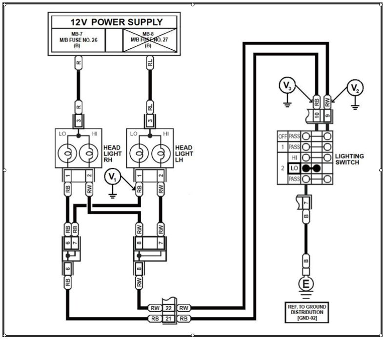
194. 如圖所示某頭燈配線迴路,每個遠/近頭燈為 60W,當燈開關在 LO 位置,電瓶電壓 12V,假設 M/B FUSE NO. 27 燒斷時,下列測量值何者正確?
(A)V
1
=0V (B)V
2
=12V (C)V
3
≒0V (D)V
1
=12V、V
2
=12V 。
複選題
195. 如圖所示某頭燈配線迴路,每個遠/近頭燈為 60W,電瓶電壓 12V,假設M/BFUSE NO.27 燒斷時,下列測量值何者正確?
(A)當開關在 OFF 位置時 V
3
=12V (B)當開關在 HI 位置時 V
2
=12V (C)當開關在 LO 位置時 V
1
=0V(D)當開關在 LO 位置時 V
3
≒0V 。
複選題
196. 如圖所示為某汽車電器配線迴路,電瓶電壓 12V,點火開關在 ON 位置時,使用電壓錶測量各接點,則下列何者正確?
(A)當 SW1OFF、SW2OFF,VA=12V 表示保險絲未斷路 (B)當 SW1 ON、SW2 OFF 時 VB=12V表示 SW1 斷路 (C)當 SW1 ON、SW2 OFF 時 VC=12V 表示 Solenoid 搭鐵不良 (D)當 SW1 ON、SW2 ON、繼電器線圈燒毀斷路時 VC=12V 。
複選題
197. 使用汽油引擎與電動馬達混合動力之車輛,低速時引擎未運轉並使用馬達起步模式時,為因應車輛使用及運轉需求,因此在車輛動力與車身電控系統上採用哪些設計? (A)電動水泵 (B)電動冷氣壓縮機 (C)電動輔助轉向馬達 (D)電動活塞 。
複選題
198. 使用脈波調變(PWM)控制之充電系統,其特性說明下列何者正確? (A)主要透過執行電壓可變訊號(DUTY CYCLE)控制 (B)與傳統式相較,藉由發電機發電量減少,以減輕引擎負荷 (C)電瓶電流感知器及溫度感知器安裝在負極極板上 (D)電瓶溫度高時,系統會降低充電電壓 。
申論題 (0)
相關試卷
114年 - 02000 汽車修護 乙級 工作項目 06:專業英文及手冊查閱 1-42(2025/10/15 更新)#132185
114年 · #132185
114年 - 02000 汽車修護 乙級 工作項目 04:汽車電系(含空調) 101-150(2025/10/15 更新)#132183
114年 · #132183
114年 - 02000 汽車修護 乙級 工作項目 04:汽車電系(含空調) 51-100(2025/10/15 更新)#132182
114年 · #132182
114年 - 02000 汽車修護 乙級 工作項目 04:汽車電系(含空調) 1-50(2025/10/15 更新)#132181
114年 · #132181
114年 - 02000 汽車修護 乙級 工作項目 02:汽油引擎(含柴油引擎) 151-211(2025/10/15 更新)#132174
114年 · #132174
114年 - 02000 汽車修護 乙級 工作項目 02:汽油引擎(含柴油引擎) 101-150(2025/10/15 更新)#132173
114年 · #132173
114年 - 02000 汽車修護 乙級 工作項目 02:汽油引擎(含柴油引擎) 51-100(2025/10/15 更新)#132172
114年 · #132172
114年 - 02000 汽車修護 乙級 工作項目 02:汽油引擎(含柴油引擎) 1-50(2025/10/15 更新)#132171
114年 · #132171
114年 - 02000 汽車修護 乙級 工作項目 01:器具使用與保養(含常用量具) 1-64(2025/10/15 更新)#132170
114年 · #132170
114年 - 114-1 全國技術士技能檢定學科_乙級:02000汽車修護#128050
114年 · #128050