所屬科目:台電◆電子學
1.2個電容編碼分別為104及223之陶瓷電容器以並聯方式接在一起,試求其等效電容為多少nF?(A)1.8(B)12.2(C)18(D)122
2.有8顆100瓦的省電燈泡,每天點亮10小時,每月點亮30天,若1度電為5元,試求每月電費為多少元?(A)600(B)720(C)960(D)1,200
3.如下圖所示之電路,在電路穩定後流經電流為I,當短路時,則流經電流變成,試為多少?
(A)(B)(C)(D)2
4.如下圖所示之電路,二極體順向壓降為0.7V,若=+4.8V,試求為多少V?
(A)+3.5(B)+4.5(C)+5.5(D)+6.5
5.有關矽控整流器(SCR)之敘述,下列何者正確?(A)其構造相當於2個NPN電晶體組成(B)具有雙向導通之能力(C)發生觸發導通之角度稱為觸發角(D)使SCR導通之方法僅有一種
6.有一放大器,若其電壓增益為1,000,=100kΩ、=100Ω,試求其功率增益為多少dB?(A)30(B)50(C)70(D)90
7.下列有關MOSFET之敘述,何者有誤?(A)閘極與源極間的直流電阻接近無窮大(B)增長型之P型MOSFET與空乏型之N型MOSFET特性完全相同(C)閘極與通道(Channel)間,一般是使用二氧化矽(SiO2)阻隔(D)空乏型在製造上比增長型增加離子佈植(IonImplantation)手續
8.採用電晶體作為開關電路,若負載為電感性,應採下列何種保護措施?(A)將二極體與負載並聯(B)將電阻器與負載串聯(C)將電容器與負載串聯(D)將電阻器與負載並聯
9.有一色碼電阻施加16伏特直流電壓,若其色碼先後次序為黃、黑、橙、金,試求該電阻流過之最大電流為多少μA?(計算至整數位,以下四捨五入)(A)381(B)421(C)481(D)521
10.以三用電表量測一燈泡電阻,若量測結果無窮大,有關此燈泡之敘述,下列何者正確?(A)故障(B)瓦特數很小(C)瓦特數很大(D)額定電壓很高
11.如下圖所示2個DCV表,分別為DCV1(滿刻度100V,內阻20kΩ)及DCV2(滿刻度150V,內阻5kΩ),試求最大可測直流電壓為多少V?(A)100(B)125(C)150(D)225
12.正反器(Flip-Flop)屬於下列何種電路?(A)雙穩態(B)整流器(C)無穩態(D)單穩態
13.在室溫下,溫度每升高1℃時,二極體的順向電壓降低約多少mV?(A)1(B)2(C)4(D)5
14.已知有一BJT,其=80mA/V、=2.5kΩ、=25mV,試求β為多少?(A)100(B)200(C)250(D)400
15.下列何者為使用小信號放大器之主要目的?(A)功率放大(B)穩定性佳(C)線性放大(D)頻率響應佳
16.量測某一PNP型BJT電路,結果得知其射極接地,分別為基極電壓0.7V、集極電壓-4V,試問該電晶體操作應在下列何區?(A)順向主動區(B)逆向主動區(C)飽和區(D)截止區
17.有一BJT之β=99,試求其α值為多少?(A)0.98(B)0.985(C)0.99(D)0.995
18.如下圖所示之電路,已知BJT之β=100,試求其處於飽和狀態的最小電流I為多少mA?(計算至小數點後第1位,以下四捨五入)
(A)0.1(B)0.2(C)0.5(D)0.8
19.以示波器觀察到頻率同為1kHZ,惟相位差180°的2個正弦波形,若示波器的水平掃瞄選擇為0.1ms/DIV,則兩正弦波相距多少DIV?(A)4.5(B)5(C)5.5(D)6
20.下列何者為JFET工作原理最主要之控制目標?(A)通道中載子的濃度(B)通道之導電係數(C)通道接面的電流(D)接面空乏區的厚度
21.有一全波整流電路,已知輸出直流電壓為100V,試求漣波電壓峰值為多少V?(A)48(B)48√2(C)96(D)96√2
22.如下圖所示,有一理想運算放大器電路,若其Vi=0.3V,試問下列電流、電壓值何者有誤?
(A)=-4.5V(B)=0.9V(C)I2=0.2mA(D)I1=-0.1mA
23.有一脈波之週期為5ms,脈波寬度時間為2ms,試求其工作週期為多少%?(A)20(B)30(C)40(D)60
24.有一家庭用電為110V/60Hz,下列何者為其瞬時電壓表示式?(單位:伏特)(A)110sin(60t)(B)110sin(60πt)(C)110√2sin(60πt)(D)110√2sin(120πt)
25.下列何者為漂移電流形成的原因?(A)空乏區的電場(B)空乏區的多數載子(C)載子濃度不同(D)載子移動速率不同
26.有一稽納二極體(ZenerDiode),若其摻雜濃度減少,請問下列何者為稽納電壓之反應?(A)不變(B)增加(C)減少(D)不一定
27.如下圖所示,有一理想運算放大器電路,R1=R2=R3=2kΩ,輸入電壓=1V,試求輸出電壓為多少V?
(A)-1(B)-2(C)-3(D)-4
28.有關發光二極體(LED)之特性,下列敘述何者正確?(A)主要材料以砷化鎵(GaAs)等製成(B)放出光的頻率與外加偏壓有關(C)發光強度與順向電流成反比(D)工作於逆向偏壓區
29.NPN型BJT工作於主動區時,下列敘述何者有誤?(A)適合作為訊號放大(B)集極電流與基極電流成正比(C)基極-集極為正向偏壓(D)基極-射極為正向偏壓
30.如下圖所示之電路,若電晶體β=99,切入電壓VBE=1V,試求電路消耗直流功率為多少mW?
(A)100(B)180(C)210(D)240
31.一般而言,稽納二極體(ZenerDiode)經常應用在下列何者功能?(A)穩定電壓(B)穩定電流(C)穩定功率(D)穩定頻率
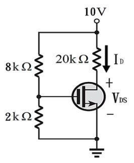
32.如下圖所示為MOSFET放大電路,若=0.15mA/V2×(VGS−1)2,試求直流電壓值為多少V?
(A)3(B)7(C)9(D)10
33.有一串級放大器,第一級放大器電壓增益為250,第二級放大器電壓增益為400,若兩級間沒有負載效應,試求其總電壓增益為多少dB?(A)40(B)60(C)80(D)100
34.有關典型RS-232通訊之特性,下列何者有誤?(A)接收端大於3V為邏輯「1」(B)傳送端介於5V與15V之間為邏輯「0」(C)為25接腳之D型接頭(D)屬於串列傳送方式
35.有關振盪器(Oscillator),下列敘述何者有誤?(A)將直流信號轉為交流信號(B)振盪電路有正弦波、方波、三角波產生器(C)韋恩電橋振盪器是正弦波振盪器(D)輸出非為連續性訊號
36.有一電晶體設計為正回授電路,下列何者為其主要目的?(A)增加迴路增益(B)使電路操作更穩定(C)使電路產生振盪(D)減少雜訊
37.有關共汲極MOSFET放大器,下列敘述何者正確?(A)等效輸出電阻很高(B)等效輸入電阻很低(C)電壓增益小於1(D)電流增益很低
38.試問中心抽頭全波整流電路一般需要多少個二極體?(A)2(B)3(C)4(D)5
39.有一濾波器電路,若電壓增益為=1/(1+jωRC),試問此電路為下列何者?(A)帶通濾波器(B)低通濾波器(C)高通濾波器(D)帶拒濾波器
40.已知運算放大器兩輸入=200μV、=120μV,差模電壓增益=105、共模電壓增益=10,試求輸出電壓為多少V?(A)6(B)8(C)12(D)16
41.已知BJT的輸入直流偏壓電流為=2mA,且熱電壓為=14mV,試求其射極交流電阻為多少Ω?(A)5(B)6(C)7(D)8
42.共汲極放大電路與下列何種組態放大電路之特性最相似?(A)共基極(B)共射極(C)共閘極(D)共集極
43.有關增強型負載的NMOS反相器,其負載電晶體應在下列何種區域操作?(A)崩潰區(B)三極區(C)截止區(D)飽和區
44.有一單相二極體橋式全波整流器,其交流輸入電壓V୧=10sin30πtV,下列敘述何者正確?(A)直流電壓有效值約為7V(B)直流電壓頻率為30Hz(C)直流電壓平均值約為14.1V(D)二極體之逆向峰值電壓為20V
45.有一基本放大器,其正回授百分數β=0.01,若使其振盪,試求A୴值至少應為多少?(A)10(B)20(C)50(D)100
46.試問電子實習使用之焊錫主要為下列何種材料?(A)純錫(B)錫銅合金(C)錫鉛合金(D)錫鋁合金
47.運算放大器的差模增益Aୢ=1,000,共模增益Aୡ=10,則共模互斥比(CMRR)為多少dB?(A)20(B)40(C)60(D)80
48.如下圖所示為NPN型達寧頓(Darlington)電路,若電晶體β1=β2=40,等效電流增益β為多少?
(A)40(B)80(C)800(D)1,600
49.下列何者為史密特(Schmitt)振盪器的輸出波形?(A)正弦波(B)三角波(C)方波(D)鋸齒波
50.如下圖所示之電路,試求電壓增益為何?
(A)10(B)20(C)30(D)40