阿摩線上測驗
登入
首頁
>
技檢◆儀表電子-甲級
> 114年 - 11500 儀表電子 甲級 工作項目 08:嵌入式系統概論與應用及程式設計 1-50(2025/11/04 更新)#133284
114年 - 11500 儀表電子 甲級 工作項目 08:嵌入式系統概論與應用及程式設計 1-50(2025/11/04 更新)#133284
科目:
技檢◆儀表電子-甲級 |
年份:
114年 |
選擇題數:
50 |
申論題數:
0
試卷資訊
所屬科目:
技檢◆儀表電子-甲級
選擇題 (50)
1. 下列何者不是精簡指令集電腦(reduced instruction set computer,RISC)的特色? (A)內部包含有微程式(microprogram) (B)指令的格式是固定的 (C)指令直接由硬體執行 (D)單一指令僅須一個週期時間來執行 。
2. 平行電腦(parallel computer)的運作方式大都為何? (A)SISD(singleinstruction single data) (B)SIMD(single instruction multiple data) (C)MISD(multiple instruction single data) (D)MIMD(multiple instructionmultiple data) 。
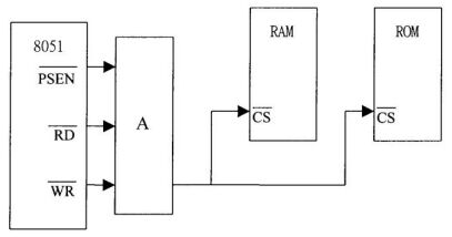
3. 如下圖所示電路,欲使 8051 的外部 RAM 及 ROM 均佔用同一塊 64K 的空間時,中間方塊 A 應為何種邏輯閘?
(A)AND (B)OR (C)NAND (D)NOR 。
4. 在 IBM 相容個人電腦之 ISA 擴充槽,欲讀取 I/O 位址內的資料時,除了對 I/O 位址解碼外,其控制信號必須為下列何種組合? (A)AEN=1、
=1 (B)AEN=1、
=0 (C)AEN=0、
=1 (D)AEN=0、
=0 。
5. 下列何者不是差動式串列傳輸界面? (A)RS-232 (B)RS-485 (C)RS-422 (D)USB 。
6. 下列何者不是數位訊號處理器(DSP)的優點? (A)可進行複雜的數學運算(B)具有強大的 I/O 能力 (C)內含數位濾波器 (D)適用影像及聲音處理 。
7. 關於數位濾波器的敘述,下列何者是錯誤的? (A)可設定低通或高通工作頻率 (B)只由數位電路所組成的 (C)可取代一般類比濾波器 (D)可用軟體來消除雜音及製作合成音樂 。
8. 下列那一種方法不是消除鍵盤上多重按鍵的技術? (A)2-key lockout (B)2-key rollover (C)n-key lockout (D)n-key rollover 。
9. 下列何者不是串列傳輸界面 RS-485 之特點? (A)傳輸距離可達 1.2 公里(B)傳輸速度可達 100kbps (C)以 BUS 線方式傳輸,兩側尾端須加終端電阻(D)祇能連接 1 個驅動器及 32 個接收器 。
10. 在 VISUAL BASIC 程式語言的表單(form)中,設定由滑鼠來控制的事件程序(procedure)為何? (A)Form-Click (B)Form-Active (C)Form-KeyPress(D)Form-Paint 。
11. 如下列 C 語言程式所示,所設定 RS-232 的傳輸格式,何者為正確?
(A)COM1、9600bps、8 位元、奇同位元 (B)COM1、4800bps、8 位元、偶同位元 (C)COM2、9600bps、8 位元、無同位元 (D)COM2、4800bps、8 位元、奇同位元 。
12. 單晶片微電腦中,下列何者內部具有 EEPROM 型的資料記憶體? (A)PIC16C84 (B)EM78447 (C)89C2051 (D)80C196KC 。
13. IBM 相容個人電腦中,鍵盤控制器(8042)的中斷要求為何? (A)IRQ0 (B)IRQ1 (C)IRQ3 (D)IRQ4 。
14. IBM 相容個人電腦中的萬用串列界面(USB),下列何者不是它的特色?(A)可提供印表機及滑鼠 (B)傳輸速率可達 100kbps 以上 (C)可減少週邊設備的接線 (D)只能以星狀(star)方式連接 。
15. 鍵盤上"ghosting"的現象可用那一種元件消除之? (A)電阻器 (B)電容器 (C)電感器 (D)二極體 。
16. 下列 8088 指令執行後,何者的結果與其它三個指令不同? (A)MOVAX,0 (B)XOR AX,AX (C)SUB AX,AX (D)OR AX,0 。
17. 下列那一項工作不是 two pass assembler 的 pass one 所作的工作? (A)設定位址計數器 (B)判斷每一指令的長度 (C)建立符號表 (D)將組合語言組譯成機器語言 。
18. 下列何者為一不合法的 C 語言識別字? (A)My_name (B)Good-luck (C)dump file (D)down 。
19. 在 BASIC 語言的變數中,下列何者為整數變數? (A)A! (B)A# (C)A% (D)A$ 。
20. 如下列程式所示,假設指令 PUSH X 的動作是將暫存器 X 的內容放入堆疊(stack),指令 POP X 的動作是從堆疊取出一筆資料放入暫存器 X 中。若暫存器的內容分別為:A=18、B=19、C=20、D=21 時,則依序執行下列程式後,暫存器 A 的內容將為何?
(A)18 (B)19 (C)20 (D)21 。
21. 8088 中 MOV AX,[BX]的指令,對[BX]而言其定址法(addressing mode)為何? (A)直接定址 (B)暫存器定址 (C)暫存器間接定址 (D)基底索引定址 。
22. 採用 memory mapped I/O 結構的 CPU,如何取得 I/O 位址? (A)解碼位址匯流排 (B)解碼控制匯流排 (C)解碼資料匯流排 (D)解碼狀態旗標 。
23. 下列敘述何者為不正確? (A)8255 是並列(parallel)之 I/O 介面 IC (B)8254是串列(serial)之 I/O 介面 IC (C)8253 是計數(counter)之 I/O 介面 IC (D)8279 是鍵盤(keyboard)之 I/O 介面 IC 。
24. 下列何者不屬於 RISC(reduced instruction set computer)處理器的基本特性? (A)暫存器對暫存器的運算模式 (B)簡單而且單一語句的指令格式 (C)較短的程式碼長度 (D)只有少數簡單的定址方式 。
25. 如要採用 64k×8 之靜態記憶體來構成 1Mbyte 的記憶空間,需要解碼幾條位址線才可產生足夠晶片致能(chip enable)信號? (A)4 條 (B)5 條 (C)6條 (D)7 條 。
26. 下列各種方法中常用來作鍵盤之類的慢速 I/O 與 CPU 同步者為何? (A)中斷(interrupt) (B)直接記憶存取(DMA) (C)持住(hold) (D)交插式記憶體(interleave memory) 。
27. 下列描述中何者有錯誤? (A)只有在外界產生中斷要求時,才會執行中斷服務程式 (B)中斷時,須儲存當時之程式計數器 (C)週期竊取式(cyclestealing)DMA 工作時,須暫停 CPU (D)直接記憶存取比中斷對於 I/O 機器有較快的服務 。
28. 假設指令 PUTQ X 的動作是將暫存器 X 的內容放入佇列(queue),指令GETQ X 的動作是從佇列取出一筆資料放入暫存器 X 中,X 可為任意暫存器。若暫存器的內容分別為:A=18、B=19、C=20、D=21 時,則依序執行下列程式後,暫存器 A 的內容將為何?
(A)18 (B)19 (C)20 (D)21 。
29. 微處理機(microprocessor)做數值運算時,不會改變下列那個旗標? (A)C(carry) (B)Z(zero) (C)O(overflow) (D)I(interrupt) 。
30. 下列何種檔案結構儲存時,磁碟片的空間利用率最低? (A)索引檔 (B)隨機檔 (C)循序檔 (D)索引循序檔 。
31. 在 C 語言中,a[10]是 10 個整數的陣列,下列何者的指標(pointer)使用有誤? (A)*a (B)*(a+1) (C)*a+ (D)*a[1] 。
32. 下列那一程式片段恰可將暫存器 A、B 的內容對調?(A)
(B)
(C)
(D)
。
33. 設一採用 2 的補數之加法器,配合有 5 個位元之狀態暫存器由左而右依序為:1.進位旗標:0 表示沒有進位、1 表示有進位,2.零值旗標:0 表示結果非零、1 表示結果為零,3.溢位旗標:0 表示沒有溢位、1 表示有溢位,4.正負旗標:0 表示結果為正、1 表示結果為負,5.偶同位旗標:0 表示有奇數個 1、1 表示有偶數個 1。現有二數-1 及+1 相加,則其運算完後,此 PSW 為何? (A)01001 (B)11001 (C)11000 (D)00111 。
34. 下列那一指令不會改變程式計數器(program counter)? (A)jump (B)call (C)return (D)push 。
35. 欲將 8088 CPU 內暫存器 AX 之內容設定為 5,來源運算元(sourceoperand)須使用那一種定址法較恰當? (A)立即定址法(immediateaddressing mode) (B)記憶體直接定址法(memory direct addressing mode)(C)暫存器間接定址法(register indirect addressing mode) (D)基底定址法(based addressing mode) 。
36. 在 BASIC 語言中執行 INT(RND*6)+1,所產生的亂數值,其範圍為何?(A)0 到 6 (B)1 到 6 (C)1 到 7 (D)0 到 7 。
37. 微電腦系統中 counter 和 timer 的應用敘述,何者為正確? (A)counter 計數系統振盪的脈波,timer 計數外部輸入的脈波 (B)counter 計數外部輸入的脈波,timer 計數系統振盪的脈波 (C)counter 和 timer 皆計數外部輸入的脈波 (D)counter 和 timer 皆計數系統振盪的脈波 。
38. 個人電腦將資料傳送給模擬器的動作稱為: (A)memory dump (B)upload(C)download (D)filecopy 。
39. PC BIOS 在開機時會先執行自我測試程式(POST),當檢查到有故障時,會將故障碼(errorcode)送到下列那一個位址? (A)I/O 位址 80H (B)I/O 位址 08H (C)記憶體位址 80H (D)記憶體位址 08H 。
40. 網路中的開放式系統連接(open system interconnection,OSI)通訊標準,是採用幾層的架構? (A)7 層 (B)6 層 (C)5 層 (D)4 層 。
41. 利用 8086 來執行 8051 的程式,以利程式偵錯,則此軟體系統為何? (A)軟體模擬 (B)硬體模擬 (C)實體模擬 (D)韌體模擬 。
42. 利用 8086 來組譯 8051 的組合語言程式,使其成為機器語言的組譯器稱之為何? (A)self assembler (B)cross assembler (C)native assembler (D)twopass assembler 。
43. 下列何者不是串列通訊中所造成的錯誤? (A)over run error (B)parity error(C)overflow error (D)framing error 。
44. 下列何者不是串列通訊所必需協調的位元? (A)start bit (B)data bit (C)parity bit (D)stop bit 。
45. 在組合語言中,若欲處理陣列的資料,則採用下列何種定址模式最方便? (A)立即定址 (B)直接定址 (C)暫存器定址 (D)間接定址 。
46. 若微處理機的控制單元是以微程式(micro-programming)規劃,則下列敘述何者為不正確? (A)指令解碼器乃是將指令解碼後產生循序微指令(micro-instruction) (B)微碼(micro-code)控制用於指示微處理機內各部門的動作 (C)微指令之內含設定了數組所需的微動作 (D)使用微程式規劃之控制單元,其指令執行速度較快 。
47. 下列那一項不是微處理機所能執行的功能? (A)對微電腦的所有元件提供定時與控制信號 (B)執行直接記憶體存取(DMA) (C)執行指令所要求的算術與邏輯運算 (D)轉移資料至輸出入裝置或自輸出入裝置轉移資料至微處理機 。
48. 下列有關微處理機指令集的敘述,何者為正確? (A)CISC 主要靠減少每個指令所需週期時間,以提高執行的速度 (B)RISC 指令由微程式解譯,而 CISC 由硬體接線式執行 (C)CISC 指令多且定址模式複雜,而 RISC 指令集和定址模式都少 (D)CISC 指令碼格式固定,而 RISC 指令碼格式不固定 。
49. 下列那些技術無法加速 CPU 執行指令的速度? (A)利用 DMA 做資料傳輸(B)提高 CPU clock 的頻率 (C)使用 cache memory (D)管線式(pipeline)處理 。
50. 下列有關 RISC 與 CISC 的電腦敘述,何者為不正確? (A)RISC 有較少的指令集 (B)CISC 較適合浮點運算 (C)RISC 較適合執行多媒體資料處理 (D)CISC 常以微程式控制做指令解碼 。
申論題 (0)
相關試卷
114年 - 11500 儀表電子 甲級 工作項目 11:成本概論 1-26(2025/11/04 更新)#133290
114年 · #133290
114年 - 11500 儀表電子 甲級 工作項目 10:裝配、測試與檢修知識 1-48(2025/11/04 更新)#133289
114年 · #133289
114年 - 11500 儀表電子 甲級 工作項目 09:儀表電學 101-122(2025/11/04 更新)#133288
114年 · #133288
114年 - 11500 儀表電子 甲級 工作項目 09:儀表電學 51-100(2025/11/04 更新)#133287
114年 · #133287
114年 - 11500 儀表電子 甲級 工作項目 09:儀表電學 1-50(2025/11/04 更新)#133286
114年 · #133286
114年 - 11500 儀表電子 甲級 工作項目 08:嵌入式系統概論與應用及程式設計 51-109(2025/11/04 更新)#133285
114年 · #133285
114年 - 11500 儀表電子 甲級 工作項目 07:數位系統 51-77(2025/11/04 更新)#133283
114年 · #133283
114年 - 11500 儀表電子 甲級 工作項目 07:數位系統 1-50(2025/11/04 更新)#133282
114年 · #133282
114年 - 11500 儀表電子 甲級 工作項目 06:電子電路 51-73(2025/11/04 更新)#133281
114年 · #133281
114年 - 11500 儀表電子 甲級 工作項目 06:電子電路 1-50(2025/11/04 更新)#133280
114年 · #133280