所屬科目:技檢◆儀表電子-甲級
(A)開路 (B)VR 開路 (C)Q1基、射極間開路 (D)Q2基、射極間開路 。
(A)R1開路 (B)R2開路 (C)R3開路 (D)R4開路 。
(A)電晶體燒毀 (B)電晶體飽和 (C)電晶體截止 (D)電晶體作線性放大工作 。
(A)短路 (B)開路 (C)電晶體 B-C 接面短路 (D)短路 。
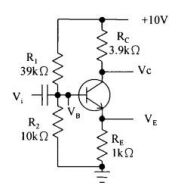
(A)3kΩ (B)20kΩ (C)50kΩ (D)100kΩ 。
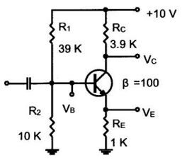
(A)1.794 (B)0.657 (C)3.253 (D)2.665 。
(A)R1開路 (B)R2開路 (C)短路 (D)短路 。
(A)Q1的作用為增大負載容量 (B)VR1向上移動時,輸出電壓上升 (C)Q3、R3為一保護電路 (D)為一串聯型穩壓電路 。
(A)電晶體 BE 接面開路 (B)短路 (C)開路 (D)電晶體 BC接面開路 。
(A)A 點開路 (B)B 點對 Vcc 短路 (C)C 點對 Vcc 短路 (D)D 點開路 。