阿摩線上測驗
登入
首頁
>
技檢◆儀表電子-甲級
> 114年 - 11500 儀表電子 甲級 工作項目 09:儀表電學 51-100(2025/11/04 更新)#133287
114年 - 11500 儀表電子 甲級 工作項目 09:儀表電學 51-100(2025/11/04 更新)#133287
科目:
技檢◆儀表電子-甲級 |
年份:
114年 |
選擇題數:
50 |
申論題數:
0
試卷資訊
所屬科目:
技檢◆儀表電子-甲級
選擇題 (50)
51. 電壓表靈敏度為 10kΩ/V,精確度為 1﹪置於滿刻度電壓 10V 測量範圍,測量如下圖所示電路中之 R1 兩端電壓,則電表的讀數應為何?
(A)0.33V (B)3.3V (C)0.55V (D)5.5V 。
52. 使用三用電表的歐姆表測試矽二極體順向特性時,若測得 LV 為 0.8V,LI 為 20mA,則二極體內阻為何? (A)10Ω (B)20Ω (C)30Ω (D)40Ω 。
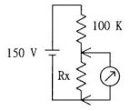
53. 如下圖電路所示,電表靈敏度為 1000Ω/V,如用 50V 範圍檔量測 Rx 兩端電壓時得 30V,則 Rx 為何?
(A)500kΩ (B)50kΩ (C)5kΩ (D)0.5kΩ 。
54. 下列有關歐姆表敘述何者是正確的? (A)歐姆表刻度是線性的 (B)待測電阻愈大時,歐姆表的內阻要愈小 (C)半刻度值為歐姆表的內阻 (D)欲測電阻時無需做零位調整 。
55. 以電橋測量電容器之消耗因數(D 值)時,須指定信號源的何種參數? (A)相角 (B)功率因數 (C)頻率 (D)內阻 。
56. 利用李沙育(Lissajous),若示波器出現一直線,則水平與垂直相位差下列何者為正確? (A)45° (B)90° (C)135° (D)180° 。
57. 對示波器之隔離測試棒之作用,下列何者敘述為誤? (A)減少示波器輸入電容 (B)增加輸入電阻 (C)具有輸入信號衰減作用 (D)具有增加示波器之準確度 。
58. 同步示波器之觸發源開關撥至 HF-REJ 時,在下列何種情況下較 1 穩定? (A)低頻信號及低速掃描 (B)高頻信號及高速掃描 (C)低頻信號及高速掃描 (D)高頻信號及低速掃描 。
59. 示波器使用 10:1 測試棒,VOLT/CM 旋鈕置於 0.5 位置,測一純正弦波信號為 4 格高,若改用三用電表測量,則三用電表之指示值約為多少?(A)2V (B)7V (C)10V (D)20V 。
60. 用一低頻方波來檢測放大電路之相位及頻率特性,其輸出方波若變為中央水平部份下凹,左右兩角同高,則表示該放大電路之低頻響應為何?(A)增強 (B)衰減 (C)相位後移 (D)相位前移 。
61. 一個信號產生器在 1kHz 輸出正弦波為 10Vrms,輸出阻抗為 600Ω,則該信號產生器輸出為何?(取近似值,且 log2=0.3,log3=0.48,log4=0.6,log6=0.78): (A)10dB (B)17.7dB (C)22.2dB (D)33.3dB 。
62. 有關數位多用電表(DMM)之優點敘述,下列那一項是錯誤? (A)精密度可大為提高 (B)不受環境之影響,可靠性提高 (C)可增加顯示位數而增加解析度 (D)無視差之缺點 。
63. 頻譜分析儀不可做下列何種測試: (A)頻帶寬度 (B)諧波成份 (C)雜音 (D)波形中所包含的頻率信號之能量分佈情形 。
64. 下列有關數位頻率表敘述何者為錯誤? (A)脈波整形器為一單穩態多諧振盪器 (B)控制閘可為或閘 (C)計數電路的功能是計算在 T 時間內通過控制電路的脈波數 (D)顯示電路是將計數電路中的數據 N 除以時間 T 的結果轉換為數字 。
65. 已知三用電表之直流電壓靈敏度為 20kΩ/V,則表頭的滿刻度電流為何? (A)2.5μA (B)5μA (C)25μA (D)50μA 。
66. 三用電表撥在電阻範圍時,指針全不動,而 AC 及 DC 檔能測量,可能故障為何? (A)表頭損壞 (B)0ΩAdj 接觸不良或電池沒電 (C)內部二極體損壞 (D)保險絲燒斷 。
67. 電子電壓表測得鋸齒波之峰對峰電壓為 3V,則電壓有效值為何? (A)0.8655V (B)2.121V (C)1.908V (D)1.515V 。
68. 使用三個電表測量單相功率因數,下列何者為誤? (A)三個伏特表 (B)三個安培表 (C)瓦特表,安培表,伏特表各一個 (D)頻率表,安培表,伏特表各一個 。
69. 瓦特表由下列何者構成? (A)兩個動圈及一個固定線圈 (B)兩個動圈及兩個固定線圈 (C)一個動圈及一個固定線圈 (D)一個動圈及兩個固定線圈 。
70. 頻率計數器中,其邏輯閘作用時間為 1ms,在量測 1MHz 時,有±1digital 誤差,則其百分率誤差為若干? (A)0.1% (B)0.01% (C)0.5% (D)0.05% 。
71. 有一指針式直流電壓表其精確度標示為 5%,若以其 10V 檔位量測一實際電壓為 6V 的電壓時,下列讀值何者為其可能值? (A)5.4 (B)6.1 (C)6.6(D)7.2 。
72. 有一 4 1/2 位數直流電壓表其精確度標示為 0.5%+2,若以其 20V 檔位量測一實際電壓為 6V 的電壓時,下列何者為其可能誤差值? (A)-0.054(B)-0.044 (C)0.031 (D)0.042 。
73. 有一指針式電表其 dB 檔的參考係以 600 歐姆電阻消耗 1mW 的功率為0dBm,若今量測一實際負載為 60 歐姆的待測物時,其讀值應作何修正? (A)+20dB (B)+10dB (C)-10dB (D)-20dB 。
74. 有一指針式直流電壓表其精確度標示為 5%且電表靈敏度為 2kΩ/V,若以其 10V 檔位量測下圖 20kΩ兩端電壓時,下列讀值何者為其可能值?
(A)5.6V (B)6.6V (C)9.3V (D)10.2V 。
75. 有一 4 1/2 位數數位電壓表,若以其量測 150V 的電壓時,其最小解析度為多少? (A)10V (B)1V (C)0.1V (D)0.01V 。
76. 指針式三用電表 ACV 檔位刻度的標示為下列何者? (A)均方根值 (B)平均值 (C)最大值 (D)峰至峰值 。
77. 永磁動圈式表頭的偏轉是依據下列何種線圈電流的大小而動作的? (A)均方根值 (B)平均值 (C)最大值 (D)峰至峰值 。
78. 熱電偶式的電子電壓表其刻度是依據下列何者刻劃而成的? (A)電壓的均方根值 (B)電壓的平均值 (C)電壓的最大值 (D)電壓的峰至峰值 。
79. 傳統示波器所使用的 CRT 影像管採用的偏向方法為下列何者? (A)電場偏向 (B)磁場偏向 (C)重力場偏向 (D)離心力偏向 。
80. 傳統示波器中下列何者與水平鋸齒波的產生無關? (A)SLOPE (B)TRIGLEVEL (C)TRIG SOURCE (D)FOCUS 。
81. 下列那一種信號經頻譜分析儀觀察的結果會是單一分量的信號? (A)方波(B)鋸齒波 (C)脈衝波 (D)正弦波 。
82. 為了製造價廉物美的音頻振盪器,其內部電路以下列那一個振盪電路比較合適? (A)哈特萊 (B)考畢茲 (C)維恩電橋 (D)惠斯頓電橋 。
83. 下列那一個不是惠斯頓電橋量測誤差的原因? (A)零值檢知器的靈敏度不夠 (B)電橋外部的引線電阻過大 (C)流經電阻器的電流所引起的熱效應 (D)電源電力不足 。
84. 凱耳文雙電橋適合下列那一個元件的量測? (A)小電感 (B)小電容 (C)小電阻 (D)小功率晶體 。
85. 下列那一個電橋適合量測高 Q 值的電感器? (A)馬克士威爾 (B)席林 (C)海氏 (D)凱耳文 。
86. 有一指針式三用電表其 DCV 檔靈敏度為 20kΩ/V,ACV 檔靈敏度為 8kΩ/V,則其 ACV 檔內部使用下列那一種整流電路? (A)半波式 (B)雙二極體全波式 (C)橋式 (D)真有效值式 。
87. 下列那一個元件可以用來作為壓力轉換為電壓的介面? (A)壓變電容器(varactor) (B)石英(quartz) (C)霍爾(Hall)元件 (D)PT100 。
88. 儀表常用的介面 GPIB 是指下列那一種規範? (A)IEEE 1394 (B)IEEE 1284(C)IEEE 802 (D)IEEE 488 。
89. 已知相鎖迴路裡的除頻倍率為 10,且參考頻率為 10MHz,試問頻率合成器輸出的信號頻率為多少? (A)1MHz (B)10MHz (C)100MHz (D)1000MHz 。
90. 用永磁動圈式表頭的串聯式歐姆表,當內部電池不足以讓表頭歸零時,所測得的電阻讀值將如何? (A)偏低 (B)不受影響 (C)偏高 (D)忽高忽低的變動 。
複選題
91. 欲將類比訊號數轉換為數位訊號,應包含下列哪些步驟? (A)取樣 (B)量化 (C)濾波 (D)編碼 。
複選題
92. 將類比訊號轉換為數位訊號,下列哪些步驟可以減少信號失真及提高解析度? (A)增高取樣頻率 (B)增加數位訊號的位元數 (C)提高輸入電壓 (D)提高轉換器的速度 。
複選題
93. 一般函數波訊號產生器,可以直接輸出下列哪些波形? (A)三角波 (B)鋸齒波 (C)20%工作週期的脈波 (D)階梯波 。
複選題
94. 下列哪些儀器適用於測量信號(200MHz 以上)時使用? (A)200MHz 一般示波器 (B)頻譜分析儀 (C)取樣率 200MHz 的儲存式示波器 (D)計頻器 。
複選題
95. 欲選用一儲存式數位示波器精確量測一輸出為 200MHz 時脈訊號的數位電路時,下列哪些是必要的選擇考量因素? (A)取樣頻率 (B)輸入通道數量 (C)ADC 位元數 (D)儲存記憶體容量 。
複選題
96. 下列哪些選項是電子電路量測常用的物理量? (A)電流 (B)頻率 (C)長度 (D)重量 。
複選題
97. 量測 5 V 的電壓時,若希望解析度至少可達到 1mV,則可以使用下列哪些位數的數位電壓表? (A)6 1/2 位 (B)5 1/2 位 (C)4 1/2 位 (D)3 1/2 位 。
複選題
98. 下列哪些振盪方式適合做為高頻信號產生器? (A)哈特萊 (B)韋恩電橋 (C)考畢子 (D)石英晶體振盪器 。
複選題
99. 有關直流偏移(DC Offset)的敘述,下列哪些為正確? (A)一個週期波可以視為固定直流偏移電壓和不斷變化的交流電壓的相加結果 (B)直流偏移電壓部分等於週期波的有效值 (C)AC 部分是以 DC 部分為中心的振盪變化(D)若 DC 部分不等於 0,相當於將波形向上或向下平移了固定的 DC 電壓值 。
複選題
100. 有關示波器觀察的敘述,下列哪些為正確? (A)振幅的定義是指波峰到波谷的差距 (B)工作週期指脈波的高電位佔整個週期的比率 (C)一般是先由波形所占的格數算出頻率,再取倒數後得出訊號週期 (D)方波就是 50%工作週期的脈波 。
申論題 (0)
相關試卷
114年 - 11500 儀表電子 甲級 工作項目 11:成本概論 1-26(2025/11/04 更新)#133290
114年 · #133290
114年 - 11500 儀表電子 甲級 工作項目 10:裝配、測試與檢修知識 1-48(2025/11/04 更新)#133289
114年 · #133289
114年 - 11500 儀表電子 甲級 工作項目 09:儀表電學 101-122(2025/11/04 更新)#133288
114年 · #133288
114年 - 11500 儀表電子 甲級 工作項目 09:儀表電學 1-50(2025/11/04 更新)#133286
114年 · #133286
114年 - 11500 儀表電子 甲級 工作項目 08:嵌入式系統概論與應用及程式設計 51-109(2025/11/04 更新)#133285
114年 · #133285
114年 - 11500 儀表電子 甲級 工作項目 08:嵌入式系統概論與應用及程式設計 1-50(2025/11/04 更新)#133284
114年 · #133284
114年 - 11500 儀表電子 甲級 工作項目 07:數位系統 51-77(2025/11/04 更新)#133283
114年 · #133283
114年 - 11500 儀表電子 甲級 工作項目 07:數位系統 1-50(2025/11/04 更新)#133282
114年 · #133282
114年 - 11500 儀表電子 甲級 工作項目 06:電子電路 51-73(2025/11/04 更新)#133281
114年 · #133281
114年 - 11500 儀表電子 甲級 工作項目 06:電子電路 1-50(2025/11/04 更新)#133280
114年 · #133280