所屬科目:技檢◆電力電子-乙級
(A)2Ω (B)3Ω (C)6Ω (D)9Ω 。
(A)0.7A (B)1.2A (C)1.6A (D)2.1A 。
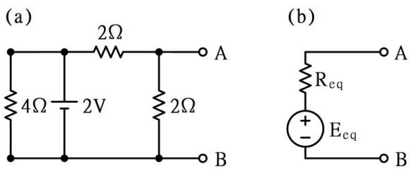
(A)Rth=2Ω,Eth=6V (B)Rth=4Ω,Eth=4V (C)Rth=3Ω,Eth=8V (D)Rth=4Ω,Eth=2V 。
(A)27V (B)18V (C)9V (D)0V 。
(A)3V (B)4V (C)6V (D)8V 。
(A)28.9Ω (B)31.4Ω (C)41.0Ω (D)53.4Ω 。
(A)0W (B)30W (C)40W (D)60W 。
(A)0V (B)2V (C)6V (D)10V 。
(A)6A (B)8A (C)10A (D)12A 。
(A)12A (B)14A (C)22A (D)24A 。
(A)=1Ω,=1V (B)=2Ω,=2V (C)=4Ω,=2V (D)=3Ω,=1V 。
(A)0.36Ω (B)2Ω (C)2.67Ω (D)4Ω 。
(A)11.2A (B)12.6A (C)15.0A (D)28.2A 。
(A)20V (B)40V (C)60V (D)100V 。
(A)0 安培 (B)0.5 安培 (C)1 安培 (D)2 安培 。
(A)3Ω (B)4Ω (C)12Ω (D)18Ω 。
(A)8A (B)10A (C)20A (D)30A 。
(A)0.5 (B)0.707 (C)0.866 (D)1 。
(A)24 焦耳 (B)26 焦耳 (C)37焦耳 (D)47 焦耳 。
(A)2Ω (B)4Ω (C)6Ω (D)12Ω 。
(A)2A (B)6A (C)8A (D)12A 。
(A)0A (B)1A (C)3A (D)5A 。