所屬科目:技檢◆電力電子-乙級
(A)6Ω (B)8Ω (C)9Ω (D)12Ω 。
(A)600√3VAR(B)800√3VAR (C)1800VAR (D)2400VAR 。
(A)4 (B)8 (C)10 (D)16 。
(A)-12 (B)14 (C)9 (D)4 。
(A)1.25∠90° (B)1.25∠-90° (C)3.15∠90° (D)6.25∠-90° 。
(A)C=20μF,R=1kΩ (B)C=20μF,R=10kΩ (C)C=100μF,R=1kΩ (D)C=100μF,R=10kΩ 。
(A)0 (B)1.2 (C)2.4(D)4.8 。
(A)10 (B)25 (C)40 (D)50 。
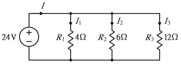
(A)I1=1A (B)I3=2A (C)I4=3A (D)I5=5A 。
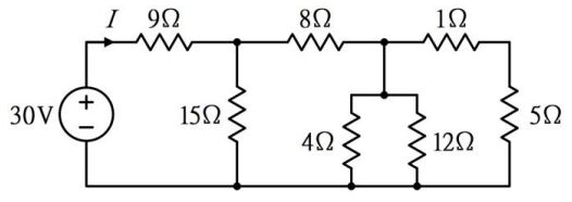
(A)等效電阻為 1Ω (B)電流I為 12A (C)I1=6A、I2=4A、I3=2A (D)電壓源供給的功率為 300W 。
(A)=6Ω (B)I=4A (C)=15Ω (D)I=2A 。
(A)I=9A (B)V1=20V (C)V2=27V (D)V3=18V 。
(A)=8Ω (B)=2.4Ω (C)V=-2.67V (D)V=-4.8V 。
(A)=3Ω (B)=6Ω (C)V=15V (D)V=10V 。
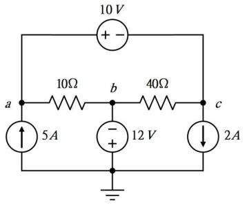
(A)V1=0V (B)V1=100V (C)V2=100V (D)V3=100V 。
(A)(B) (C)t=5T,v(t)=5.96V (D)t=5T,v(t)=3V 。
(A)電流 I=0A (B)電流 I=1.2A (C)電感電壓 VL=0V (D)電感電壓 VL=12V 。
(A)阻抗為最小,電流為最大 (B)阻抗為最大,電流為最小 (C)電感器上電壓等於電容器上電壓 (D)電感器上電壓不等於電容器上電壓 。
(A)10 歐姆 (B)32 歐姆 (C)8W (D)40W 。