阿摩線上測驗
登入
首頁
>
技檢◆飛機修護-乙級
> 114年 - 17600 飛機修護 乙級 工作項目 04:飛機電氣及儀表系統修護 51-100(2025/12/31 更新)#135978
114年 - 17600 飛機修護 乙級 工作項目 04:飛機電氣及儀表系統修護 51-100(2025/12/31 更新)#135978
科目:
技檢◆飛機修護-乙級 |
年份:
114年 |
選擇題數:
50 |
申論題數:
0
試卷資訊
所屬科目:
技檢◆飛機修護-乙級
選擇題 (50)
51. 下列何者係採用陀螺原理作用? (A)汽油壓力表,滑油壓力表,液壓壓力表 (B)空速表,高度表,昇降速度表 (C)人工地平儀,方向儀,轉彎傾斜儀 (D)轉速表,汽缸溫度表 。
52. 顯示飛機是否為水平狀態飛行的儀器為 (A)垂直高度表 (B)垂直速率表 (C)姿態儀 (D)空速表 。
53.
左圖為何種元件之符號? (A)二極體 (B)電晶體 (C)電阻器 (D)電感器 。
54. 下圖為
(A)電感器 (B)電阻器 (C)電晶體 (D)電容器 。
55. 量測電路中的電壓,須使用 (A)安培計 (B)伏特計 (C)歐姆計 (D)功率計 。
56. 量測電路中的電阻,須使用 (A)安培計 (B)伏特計 (C)歐姆計 (D)功率計 。
57. 有 1 個電瓶額定電壓為 24V,若輸出 5A 電流,則其輸出功率為 (A)100W (B)120W (C)15W (D)200W 。
58. 當溫度升高,而其它狀況不改變情況下,金屬的電阻值將 (A)愈大 (B)愈小 (C)不變 (D)不一定 。
59. 下圖 2Ω電壓降為
(A)1V (B)2V (C)3V (D)4V。
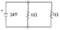
60. 下圖流經 3Ω之電流為
(A)4A (B)8A (C)12A (D)16A 。
61. 若要對額定 24V 的電瓶充電,其充電電壓可為 (A)24V (B)28V (C)42V (D)80V 。
62. 可以指示出地形與飛機之垂直距離是 (A)測距儀 (B)氣壓高度表 (C)無線電(雷達)高度表 (D)空速表 。
63. 發動機尾管排氣溫度指示器,是利用何種原理製成? (A)熱電耦 (B)靜電(C)電磁 (D)石英振盪 。
64. 座艙內空速表為 (A)真空速 (B)真地速 (C)指示空速 (D)指示地速 。
65. 儀降系統中之航向信標定位器(LOCALIZER),其主要功能為 (A)設定飛機在適當的下滑角度 (B)指示飛機與跑道末端之距離 (C)使飛機對準跑道的中心線 (D)自動向塔台報告飛機之高度 。
66. 下列何者不屬於飛航儀表? (A)空速指示儀 (B)高度表 (C)扭力表 (D)姿態儀 。
67. 下列何者可以做為整流元件? (A)電晶體 (B)電容 (C)二極體 (D)電阻 。
68. 兩電池互相串接在電路裡可以增加 (A)電流 (B)電壓 (C)電阻 (D)電容 。
69. 火警開關及緊急系統操作活門(VALVE)只可用 ______英吋的銅絲保險。(A)0.045 (B)0.041 (C)0.032(D)0.020
70. 熱電偶通常是插或裝在 (A)發動機的前排氣缸 (B)發動機的後排氣缸 (C)發動機最熱的氣缸 (D)發動機最冷的氣缸 。
71. 使用於大部分的渦輪發動機的點火系統是什麼型式? (A)高電阻式 (B)低電壓式 (C)磁電機 (D)高能量電容放電式 。
72. 電容放電式的點火系統幾乎廣用在渦輪發動機上,主要原因為它的高電壓和 (A)壽命長 (B)極高熱度 (C)高電阻 (D)低安培數 。
73. 為什麼渦輪發動機的點火系統需要高能量? (A)因為應用的電壓是大得非常多 (B)因為應用的電壓是小得非常多 (C)以點燃在高空和極低溫情況下的燃油和空氣混合氣 (D)以點燃在高空和高溫情況下的燃油和空氣混合氣 。
74. 為什麼渦渦輪發動機的點火器比往復式發動機的點火塞較少受到污積(A)高強度的火花以極度高熱清潔了點火器的點火間隙 (B)點火器的點火頻率較少 (C)渦輪發動機的點火器操作在較低的溫度 (D)渦輪發動機燃油不含點火污穢物 。
75. 何謂真空速? (A)指示空速經儀器裝置誤差之修正,壓縮性誤差修正,溫度及氣壓之修正後,所得之空速 (B)將修正空速經溫度及氣壓修正後之空速 (C)將指示空速經溫度及氣壓修正後之空速 (D)將相等空速經壓縮性誤差修正後之空速 。
76. 何謂高度表撥定值? (A)經地面氣壓修正後之海平面氣壓,以水銀柱若干吋表示之 (B)經海平面氣壓修正後之海平面氣壓,以水銀柱若干吋表示之 (C)未經修正之地面氣壓 (D)真正之場面氣壓,以水銀柱若干吋表示之 。
77. 空速指示儀乃計量下列那兩者間之差 (A)飛機四周氣壓與內部氣壓之差(B)撞及在靜壓管前緣之空氣動壓及飛機內部之靜壓間之差 (C)動壓與靜壓差 (D)空速與地速之差 。
78. 鎳鎘電池每一單電池內電解液之比重應為 (A)1.100-1.150 (B)1.150-1.175(C)1.200-1.250 (D)1.275-1.300 。
79. 重負荷導線與大匯電板,用何法接牢於接線樁上? (A)燒焊 (B)螺帽及墊圈 (C)錫焊 (D)鋼保險絲 。
80. 下列何種儀表,其指示僅依靜壓提供? (A)高度表,昇降速率表,空速表 (B)空速表高度表,轉彎傾斜儀 (C)高度表,昇降速率表 (D)所有陀螺儀表 。
81. 羅差為何者之差? (A)真航向與羅向 (B)磁向與羅向 (C)磁北與羅北 (D)真北與磁北 。
82. 滑油壓力表管路內若有氣泡將會導致 (A)指示低 (B)指示高 (C)指示緩慢(D)指示擺動 。
83. 交流發電機並聯時,應注意之三個主要因素為 (A)頻率、電壓及相位 (B)頻率、電壓及電流 (C)電壓、電流及相位 (D)頻率、電流及相位 。
84. 磁北與羅北間之夾角稱為 (A)磁向 (B)羅向 (C)磁差 (D)羅差 。
85. 由儀表板上直接看出飛機速度稱之為 (A)終端地速 (B)對地速度 (C)指示空速 (D)真空速 。
86. 轉彎傾斜儀屬於何種儀表? (A)飛行儀表 (B)航行儀表 (C)發動機儀表 (D)雜類儀表 。
87. 測量電容量使用 (A)伏特計 (B)安培計 (C)歐姆計 (D)微法拉計 。
88. 一個 24 安培小時電瓶,若每小時用電 6 安培,可用多久? (A)144 小時(B)4 小時 (C)24 小時 (D)1440 小時 。
89. 下列何者可用來控制發電機最大安全輸出? (A)調速繼電器 (B)反流割斷器 (C)電流限制器(CURRENT LIMITER) (D)壓力調節器 。
90. 下列何儀表應用包端管(Bourdon tube)原理? (A)高度表 (B)轉速表 (C)液壓壓力表 (D)燃油流量表 。
91. 檢查電路是否搭鐵,可使用下列何種儀器? (A)電流表 (B)電壓表 (C)歐姆表 (D)微法拉表 。
92. 下列何者係採用陀螺原理作用? (A)汽油壓力表,滑油壓力表,液壓壓力表 (B)空速表,高度表,昇降速度表 (C)人工地平儀,方向儀,轉彎傾斜儀 (D)轉速表,汽缸溫度表,分佈汽壓力表 。
93. 昇降速率表測量下列何者之差? (A)座艙溫度與機外溫度 (B)彈簧負荷壓力與標準大氣壓力 (C)膜盒內之氣壓與儀器周圍之氣壓 (D)由文氏管產生之真空與彈簧負荷壓力 。
94. 導體與絕緣體之區別為 (A)兩者皆有自由電子 (B)兩者皆無自由電子 (C)導體無自由電子,而絕緣體則有 (D)導體有自由電子,而絕緣體則無 。
複選題
95. 下列何者為三相交流電的產生要素? (A)獨立三組相同線圈 (B)相位差為120° (C)線電壓等於相電壓 (D)感應電勢 。
複選題
96. 三相星形連接之線電壓為 200 V,其相電壓應不為下列哪些? (A)67V(B)117V (C)346V (D)500V 。
複選題
97. 導線中載有 3 安培穩定電流,在 2 分鐘期間內,通過該導線橫截面積的電量,下列何者為非? (A)6C (B)40C (C)300C (D)180C 。
複選題
98. 下列何者不是電壓伏特數的定義? (A)每庫倫多少焦耳 (B)每庫倫多少瓦特 (C)每瓦特多少歐姆 (D)每分鐘多少馬力 。
複選題
99. 交流發電機其激磁場由轉子產生,電流則由固定端點輸出,該輸出端點不屬於下列那些部件? (A)定子 (B)複式繞組 (C)轉子 (D)電樞 。
複選題
100. 下列關於 KVA 的定義,何者為非? (A)交流馬達之額定輸入量 (B)交流發電機之額定輸出量 (C)直流馬達之額定量 (D)直流發電機之額定輸出量 。
申論題 (0)
相關試卷
114年 - 17600 飛機修護 乙級 工作項目 07:航空法規 51-78(2025/12/31 更新)#135983
114年 · #135983
114年 - 17600 飛機修護 乙級 工作項目 07:航空法規 1-50(2025/12/31 更新)#135982
114年 · #135982
114年 - 17600 飛機修護 乙級 工作項目 06:安全措施 1-18(2025/12/31 更新)#135981
114年 · #135981
114年 - 17600 飛機修護 乙級 工作項目 05:飛機檢查及文件查閱 1-15(2025/12/31 更新)#135980
114年 · #135980
114年 - 17600 飛機修護 乙級 工作項目 04:飛機電氣及儀表系統修護 101-134(2025/12/31 更新)#135979
114年 · #135979
114年 - 17600 飛機修護 乙級 工作項目 04:飛機電氣及儀表系統修護 1-50(2025/12/31 更新)#135977
114年 · #135977
114年 - 17600 飛機修護 乙級 工作項目 03:飛機渦輪發動機修護 101-164(2025/12/31 更新)#135976
114年 · #135976
114年 - 17600 飛機修護 乙級 工作項目 03:飛機渦輪發動機修護 51-100(2025/12/31 更新)#135975
114年 · #135975
114年 - 17600 飛機修護 乙級 工作項目 03:飛機渦輪發動機修護 1-50(2025/12/31 更新)#135974
114年 · #135974
114年 - 17600 飛機修護 乙級 工作項目 02:飛機機身修護 151-191(2025/12/31 更新)#135973
114年 · #135973