阿摩線上測驗
登入
首頁
>
電路學
> 96年 - 96 專技高考_電子工程技師:電路學#38693
96年 - 96 專技高考_電子工程技師:電路學#38693
科目:
電路學 |
年份:
96年 |
選擇題數:
0 |
申論題數:
5
試卷資訊
所屬科目:
電路學
選擇題 (0)
申論題 (5)
【已刪除】一、如圖⑴所示,V
s
(t)=5u(t)V,求 i(t),t>0,其中 iL(0
-
)=2A,V
c
(0
-
)=1V。(20 分)
【已刪除】二、如圖⑵所示,t<0 時,S
1
短路,S
2
開路,t≥0 時 S
1
開路,S
2
短路,求 v
c
(t),t≥0。 (20 分)
【已刪除】三、如圖⑶所示,v
1
(t)=10 sin(10t)V,求 v
2
(t)。(20 分)
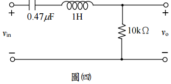
【已刪除】四、如圖⑷所示,求品質因素 Q 及頻寬 BW。(20 分)
五、設一系統轉移函數為 H(s)= Ae
−τs
,A>0,τ>0,若輸入為 u(t),求輸出響應 y(t)。 (20 分)
相關試卷
114年 - 114 地方政府公務特種考試_三等_電力工程、電子工程、電信工程:電路學#134770
114年 · #134770
114年 - 114 專技高考_電機工程技師:電路學#133707
114年 · #133707
114年 - 114 專技高考_電子工程技師:電路學#133700
114年 · #133700
114年 - 114 公務升官等考試_薦任_電力工程、電子工程、電信工程:電路學#133241
114年 · #133241
114年 - 114 高等考試_三級_電力工程、電子工程、電信工程:電路學#128784
114年 · #128784
113年 - 113-2 國營臺灣鐵路股份有限公司_從業人員甄試_第8階-助理工程師-電機:電路學#137142
113年 · #137142
113年 - 113 地方政府公務特種考試_三等_電力工程、電子工程:電路學#124508
113年 · #124508
113年 - 113 專技高考_電機工程技師:電路學#123962
113年 · #123962
113年 - 113 專技高考_電子工程技師:電路學#123933
113年 · #123933
113年 - 113 高等考試_三級_電力工程、電子工程、電信工程:電路學#121512
113年 · #121512