阿摩線上測驗
登入
首頁
>
電路學
> 98年 - 98 地方政府特種考試_三等_電力工程、電子工程:電路學#38065
98年 - 98 地方政府特種考試_三等_電力工程、電子工程:電路學#38065
科目:
電路學 |
年份:
98年 |
選擇題數:
0 |
申論題數:
5
試卷資訊
所屬科目:
電路學
選擇題 (0)
申論題 (5)
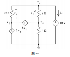
【已刪除】一、求圖一電路中三個電源提供的功率各是多少。(20 分)
【已刪除】二、儲存在圖二電路中的初始能量(initial energy)為零,求t≧0 之vo(t)。(20 分)
【已刪除】三、畫出圖三電路的相量圖(phasor diagram),並以相量求vo(t)。(20 分)
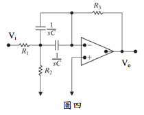
【已刪除】四、求圖四OP理想放大器組成電路的轉移函數(transfer function)H(s) =Vo /Vi,並說明這 是那一種濾波器?(20 分)
【已刪除】五、雙埠網路之Z參數方程式為:V
1
=Z
11
I
1
+Z
12
I
2
,V
2
=Z
21
I
1
+Z
22
I
2
。求圖五電路的各Zij參 數。(20 分)
相關試卷
114年 - 114 地方政府公務特種考試_三等_電力工程、電子工程、電信工程:電路學#134770
114年 · #134770
114年 - 114 專技高考_電機工程技師:電路學#133707
114年 · #133707
114年 - 114 專技高考_電子工程技師:電路學#133700
114年 · #133700
114年 - 114 公務升官等考試_薦任_電力工程、電子工程、電信工程:電路學#133241
114年 · #133241
114年 - 114 高等考試_三級_電力工程、電子工程、電信工程:電路學#128784
114年 · #128784
113年 - 113-2 國營臺灣鐵路股份有限公司_從業人員甄試_第8階-助理工程師-電機:電路學#137142
113年 · #137142
113年 - 113 地方政府公務特種考試_三等_電力工程、電子工程:電路學#124508
113年 · #124508
113年 - 113 專技高考_電機工程技師:電路學#123962
113年 · #123962
113年 - 113 專技高考_電子工程技師:電路學#123933
113年 · #123933
113年 - 113 高等考試_三級_電力工程、電子工程、電信工程:電路學#121512
113年 · #121512