阿摩線上測驗
登入
首頁
>
電路學
> 98年 - 98 調查特種考試_三等_電子科學組:電子學與電路學#38324
98年 - 98 調查特種考試_三等_電子科學組:電子學與電路學#38324
科目:
電路學 |
年份:
98年 |
選擇題數:
0 |
申論題數:
5
試卷資訊
所屬科目:
電路學
選擇題 (0)
申論題 (5)
一、一群電子通過某一通道的電量表現形式為q(t)=6te
sin(2πt)
mC,求在t=1 秒的時候,通 過通道的電流量和在 1 微秒之內,通過通道的電子數目。C是庫倫。(20 分)
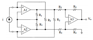
【已刪除】二、求電壓電流轉換(Vo / i)的放大倍率。假設三顆運算放大器都是理想放大器。(20 分)
【已刪除】三、求從 a, b 兩端看進去的戴維寧對等電路(Thevenin Equivalent Circuit)。其中菱形電 流源是依賴電流源(dependent current source)。(20 分)
【已刪除】四、用迴路(mesh or loop)分析法,求I
1
, I
2
, I
3
, I
o
。M是電感之間的互感。(20 分)
【已刪除】五、關於整流器(regulator)的規格當中,負載整流(load regulation)的定義是輸出電 壓的變化量除以負載輸出電流的變化量,電線整流(line regulation)的定義是輸出 電壓的變化量除以輸入電壓的變化量。用一顆積納二極體(Zener diode)當作整流 器,其中Ri=190 Ω,積納二極體的內阻是 10 Ω,反向崩潰電壓是 5 V,輸入電壓Vi 的變化是從 8 V到 20 V,負載電流Io的變化是從 0 mA到 20 mA。求電線整流和負載 整流,求輸出電壓Vo的最大變化百分比。(20 分)
相關試卷
114年 - 114 地方政府公務特種考試_三等_電力工程、電子工程、電信工程:電路學#134770
114年 · #134770
114年 - 114 專技高考_電機工程技師:電路學#133707
114年 · #133707
114年 - 114 專技高考_電子工程技師:電路學#133700
114年 · #133700
114年 - 114 公務升官等考試_薦任_電力工程、電子工程、電信工程:電路學#133241
114年 · #133241
114年 - 114 高等考試_三級_電力工程、電子工程、電信工程:電路學#128784
114年 · #128784
113年 - 113-2 國營臺灣鐵路股份有限公司_從業人員甄試_第8階-助理工程師-電機:電路學#137142
113年 · #137142
113年 - 113 地方政府公務特種考試_三等_電力工程、電子工程:電路學#124508
113年 · #124508
113年 - 113 專技高考_電機工程技師:電路學#123962
113年 · #123962
113年 - 113 專技高考_電子工程技師:電路學#123933
113年 · #123933
113年 - 113 高等考試_三級_電力工程、電子工程、電信工程:電路學#121512
113年 · #121512