阿摩線上測驗
登入
首頁
>
電路學
> 99年 - 99 調查特種考試_三等_電子科學組:電子學與電路學#27566
99年 - 99 調查特種考試_三等_電子科學組:電子學與電路學#27566
科目:
電路學 |
年份:
99年 |
選擇題數:
0 |
申論題數:
9
試卷資訊
所屬科目:
電路學
選擇題 (0)
申論題 (9)
當⑴V
1
= V
2
=5V(4分
⑵V
1
=5V , V
2
= 0V (8 分)
⑶ V
1
= V
2
=V0 (8 分)
⑴說明C
1
、C
2
、R
1
、R
2
的用途。(10 分)
⑵若電壓增益(voltage gain) A
V
= 995.0 ,求輸入電阻。(10 分)
⑴一放大器增益A
V
= 40 ,頻寬 BW=100 kHz,若加上負回授之後,增益降為 20,求 頻寬成為多少?(10分)
⑵一放大器增益A
V
= 40 ,頻寬 BW=2 kHz,若加上 20%的負回授,求迴路增益 及迴路頻寬 。(10 分)
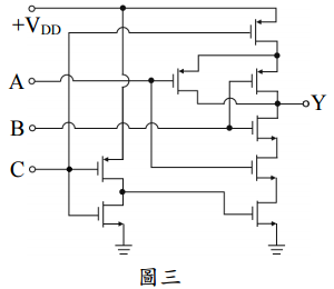
【已刪除】四、圖三為一 CMOS 數位電路,請寫出真值表(truth table)。(20 分)
【已刪除】五、如圖四,β = 50,V
BE (act)
= 0.7V , V
BE(sat)
= 0.8V , V
CE(sat)
=0.2V ,求在工作區域 時之 I
B
、I
C
、 及 V
O
。( 20 分)
相關試卷
114年 - 114 地方政府公務特種考試_三等_電力工程、電子工程、電信工程:電路學#134770
114年 · #134770
114年 - 114 專技高考_電機工程技師:電路學#133707
114年 · #133707
114年 - 114 專技高考_電子工程技師:電路學#133700
114年 · #133700
114年 - 114 公務升官等考試_薦任_電力工程、電子工程、電信工程:電路學#133241
114年 · #133241
114年 - 114 高等考試_三級_電力工程、電子工程、電信工程:電路學#128784
114年 · #128784
113年 - 113-2 國營臺灣鐵路股份有限公司_從業人員甄試_第8階-助理工程師-電機:電路學#137142
113年 · #137142
113年 - 113 地方政府公務特種考試_三等_電力工程、電子工程:電路學#124508
113年 · #124508
113年 - 113 專技高考_電機工程技師:電路學#123962
113年 · #123962
113年 - 113 專技高考_電子工程技師:電路學#123933
113年 · #123933
113年 - 113 高等考試_三級_電力工程、電子工程、電信工程:電路學#121512
113年 · #121512