所屬科目:一二三等大管輪/三等船副◆船舶操作與人員管理
13. 三相感應電動機若使用 Y- Δ 起動電路,其起動轉矩為全電壓 起動轉矩的 (A) (B) 1/3 (C) (D) 1/2
16. 如下圖之電路,若 R 1 =R 3 =R 4 =4 Ω , R 2 =12 Ω ,其總電阻為: (A) 4 Ω (B) 5 Ω (C) 16/3 Ω (D) 20/3 Ω
18. Δ - Δ 接線之變壓器如果燒毀其中一相,其容量: (A) 不變 (B) 下降為原來的 (C) 降為原來的 1/3 (D) 為零 ( 無法使用 )
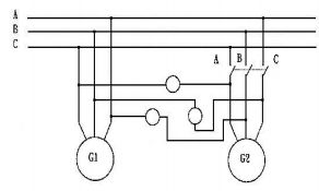
22. 如圖所示為之發電機的何種儀表電路? (A) 接地指示燈 (B) 同步指示燈 (C) 電源指示燈 (D) 電壓表
29. 試求圖 1 之等效電阻 R ,其中 RA 為 2 歐姆、 RB 為 4 歐姆、 RC 為 4 歐姆。 (A) R=3 Ω (B) R=2 Ω (C) R=1 Ω (D) R=0 Ω