阿摩線上測驗
登入
首頁
>
研究所、轉學考(插大)◆工程力學
>
91年 - 91 淡江大學 轉學考 工程力學(含靜力學、材料力學、動力學)#56023
> 申論題
題組內容
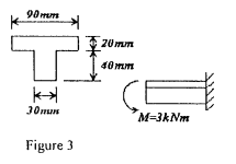
3. A cast iron machine part in Figure 3 is loaded by the 3 kN.nt couple shown. (Neglect the effect of fillets)
(1)(15%) Determine the maximum tensile and compressive stress in the machine part (E-175 Gpa).
相關申論題
(2)(10%) Determine the radius of curvature of the machine part.
#212470
(c)若L=6m,試求僅考慮最大正矩作用下此複合斷面可容許的最大均布載重q。(9分)
#484059
(b)試求複合對中性軸之斷面慣性矩。(10分)
#484058
(a)劃出此之剪力圖與矩圖,以q及表示。(6分)
#484057
(b)若A點的固定端改為與一彈簧常數1,000MN/m的彈簧相接,如圖三(b)所示。試求鋼棒中的壓力P、最大壓力σc以及點的位移δB。(15分)
#484056
(a)試求鋼棒中的壓力P、最大壓應力σc以及B點的位移δB。(10分)
#484055
二、(25分) 圖二中,桿件AB之A處穿過一斷面為方形之桿件,因此桿件AB由A處之方形桿以及繩索Bc支撐,其中件AB與方形桿之無摩擦力。為了使得桿件 AB平衡,試求A之反力及繩索C之張力。
#484054
一、(25分) 圖一之構架於c點受到一向下之 100N力量,試繪製桿件ADB、插銷A之自由體圖,並求得E點之正向力、剪力及彎矩。
#484053
四、作用在板上之外力P(x,y)的分饰函數型式為kPa. 請求合成力及其作用在板上之位置。(25%)
#446932
(2)試求壓力容器中最大之主應力(principalstress)為何?10%)
#446931
相關試卷
110年 - 110 國立臺灣科技大學_碩士班招生試題_營建工程系(丙組):工程力學#113276
110年 · #113276
110年 - 110 國立中央大學_碩士班招生考試_土木工程學系/力學與結構工程組(一般生):工程力學#105314
110年 · #105314
110年 - 110 國立台北科技大學碩士班招生考試_自動化科技研究所:工程力學#103349
110年 · #103349
110年 - 110 國立臺北科技大學_碩士班招生考試_機械工程系機電整合碩士班(乙組):工程力學#103348
110年 · #103348
110年 - 110 國立臺灣大學_碩士班招生考試_工程科學及海洋工程學研究所乙組:工程力學(動力學及靜力學)#100701
110年 · #100701
91年 - 91 淡江大學 轉學考 工程力學(含靜力學、材料力學、動力學)#56023
91年 · #56023
87年 - 87 淡江大學 轉學考 工程力學(含靜力學、材料力學、動力學)#56402
87年 · #56402