阿摩線上測驗
登入
首頁
>
通信系統
>
99年 - 099年高等三級暨普通普_電信工程#34966
> 申論題
題組內容
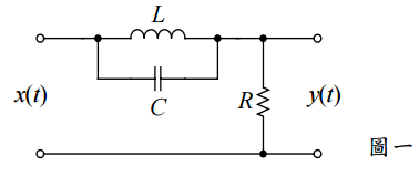
二、考慮圖一之 RLC 濾波器,假設其輸入及輸出分別為 x(t)及 y(t)。
⑴寫出濾波器的頻率響應 H( f ),並計算其共振頻率(resonant frequency)。(12 分)
相關申論題
⑴計算 g(t)的傅立葉轉換(Fourier transformation)。(6 分)
#91772
⑶計算濾波器輸出功率與輸入功率相差多少 dB?(6 分)
#91774
⑵畫出濾波器之振幅響應(amplitude response),|H( f )|。(8 分)
#91776
⑴ 90% AM
#91777
⑵ DSB-SC
#91778
⑶ FM
#91779
⑴解釋鏡像訊號(image signal)的產生原因。(8 分)
#91780
⑵一個超外差 FM 接收器工作在 88-108MHz 的載波頻率範圍內。如果要求所有接 收訊號的鏡像頻率(image frequency)都落於 88-108MHz 區域外,則所需的最小 中頻(intermediate frequency)是多少?(7 分)
#91781
⑴畫出方塊圖以說明如何利用壓縮器(compressor)及均勻量化器(uniform quantizer)組合成一個非均勻量化器;並解釋此量化器之操作原理。(8 分)
#91782
⑵系統中採用非均勻量化器,主要是為了什麼目的?(7 分)
#91783
相關試卷
114年 - 114 地方政府公務特種考試_四等_電信工程:通信系統概要#134755
114年 · #134755
114年 - 114 地方政府公務特種考試_三等_電信工程:通信與系統#134723
114年 · #134723
114年 - 114 公務升官等考試_薦任_電信工程:通信與系統#133270
114年 · #133270
114年 - 114 調查特種考試_三等_電子科學組:通信與系統#129592
114年 · #129592
114年 - 114 高等考試_三級_電信工程:通信與系統#128757
114年 · #128757
114年 - 114 普通考試_電信工程:通信系統概要#128733
114年 · #128733
113年 - 113 地方政府公務特種考試_四等_電信工程:通信系統概要#124540
113年 · #124540
113年 - 113 調查特種考試_三等_電子科學組:通信與系統#122111
113年 · #122111
113年 - 113 普通考試_電信工程:通信系統概要#121514
113年 · #121514
113年 - 113 高等考試_三級_電信工程:通信與系統#121501
113年 · #121501