阿摩線上測驗
登入
首頁
>
航空器液壓系統
>
100年 - 100 高等考試_三級_航空器維修:航空器液壓系統#45694
> 申論題
題組內容
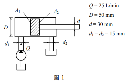
二、如圖 1 所示,已知液壓缸活塞直徑D = 50 mm,活塞桿直徑d = 30 mm,入油管內 徑d
1
及出油管內徑d
2
均為 15 mm,泵之輸出流量為 25 L/min。請計算:
⑴活塞向右移動速度。(10 分)
相關申論題
一、航空器液壓系統供給壓力(supply pressure)約在 3000~4000 psi 之間,遠高於一般 產業用液壓系統約在 500~2000 psi 之間的供給壓力,請簡述其原因。又請說明液壓 系統選擇較高供給壓力所具備的優點以及所面臨的缺點。(20 分)
#154235
⑵液壓油分別在入油管以及出油管之流速。(10 分) Q = 25 L/min A1 A2 D = 50 mm d d = 30 mm D d1 = d2 = 15 mm d1 d2 Q 圖1
#154237
⑴排量 Vp(displacement)。(10 分)
#154238
⑵流量輸出 Q(L/min)。(10 分) S dp 轉速:1500 rpm Dp 活塞數目:N = 9 活塞排列直徑 Dp = 65 mm 活塞直徑 dp = 10 mm 斜板角度 α = 13° α 圖2
#154239
五、圖 4(a)~(d)四種液壓軟管接法中,何者為正確接法?何者為錯誤接法?為什麼?(圖 中箭號表示軟管接頭可能移動的方向)(20 分)
#154241
(二)設液壓油流經方向閥之壓力損失為 5 kpa,求液壓油流入液壓缸之壓 力 Ph 及流出液壓缸之壓力 Pl 各為多少?若不計活塞與液壓缸之摩擦損 失,求液壓缸之輸出力 F 為多少?(15 分)
#468743
(一)設 f = τ w / ( ρU 2 / 8) = 64 / Re, τ w 為管壁黏滯剪應力,Re =ρUd1 / μ 。求 泵之入口壓力 P2 為多少?若泵之機械效率η = 0.9 ,求泵所需之輸入功 率 為多少?(10 分)
#468742
(二)試繪一液壓動力系統示意圖,並標示各元件或設備之名稱,以及液壓 油的流動方向。(15 分)
#468741
(一)說明包含有那些元件或設備。(10 分)
#468740
(二)說明煞車不靈敏或失效之可能原因。(10 分)
#468739
相關試卷
111年 - 111 高等考試_三級_航空器維修:航空器液壓系統#109449
111年 · #109449
110年 - 110 高等考試_三級_航空器維修:航空器液壓系統#102418
110年 · #102418
109年 - 109 高等考試_三級_航空器維修:航空器液壓系統#88969
109年 · #88969
108年 - 108 高等考試_三級_航空器維修:航空器液壓系統#77850
108年 · #77850
106年 - 106 高等考試_三級_航空器維修:航空器液壓系統#63429
106年 · #63429
105年 - 105 高等考試_三級_航空器維修:航空器液壓系統#54414
105年 · #54414
104年 - 104 高等考試_三級_航空器維修:航空器液壓系統#42632
104年 · #42632
103年 - 103 高等考試_三級_航空器維修:航空器液壓系統#43125
103年 · #43125
102年 - 102 高等考試_三級_航空器維修:航空器液壓系統#44119
102年 · #44119
100年 - 100 高等考試_三級_航空器維修:航空器液壓系統#45694
100年 · #45694