題組內容
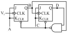
9.如圖所示電路,
為 12kHz,0 到 5V 方波,若 A=C=5V,則 B 點與 D 點的頻率為 B=【 (17) 】Hz,D=【 (18) 】Hz
17
詳解 (共 1 筆)
707 19李鎮宇
詳解 #5499535
111
(共 5 字,隱藏中)
前往觀看
私人筆記 (共 1 筆)
黃良友
私人筆記 #4951456