所屬科目:教甄◆電子科/資訊科/電機科/冷凍空調科/控制科/電機空調科
1.如圖所示電路,流過 6Ω之電流為多少?(A)2A (B)4A (C)6A (D)8A。
2.在圖示的電路中,如果將 R 的電阻值由 100 Ω 換為 150 Ω ,其餘電路不變,則與原電路相比較(A)電壓源所提供的功率 增加 (B)通過電阻 R 的電流增加 (C)每個電阻所消耗的功率均減少 (D)電阻 R 所消耗的功率增加
3.設計一橋式全波整流器中要求漣波因數 r 為 5% ,RL 為 10kΩ,則濾波電容 至少應有 (A)530pF (B)53μF (C)530μF(D)4.8μF
6.如圖所示之電路中,Vin 是接家中插座的交流電 110V/60Hz,D1 ~ D4 的切入電壓為 0.7V,D5 的稽納電壓為 12V,若所有 二極體的內阻都忽略不計,則下列敘述何者錯誤? (A) D1 導通時,D2 也導通 (B)電容 C 兩端的最大電壓降為 12V (C) 通過電阻 R 的最大電流約為 6.5mA (D) D1 與 D2 所承受的峰值逆向電壓(PIV)大小相同
7.若 為臨限電壓,N 通道增強型 MOSFET 的閘-源極電壓 應如何才能使汲極電流 導通?
(A) > 0, < (B) > 0, > (C) < 0, > (D) < 0, <
8.如圖電路,所有二極體特性皆相同;若 ID 為二極體電流,VD 為二極體端電壓,設二極體電流方程式, D 則流經電阻 R 的電流 (A) 0 (B) (C) (D)
9.假設有一布林函數 F(X,Y,Z)= ,使用 4×1 多工器來製作此函數,下列何者正確? (A) (B) (C) (D)
10.圖之三相平衡電路,電源相序為 abc,且 = 173.2∠30° 伏特,則 為多少安培?(A)17.3 ∠60° (B)17.3 ∠90° (C)10 ∠90° (D)10 ∠60°
11.如圖所示,若 β = 49, = 0.7V,則 約為多少?(A) 4.4V (B)8.3V (C) 5.8V (D) 10.8V
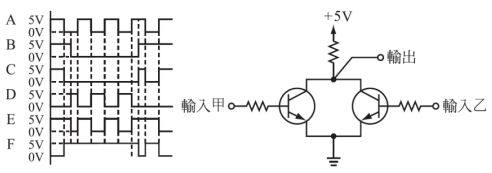
14.如圖,若輸入甲加以 A 之波形,輸入乙加以 B 之波形,則輸出之波形應如(A)C 之波形 (B)D 之波形 (C)E 之波形 (D)F 之波形
16.一個帶電球形體外,距球心 10 公分處之電場強度為 牛頓/庫侖,方向指向球心,則球面上電荷為多少? (A) 庫侖 (B) 庫侖 (C) 3 ×102 庫侖 (D) 庫侖
18.如圖所示電路,若 V1=10sinωt,V2=+1V,若以示波器量測 應得(A)=0V (B)=-9V,直流電壓 (C) 為正弦波電壓 (D) 為方形波電壓
19.如圖所示電路,若假設電路內 E 點發生故障,固定為 0V,若要偵測此種故障,維修人員只能由 A、B、C、D 輸入信號, 再由 G 點量測輸出信號,以判斷好壞,請問下列何種輸入測試向量(A,B,C,D)可測出 E 點固定為 0V 的故障?(A)1100 (B)1000 (C)0010 (D)1010
24.有一正電荷附近電場之電位為 ,另一負電荷附近電場之電位為 ,無窮遠處之電位為 ,則此三者大小之關係為 (A) (B) (C) (D)
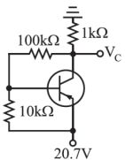
25.如圖所示,當 = 0 時,A 點之直流電壓為(A)1V (B)3.7V (C)5V (D)8V。
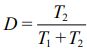
28.如圖所示之週期信號 V1 (t ) ,其峰值為 ,若 ,當 D = 0.55 時, V1 (t ) 之平均值為何?(A) (B) (C) (D)。
29.如圖所示之 4×1 多工器電路,其功能相當於下列何種邏輯閘?(選擇線 S1 為 MSB;S0 為 LSB)(A) XNOR (B) XOR (C)NAND (D)NOR
30. 布林函數 F = AB + 的最簡式為 (A) (B) (C) (D)