題組內容
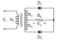
5.如圖所示電路,
= 100√ 2 sin(377t),N1:N2:N3 = 4:2:1,則輸出頻率為【 (9) 】Hz ,二極體 D1 的 PIV=【 (10) 】V
9
詳解 (共 1 筆)
707 19李鎮宇
詳解 #5499544
111
(共 5 字,隱藏中)
前往觀看