題組內容
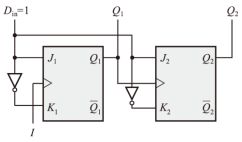
7.如圖所示電路,若 Q2 和 Q1 之初值均為 0,當 I 輸入 5 個脈波後, Q2 輸出值為 【 (13) 】, Q1 輸出值為【 (14) 】
13
詳解 (共 1 筆)
707 19李鎮宇
詳解 #5499537
111
(共 5 字,隱藏中)
前往觀看
私人筆記 (共 1 筆)
黃良友
私人筆記 #4951399