阿摩線上測驗
登入
首頁
>
電路學
>
103年 - 103 高等考試_二級_電子工程:高等電子電路學(包括類比與數位)#24905
> 申論題
題組內容
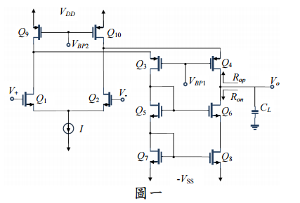
一、圖一為折疊式疊接放大器(folded cascode amplifier),假設所有 MOSFET 電晶體之 小信號參數均為 g
m
= 1.0 mA/V、r
o
= 200 kΩ、且 C
L
= 2 pF,試回答下列問題: (每小題 5 分,共 20 分)
(一)放大器輸出電阻(output resistance)R
o
= R
op
// R
on
=?
相關申論題
(二)放大器電壓增益(voltage gain)=?
#32940
(三)放大器主極點頻率 fp(dominant pole frequency)=?
#32941
(四)放大器單增益頻率 ft(unity-gain frequency)=?
#32942
(一)此電路轉導(circuit transconductance)Gm = Io / Vs之表示式?
#32943
(二)試求出 RE之電阻值,使得 Gm = 1 mA / V。
#32944
(一) Rin的表示式?
#32945
(二) Rout的表示式?
#32946
(三)電壓增益 Vo / Vsig的表示式?
#32947
(四)已知IE2 = 2 mA 、 β1 = β 2 = 50、RE =1 kΩ、 Rsig = 50 kΩ,試計算Rout = ?
#32948
(一)Q1閘極端點的直流電壓值 VG1 =?
#32949
相關試卷
114年 - 114 地方政府公務特種考試_三等_電力工程、電子工程、電信工程:電路學#134770
114年 · #134770
114年 - 114 專技高考_電機工程技師:電路學#133707
114年 · #133707
114年 - 114 專技高考_電子工程技師:電路學#133700
114年 · #133700
114年 - 114 公務升官等考試_薦任_電力工程、電子工程、電信工程:電路學#133241
114年 · #133241
114年 - 114 高等考試_三級_電力工程、電子工程、電信工程:電路學#128784
114年 · #128784
113年 - 113-2 國營臺灣鐵路股份有限公司_從業人員甄試_第8階-助理工程師-電機:電路學#137142
113年 · #137142
113年 - 113 地方政府公務特種考試_三等_電力工程、電子工程:電路學#124508
113年 · #124508
113年 - 113 專技高考_電機工程技師:電路學#123962
113年 · #123962
113年 - 113 專技高考_電子工程技師:電路學#123933
113年 · #123933
113年 - 113 高等考試_三級_電力工程、電子工程、電信工程:電路學#121512
113年 · #121512