題組內容
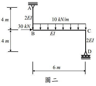
三、如下圖二所示之一靜定剛架結構系統 ABCD,其中 A 端為鉸支承、D 端 為輥支承。AB、CD 桿長 4 m,撓曲剛度為 2EI,B 節點承受一向右集中 載重 30 kN。BC 桿桿長 6 m,撓曲剛度則為 EI,承受一向下之均布載重 (25 分) 10 kN/m。
三、如下圖二所示之一靜定剛架結構系統 ABCD,其中 A 端為鉸支承、D 端 為輥支承。AB、CD 桿長 4 m,撓曲剛度為 2EI,B 節點承受一向右集中 載重 30 kN。BC 桿桿長 6 m,撓曲剛度則為 EI,承受一向下之均布載重 (25 分) 10 kN/m。