阿摩線上測驗
登入
首頁
>
電路學
>
112年 - 112 公務升官等考試_薦任_電力工程、電子工程、電信工程:電路學#117334
> 申論題
題組內容
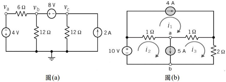
一、兩電路如下圖(a)及(b)所示,請計算:(每小題 15 分,共 30 分)
(二)圖(b)中各網目 i
1
、i
2
及 i
3
之電流值。
相關申論題
(一)圖(a)中各節點 va、vb 及 vc 之電壓值。
#501547
二、一電阻-電容電路如下圖所示,在 t = 0 前該電路已處於穩定狀態,試求 t > 0 之 vo(t)= ?(20 分)
#501549
三、一 OP 放大器電路如下圖所示,若其輸出,請計算出適當之 R1 及 R2電阻值?(10 分)
#501550
四、一具有電阻-電容-電感器之電路如下圖所示,該電路輸入為電壓源之電壓 vs (t )= 10 cos(10t )V,輸出為流經 10 Ω電阻之電流 i(t),試計算 i(t)之表示式。(30 分)(hint:可將電路之元件轉換至頻域)。
#501551
五、一電路如下圖所示,請決定 L 及 C 之值,以使此電路輸出 vo(t)可操作於帶通濾波器,其中 R = 100 Ω,ω0 = 1000 rad/s,頻寬 BW 為 100 rad/s。(10 分)
#501552
四、試求圖 3 電路中的輸出電壓 vo(t)。(25 分)
#569964
三、當連接至 120 V(rms)、60 Hz 的電源時,某負載在功率因數(pf)為 0.8 落後(lagging)下消耗 4 kW 的實功。假設將一部 1 kW 的太陽能發電機(只 產生實功)與該負載並聯。試求將功率因數(pf)提升至 0.9 落後所需的 電容值。(25 分)
#569963
二、若 v(0) = 0 V,試求圖 2 電路中 t > 0 時的 v(t)。(25 分)
#569962
(二)計算能消耗(汲取)最大功率的 R 值為多少?(8 分)此時的最大負載功率是多少?(7 分)
#569961
(一)求 R 的值,使得 Vo = 1.8 V。(10 分)
#569960
相關試卷
115年 - 115 身心障礙特種考試_三等_電子工程:電路學#138936
115年 · #138936
114年 - 114 地方政府公務特種考試_三等_電力工程、電子工程、電信工程:電路學#134770
114年 · #134770
114年 - 114 專技高考_電機工程技師:電路學#133707
114年 · #133707
114年 - 114 專技高考_電子工程技師:電路學#133700
114年 · #133700
114年 - 114 公務升官等考試_薦任_電力工程、電子工程、電信工程:電路學#133241
114年 · #133241
114年 - 114 高等考試_三級_電力工程、電子工程、電信工程:電路學#128784
114年 · #128784
113年 - 113-2 國營臺灣鐵路股份有限公司_從業人員甄試_第8階-助理工程師-電機:電路學#137142
113年 · #137142
113年 - 113 地方政府公務特種考試_三等_電力工程、電子工程:電路學#124508
113年 · #124508
113年 - 113 專技高考_電機工程技師:電路學#123962
113年 · #123962
113年 - 113 專技高考_電子工程技師:電路學#123933
113年 · #123933