題組內容
題目六:【15分】
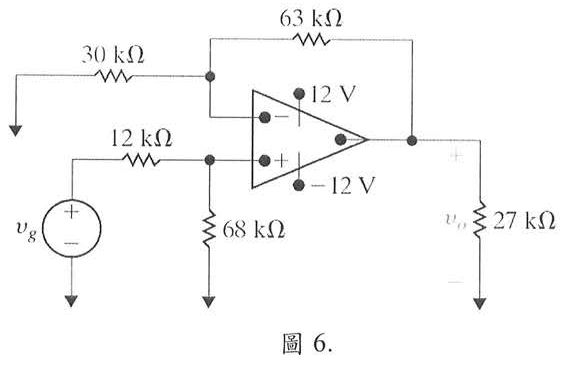
下面圖6.由理想運算放大器所組成的電路,

(二).假設電源偏壓由土12V調整為土6V,則輸出電壓vo為多少?【5分】
詳解 (共 1 筆)
詳解
10.54V>偏壓6V
故輸出為最大電壓(6V)