題組內容
4. 如圖(3)所示,
= 12V,
= 3k2, Rs = 0.5kΩ, R1= R2 = R3 = 2MΩ,假設二個 N 通道增強型 MOSFET 的特性參數為
= 1V, K1 = K2 = 0.5mA/V2,試求
(2)放大電路中的電壓增益
與電流增益
各為何?(6分)
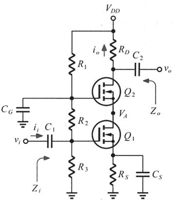
4. 如圖(3)所示,
= 12V,
= 3k2, Rs = 0.5kΩ, R1= R2 = R3 = 2MΩ,假設二個 N 通道增強型 MOSFET 的特性參數為
= 1V, K1 = K2 = 0.5mA/V2,試求
(2)放大電路中的電壓增益
與電流增益
各為何?(6分)