所屬科目:教甄◆電子科/資訊科/電機科/冷凍空調科/控制科/電機空調科
2. 如下圖,下列選項何者為真? (A)15V電壓源每秒供應之電能為15mJ (B)9k 電阻器每秒消耗 20mJ之電能 (C)6k 電阻器每秒消耗80mJ之電能 (D)5mA 電流源每秒供應之電能為120mJ
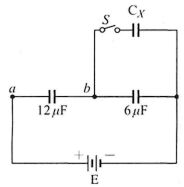
3. 如下圖,當開關S「OPEN」時Vab = 30V,而開關S「CLOSE」時 Vab = 60V,則Cx=?若干微法拉(µF)? (A)18 (B)24 (C)30 (D)50。
4. 如下圖,其中 L1= L2 =6亨利,且耦合係數為0.8,則兩電感器所儲存的總能量為多少焦耳(J)? (A)60 (B)45 (C)32 (D)30
5. 如下圖,開關S於t=0時閉合(close),則於S閉合後6秒之瞬間,下列何者為真? (A) i1(6) = 1.37 mA (B) i2(6)= 2.67 mA (C) i3(6) = 1.33 mA (D)電容器端電壓為100V。
6. 如下圖,則下列哪一個選項是正確的? (A)有效值為6.66V (B)平均值為3.24V (C)波形因數為1.48 (D)週期為9秒
7. 如下圖,若v(t) =,則下列何項為正確? (A)此電路為電容性 (B)總電流落後電壓 53° (C) i(t) = (D)總阻抗為5Ω
8. 如下圖之三相 Y-△電路,若三相發電機以正相序供電給負載,下列選項何者為真? (A)總平均功率等於12.5kW (B)總無效功率等於13.5kVAR (C)總視在功率等於 25kVA (D)功率因數等於0.5,滯後
9. 如下圖所示電路,已知稽納二極體之崩潰電壓= 5V、最大崩潰電流= 9mA,若電路維持在正常穩壓狀態,則限流電阻R1最小值為何? (A)200Ω (B)300Ω (C)400Ω (D)500Ω
10. 如下圖所示,應為多少才能滿足Q點之條件? (A)430ΚΩ (B)43ΚΩ (C)500ΚΩ (D)50kΩ.
11. 如下圖所示之電路, = 1000, Is 為理想電流源, β = 99,熱電壓(thermal voltage) = 26mV,歐力電壓(Early voltage) VA =∞。若 Rout = 3Ω,則Is值為何? (A)4mA (B)7mA (C)9mA (D)13mA
12. 如下圖之 Av、Ri、Ro 分別代表各級放大器之電壓增益、輸入及輸出阻抗,試問整個電路的電壓增益約為? (A)98 (B)115 (C)120 (D)128
13. 如下圖所示,參數 K1 = 0.5mA/V2、K2 = 2mA/V2且臨界電壓= 4V、= 1V,下列敘述何者正確? (A)第一級的直流工作點= (6V,2mA) (B)第二級的直流工作點=(6V,2mA) (C)汲極電流= 4mA (D)該電路高頻響應不佳
14. 如下圖所示電路,假設 OPA 為理想運算放大器,輸出 Vo為工作週期10%的脈波,則Vn電壓應調整為何? (A) 0.6V (B) 0.7V (C) 0.8V (D) 0.9V
15. 如下圖所示,左邊為電路圖,右邊為此電路之輸入與輸出波形圖,則下列何者正確? (A) V1 = 2.7V, V2 = 1V (B) V1 = 1.7V, V2 = 1V. (C) V1 = 2.7V, V2 = 1.7V (D) V1 = 3.7V, V2 = 1.7V
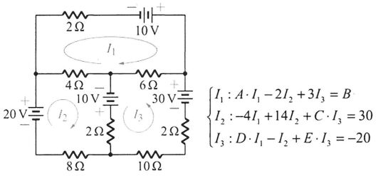
貳、填充題: 1. 如下圖,可列出迴路電流方程式如圖右側所示,求其係數A+B+C+D+E為何?
2. 如下圖,已知電動機等效電路為 RL 串聯電路,其 R = 6Ω, L = 16mH,且v(t) = ,若 S 閉合,整個電路之 PF 提高至0.8,則電容器C應為多少?
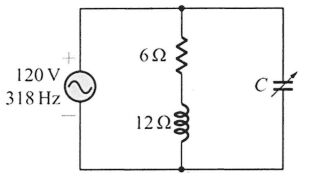
3. 如下圖,欲使電路諧振,則C值應調整為多少法拉?
4. 如下圖,節點電壓V1+V2為多少?
6. 如下圖所示電路,若所有電晶體之特性皆相同,,求此電路的電壓增益()約為多少?
7. 如下圖所示之電路,假設空乏型MOSFET 之,且電流= 0.6mA,試求電壓增益約為何?
8. 如下圖(圖示錯誤,應為電路圖)所示 MOSFET 數位電路輸入與輸出關係為何?
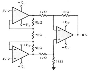
9. 如下圖所示電路OPA為理想,±Vcc = ±15V試求輸出電壓Vo為多少?
10. 如下圖所示為方波產生器,試求輸出 Vo之振盪頻率約為何?(假設ln 2≈ 0.7,ln 3 ≈ 1.1,ln 5 ≈ 1.6, In 10 ≈ 2.3)
參、計算題: 1. 如下圖(b)電路,OPA 為理想,若A點電壓波形如圖(a),請繪出C點電壓波形(注意相位及標示電壓)? (6分)
(2)電流增益約為多少?(3分)
(2)放大電路中的電壓增益與電流增益各為何?(6分)
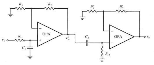
6. 如下圖唯一主動帶通濾波器(BPF),請繪出頻率響應圖(3分),並標示低頻截止頻率及高頻截止頻率之值(3分)